Качественные детали и логистика
Оригинальные и аналоговые запчасти с доставкой по России, Казахстану и Беларуси
©2022 PartSell ООО "Система" ИНН 2463123282 ОГРН 1212400004838
Центральный офис: г. Красноярск, Академика Киренского, д.87, пом.4
Телефон: 8 (800) 777-65-74 Email: zakaz@partsell.ru
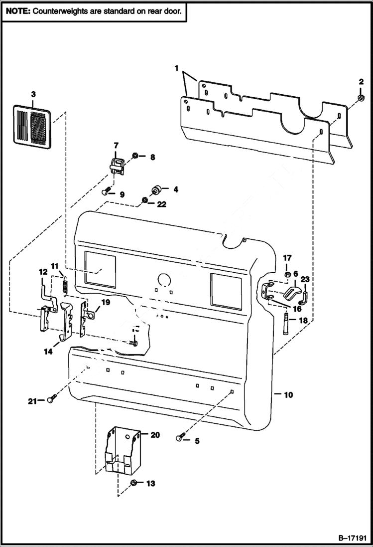
REAR DOOR (S/N 5158 11001-29999, 5162 11001-19999, 5086 95348 & Abv)
№
Артикул
Название
Примечание
Количество
1
6725256
COUNTERWEIGHT SEE NOTE - Was 6714053 - A
2
57D6
NUT 5
3
6670287
COVER
4
6714454
BUMPER
5
37C632
BOLT Was 37C000628B - A
6
6714126
DOOR STOP
7
6715157
STRIKER ASSY. Was 6579969 - A
8
83D8
9
37C820
BOLT
10
REAR DOOR See BTI357 NLA - Was 6711524 - A
11
6714210
SPRING
12
6670867
LATCH, REAR DOOR
13
55D6
NUT
14
6711527
LATCH PLATE weld-on
15
31C420
BOLT 5
16
6733575
HINGE, REAR DOOR weld on - Was 6711526 - A
17
59D6
18
38C856
19
6711664
GUIDE, LATCH latch
20
6715318
TOOL HOLDER
21
37C612
22
61D5
23
6719766
STOP
Выбрано товаров: 0