Запчасти Bobcat 700s DISC BRAKE DRIVE TRAIN

Схема запчастей Bobcat 700s - DISC BRAKE DRIVE TRAIN
FIT
1:1
100%

Артикул

Название

Примечание

Количество

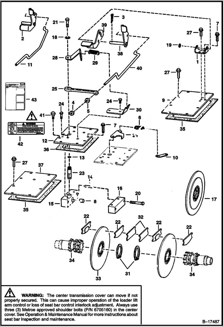
1

6700073

PEDAL MOUNT

2

PEDAL NLA - Order Ref. 38-40 - brake - Was 6578501 - A

3

1318565

COTTER PIN

4

85D8

NUT, 5

5

6564669

NUT, 10 Was 6519169 - A

6

6505076

SPRING

7

84G3716

SCREW 5

7

84G3716

SCREW 5

8

6569927

PIN

9

6578505

COVER

10

6559218

ANGLE

11

ROD NLA - Order Ref. 38-40 - Was 6578504 - A

12

6704334

COVER Was 6575962 - A

13

25K30100

O RING 10

14

6571796

SPACER

15

6571795

BLOCK

16

6571794

BLOCK

17

DISC NLA - Order (2) ea. of Ref. 31-34 - Was 6569845 - A

18

6506477

WASHER

19

25E25

WASHER 10

20

17C880

BOLT

21

17C820

BOLT

22

6700706

PAD

23

6569842

CAM PIN

24

17C816

BOLT

25

6563823

LEVER

26

6577552

BRACKET

27

84G3712

BOLT 5

28

6701626

BRACKET

29

6584584

SPRING

30

6701627

BRACKET

31

6658672

SNAP RING

32

6702805

SPACER

33

6702792

DISC

34

6705065

SHAFT, TRANS Was 6703089 - A

35

6703097

GASKET, TRANS COVER

36

6703098

GASKET

37

6700330

COVER

38

6704812

PEDAL brake

39

6704811

PEDAL brake

40

6704809

ROD

41

6705160

SHOULDER BOLT Always use (3) 6705160 Shoulder Bolts in Center Cover ... SEE WARNING ON ILLUSTRATION

42

6705158

DECAL warning

43

6722343

INSTRUCTIONS

Выбрано товаров: 44