Запчасти Bobcat 700s EUROPEAN ACCESSORIES ACCESSORIES & OPTIONS

Схема запчастей Bobcat 700s - EUROPEAN ACCESSORIES ACCESSORIES & OPTIONS
FIT
1:1
100%

Артикул

Название

Примечание

Количество

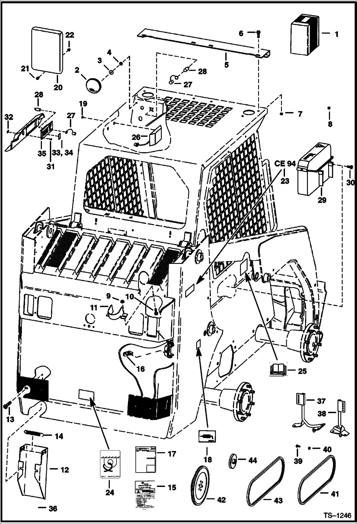
1

KIT NLA - European Accessories - Ref. 2-18 - Order individual parts - Was SALES - D

2

6653388

MIRROR convex

3

6518952

WASHER .26'' I.D. - 1'' O.D.

4

25E13

WASHER 5 .25'' I.D. - .75'' O.D.

5

6701852

SHIELD

6

35C616

BOLT 5

7

61D6

NUT 5

8

COVER NLA - grease - Order Ref. 18

9

57D4

NUT Use W/6709092 Exhaust Shield

9

61D5

NUT Use W/6714624 Exhaust Shield

10

35C412

BOLT Use W/6709092 Exhaust Shield

10

37C512

BOLT Use W/6714624 Exhaust Shield

11

6709092

SHIELD exhaust - Use W/Steel Hood - Was 6704653 - A

11

6714624

SHIELD exhaust - one piece rear door

12

6709379

TOOL HOLDER two piece rear door - Was 6705100 - A

12

6715318

TOOL HOLDER one piece rear door

13

9G636

BOLT 5 Use W/6709379 Tool Holder

13

37C612

BOLT Use W/6714624 Exhaust Shield

14

6579072

SPRING Was 6700743 - B

15

6708155

KIT handbook - Was 6704832 - A

16

6701883

STOP rear door - not required for one piece rear door

17

6722300

INSTRUCTIONS For Ref. 12-14

18

6705340

DECAL, GREASE

19

6664221

RETAINER snap in

20

CONTAINER NLA - manuals - Order Ref. 29 & (2) of Ref. 30 - Was 6633394 - A

21

35C410

BOLT 5

22

83D4

NUT 10

23

DECAL NLA - CE94 - Was 6707814 - A

24

6595014

DECAL tow hook - Was 6707867 - A

25

DECAL NLA - operator manual - located inside of cab - Was 6707971 - A

26

6680326

LIGHT dome - Was 6664368 - A

26

6665367

BULB

26

6665353

SWITCH

27

6664224

CAP

28

6664223

OUTLET

29

6708827

CONTAINER manuals

30

6702642

SCREW

31

6669224

BOLT

32

6669091

CLIP

33

6668742

SWITCH travel control

34

6665314

PLUG

35

6710527

PANEL

36

55D6

NUT

37

6712985

MOUNT mirror - Japan

38

6712987

MOUNT mirror - Japan

39

35C512

BOLT Japan

40

83D5

NUT 5

41

6672021

BELT, DRIVE pump drive

42

6715165

FLYWHEEL W/Ring gear

42

6510470

RING GEAR

43

6715478

BELT, FAN fan drive

44

6712970

PULLEY fan drive - 4.75'' (120,65 mm) O.D.

Выбрано товаров: 52