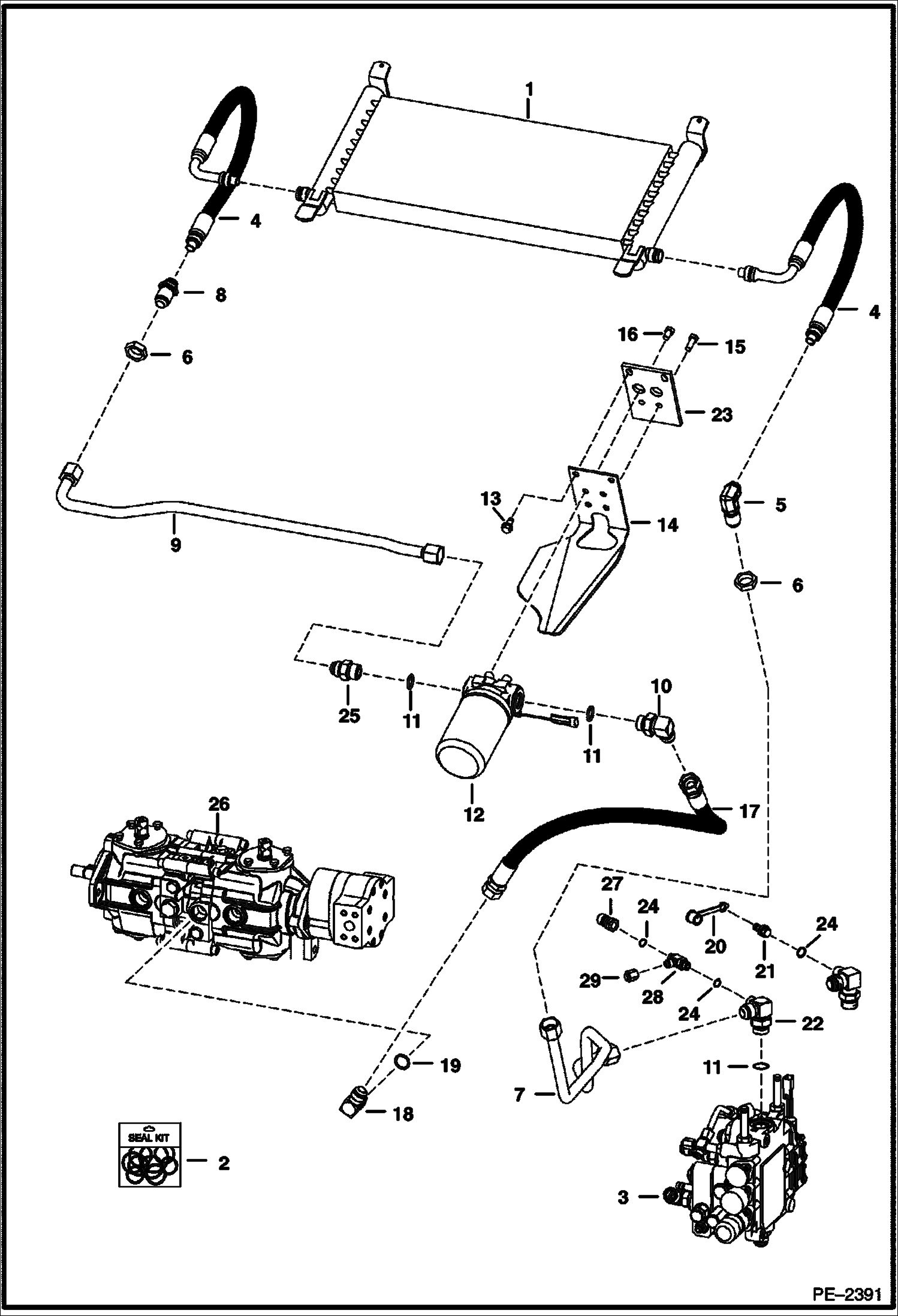
Запчасти Bobcat 700s HYDROSTATIC CIRCUITRY (S/N 5158 44250& Abv, 5162 26050 & Abv) HYDROSTATIC SYSTEM

Схема запчастей Bobcat 700s - HYDROSTATIC CIRCUITRY (S/N 5158 44250& Abv, 5162 26050 & Abv) HYDROSTATIC SYSTEM
FIT
1:1
100%

Артикул

Название

Примечание

Количество

1

6674150

EXCHANGER, OIL COOLER

2

6674798

REPAIR KIT For Ref. 1, 5 or 8 - includes internal retaining ring (1), back-up ring (1) & O-ring (1)

3

VALVE See Illustration HYDRAULIC CONTROL VALVE/ B17116A HYD. CONTROL

4

6673828

HOSE, HYD ASSY

5

6670831

ELBOW STC

5

97K12

O'RING flared end

5

6690949

O-RING

6

86F8

NUT 5

7

6708748

TUBE

8

6670830

ADAPTER

8

97K12

O'RING flared end

8

6690949

O-RING

9

6727347

TUBE

10

17KB1212

FITTING, HYD ELBOW W/Ref. 11

11

79K12

O RING 10

12

6676969

FILTER See Illustration HYDROSTATIC OIL FILTER/ B16487A

12

6676969

FILTER

12

6661248

FILTER, OIL HYD 12 #3 media - 152,4 mm (6'') long

13

84G3712

BOLT 5

14

6727345

MOUNT filter drain

15

17C616

BOLT 5

16

17C610

BOLT

17

6704159

HOSE

18

17KB1210

FITTING, HYD ELBOW W/Ref. 19

19

79K10

O RING 10

20

6630367

CAP

21

6630168

COUPLER diagnostic - W/Ref. 30

22

6715653

TEE W/Ref. 11

23

6704341

MOUNT

24

79K6

O RING 10

25

15KB1212

FITTING, HYD CONNECTOR W/Ref. 11

26

PUMP See Illustration HYDROSTATIC PUMP/ D2377

27

6684125

COUPLER

28

6817236

TEE

29

36K5

CAP

Выбрано товаров: 35