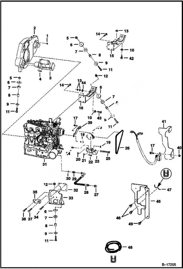
Запчасти Bobcat 700s ENGINE & ATTACHING PARTS (Engine Mounts) POWER UNIT

Схема запчастей Bobcat 700s - ENGINE & ATTACHING PARTS (Engine Mounts) POWER UNIT
FIT
1:1
100%

Артикул

Название

Примечание

Количество

1

85D8

NUT, 5

2

6700541

MOUNT

3

STARTER See Illustration STARTER/ D2119

4

35C620

BOLT 5

5

6652918

NUT

6

6705106

WASHER

7

6661785

MOUNT, ENG

8

6706043

SPACER

9

6661787

WASHER

10

742640

WASHER

11

17C848

BOLT Was 17C000844B - B

12

83D8

NUT 5

13

25E21

WASHER 5 Use 3 max. for vertical mount

13

25E21

WASHER 5 Use 2 max. for horizontal mount

14

6CM1225

BOLT

15

6703585

MOUNT engine & hyd. pump for vertical mount

16

7104568

MOUNT engine & hyd. pump - for horizontal hardware mounting of hydrostatic pump - Was 6712161 - A

17

35C516

BOLT 10

18

1CM870

BOLT

19

57D5

NUT

20

85D6

NUT, 5

21

6568877

WASHER

22

1CM890

BOLT

23

6562257

MOUNT

24

17C556

BOLT

25

17C648

BOLT 5

26

6704720

BELT, ALT See Illustration HIGH FLOW HYDRAULICS/ TS1294 ALTERNATOR & HIGH FLOW HYDRAULICS

27

36K6

CAP

28

6704012

HOSE See Illustration HIGH FLOW HYDRAULICS/ TS1294 FOR HIGH FLOW HYDRAULICS

29

15K6

ADAPTER See Illustration HIGH FLOW HYDRAULICS/ TS1294 W/Ref. 30 - FLAT BOSS FACE - FOR HIGH FLOW HYDRAULICS

29

15KB0808

FITTING, HYD CONNECTOR W/Ref. 30 - tapered boss face - Was 15KN00006B - A

29

97K8

O-RING See Illustration HIGH FLOW HYDRAULICS/ TS1294 flared end - for high flow hydraulics

30

79K8

O RING 10 flat boss face

30

99K8

O-RING tapered boss face

31

ENGINE See Illustration ENGINE & GASKET KITS/ B16450

32

6700535

SPACER

33

6703981

MOUNT no space used

33

6703981

MOUNT W/Ref. 32

34

6CM1230

BOLT

35

6704322

MOUNT fuel filter

36

5CM1035

BOLT

37

6CM1235

BOLT

38

ALTERNATOR See Illustration ALTERNATOR/ C3312

39

6705711

BRACKET

40

83D5

NUT 5

41

6704918

SHIELD two piece rear door - bolts to hinge

42

17C820

BOLT hyd. pump mount - vertical

43

17C830

BOLT hyd. pump mount - horizontal

44

6703140

WASHER

45

6714890

SHIELD one piece rear door - bolts to upright

45

6731060

SHIELD one piece rear door - bolts to frame - Was 6717812 - A

46

84G3712

BOLT 5

47

MOULDING NLA - 5.5''(139,7 mm) long - Order Ref. 49

48

6654139

MOULDING bulk - sold per foot

49

84G3716

SCREW 5

Выбрано товаров: 55