Запчасти Bobcat 700s LIFT KIT (Single Point) ACCESSORIES & OPTIONS

Схема запчастей Bobcat 700s - LIFT KIT (Single Point) ACCESSORIES & OPTIONS
FIT
1:1
100%

Артикул

Название

Примечание

Количество

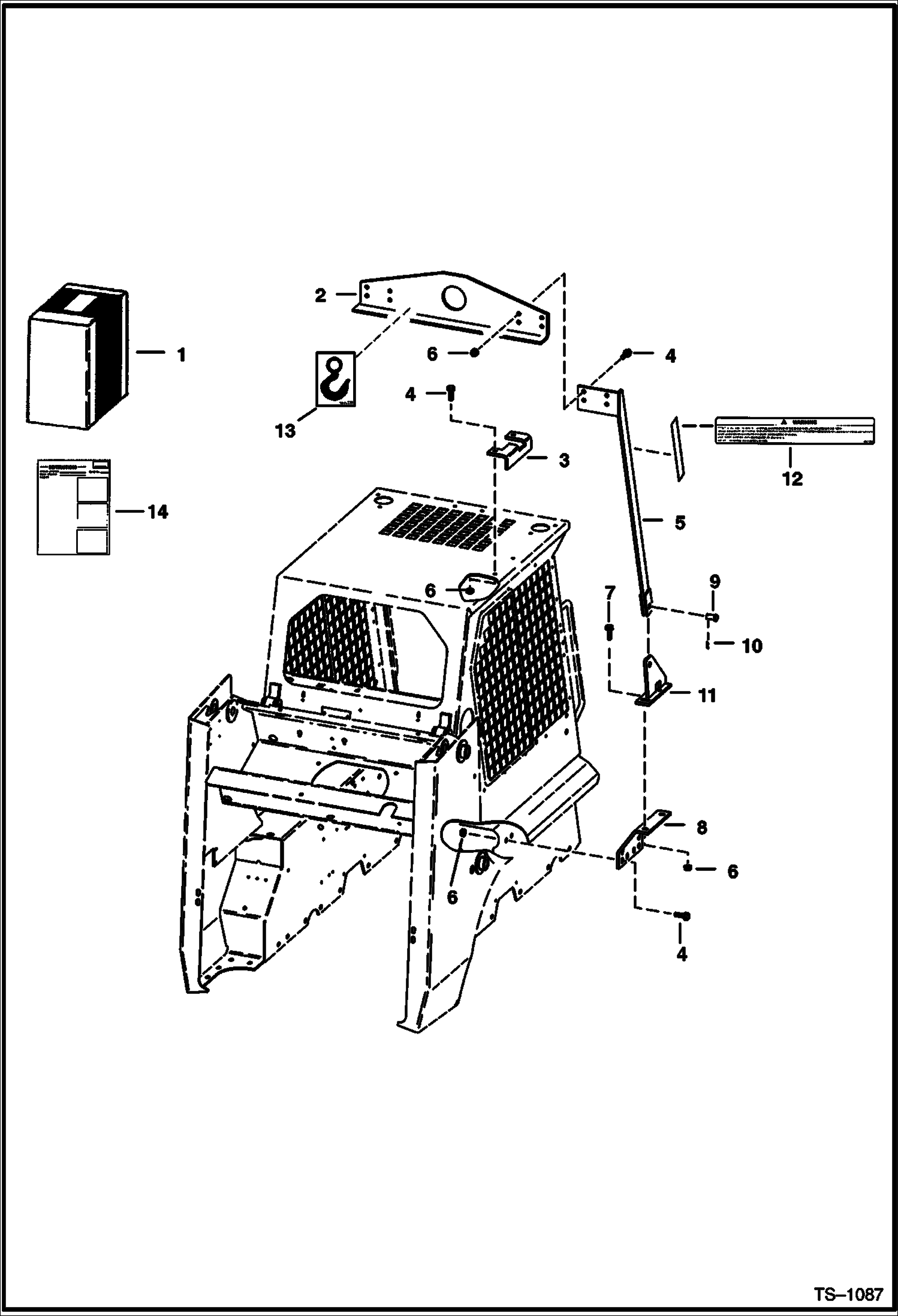
1

6704153

KIT Ref. 2-14

2

6567827

ANGLE

3

6704154

BRACKET L.H.

3

6704148

BRACKET R.H.

4

31C824

BOLT 10

5

6704146

BRACKET RH

5

6704147

BRACKET LH

6

57D8

NUT 10

7

31C828

BOLT

8

6704149

BRACKET

9

6567838

PIN

10

1320075

PIN, COTTER

11

6704151

BRACKET

12

6704786

DECAL, WARNING check before lifting

13

6533898

DECAL

14

6722105

INSTRUCTIONS

Выбрано товаров: 0