Запчасти Bobcat 700s MAIN FRAME MAIN FRAME

Схема запчастей Bobcat 700s - MAIN FRAME MAIN FRAME
FIT
1:1
100%

Артикул

Название

Примечание

Количество

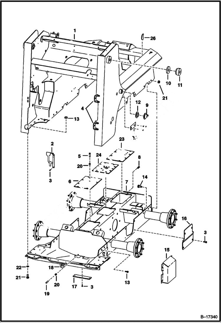
1

MAIN FRAME See BTI316 NLA - Was 6706842 - A

1

1

1

MAIN FRAME See BTI316 NLA - Was 6712403 - A

1

1

1

MAIN FRAME See BTI316 NLA - Was 6712516 - A

1

1

1

6714591

MAIN FRAME

2

SHEILD See Illustration ENGINE & ATTACHING PARTS/ B17205 ONE PIECE REAR DOOR

3

84G3712

BOLT 5

4

6708987

HINGE, WELD-ON for 1-piece rear door

4

6577394

BRACKET hinge - two piece rear door - weld on

5

6680970

BREATHER See Illustration DISC BRAKE/ TS1215 Was 6670627 - A

6

6700330

COVER See Illustration DISC BRAKE/ TS1215

7

CHAINCASE See Illustration DRIVE TRAIN/ B17290 See BTI359 NLA - WAS 6706916 - A

7

CHAINCASE See BTI359 NLA - Was 6712826 - A

8

6731121

PLUG chaincase fill - Was 11F000012B - A

9

6705047

BUSHING weld on

10

6702409

BUSHING weld on

11

6702959

BUSHING weld on

12

6707494

BUSHING weld on

13

31C824

BOLT 10

14

31C820

BOLT

14

31C820

BOLT

15

6703205

COVER

16

6733701

COVER Was 6704695 - A

17

6700182

COVER, DRAIN

18

6706485

HOOK tie down - weld-on - front & back

19

6599645

PLUG, STEEL chaincase drain

20

6553411

BUSHING

21

83D8

NUT 5

22

6701097

WASHER

23

6578505

COVER See Illustration DISC BRAKE/ TS1215

24

6706042

COVER See Illustration DISC BRAKE/ TS1215

25

6704680

COVER See Illustration HYDROSTATIC CIRCUITRY/ E2339 See Illustration HYDROSTATIC CIRCUITRY/ E2218

26

6707515

BRACE frame - weld on

Выбрано товаров: 38