Запчасти Bobcat 700s MAIN FRAME MAIN FRAME

Схема запчастей Bobcat 700s - MAIN FRAME MAIN FRAME
FIT
1:1
100%

Артикул

Название

Примечание

Количество

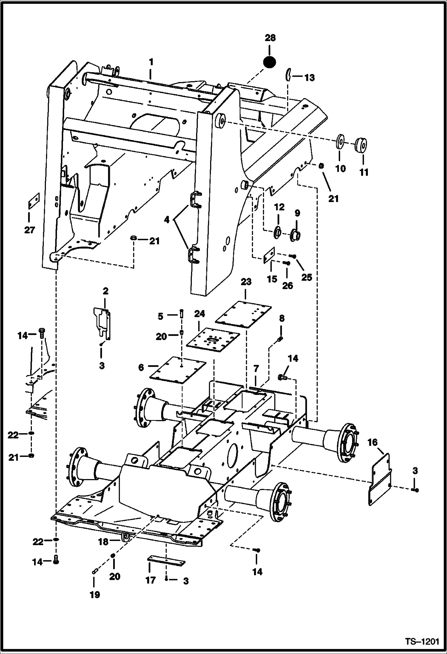
1

6714591

MAIN FRAME

2

6731060

SHIELD See Illustration ENGINE & ATTACHING PARTS/ E2098 WAS 6717812 - A

3

84G3712

BOLT 5

4

6708987

HINGE, WELD-ON

5

6680970

BREATHER See Illustration DISC BRAKE/ TS1449 WAS 6670627 - A

6

6700330

COVER See Illustration DISC BRAKE/ TS1449

7

6712826

CHAINCASE

8

6731121

PLUG chaincase fill - Was 11F000012B - A

9

6705047

BUSHING weld on

10

6702409

BUSHING weld on

11

6702959

BUSHING weld on

12

BUSHING NLA - weld on -Order 6725210 Bushing - Was 6707494 - A

12

12

12

6725210

BUSHING

12

6725210

BUSHING

12

6725210

BUSHING

13

6707515

BRACE frame - weld on

14

31C820

BOLT

15

6704680

COVER See Illustration HYDROSTATIC CIRCUITRY/ PE1036 5.16'' (131 mm) long

16

6733701

COVER Was 6704695 - A

17

6700182

COVER, DRAIN

18

6706485

HOOK tie down - weld-on - front & back

19

6599645

PLUG, STEEL chaincase drain

20

6553411

BUSHING

21

83D8

NUT 5

22

6701097

WASHER

23

6578505

COVER See Illustration DISC BRAKE/ TS1449

24

6706042

COVER See Illustration DISC BRAKE/ TS1449

25

84G3110

SCREW R.H. side - .62'' long

25

84G3112

BOLT 5 L.H. side - 3/4'' long

25

84G3710

SCREW 3/8 x .62''

26

17C620

BOLT Was 6717378 - A

27

6727837

COVER 5.5'' (139,7 mm) long - two hole threaded

28

6718796

PLUG

Выбрано товаров: 35