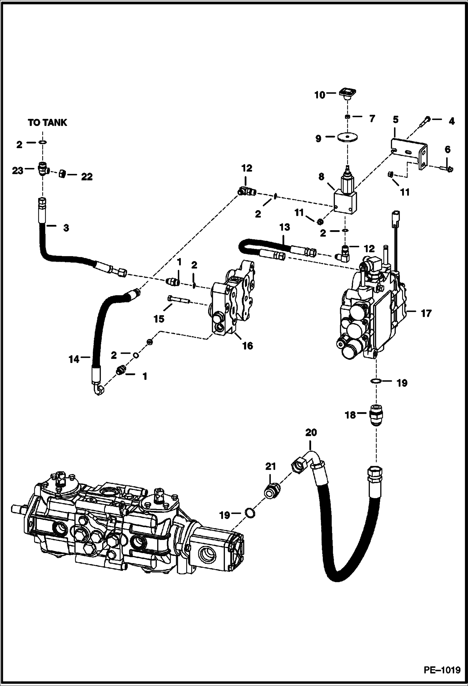
Запчасти Bobcat 700s MANUAL LIFT RELEASE SYSTEM (S/N 5122 50001-64899, 5124 50001-52199, 5126 20001 & Abv) HYDRAULIC SYSTEM

Схема запчастей Bobcat 700s - MANUAL LIFT RELEASE SYSTEM (S/N 5122 50001-64899, 5124 50001-52199, 5126 20001 & Abv) HYDRAULIC SYSTEM
FIT
1:1
100%

Артикул

Название

Примечание

Количество

1

ADAPTER NLA - W/Ref. 2 - tapered boss face - Was 15KV00005B - A

1

97K6

O RING flared end

1

15KB0606

FITTING, HYD CONNECTOR W/Ref. 2 - flat boss face

2

99K6

O RING tapered boss face

2

79K6

O RING 10 flat boss face

3

6719653

HOSE Was 6711656 - B,D

4

17C428

BOLT

5

6711280

MOUNT

6

35C416

BOLT Was 84G003716B - B,D

7

7D4

NUT

8

7230495

VALVE, LIFT MANUAL See Illustration MANUAL LIFT RELEASE VALVE/ PE1547 - manual lift release - Was 6667844 - A

9

6707101

SEAL neoprene

10

6737524

KNOB red square - Was 6668913 - A

11

83D4

NUT 10

12

ELBOW NLA - W/Ref. 2 - tapered boss face - Was 17KV00005B - A

12

97K6

O RING flared end

12

17KB0606

FITTING W/Ref. 2 - flat boss face

13

6535451

HOSE

14

6578804

HOSE

15

43C532

BOLT

16

6628571

VALVE ASSY See Illustration BICS CONTROL VALVE/ TS1365

17

VALVE See Illustration HYDRAULIC CONTROL VALVE/ TS2003 - control

18

ADAPTER NLA - W/Ref. 19 - tapered boss face - Was 15KN00008B - A

18

97K12

O'RING flared end

18

15KB1212

FITTING, HYD CONNECTOR W/Ref. 19 - flat boss face

19

99K12

O RING tapered boss face

19

79K12

O RING 10 flat boss face

20

6729145

HOSE Was 6712848 - A

21

ELBOW NLA - W/Ref. 19 - tapered boss face - Was 18KV00008B - A

21

97K12

O'RING flared end

21

18KB1212

FITTING, HYD ELBOW W/Ref. 19 - flat boss face

22

36K5

CAP

23

TEE NLA - W/Ref. 2 - tapered boss face - connects to bottom of hydraulic reservoir - Was 21KV00005B - A

23

97K6

O RING flared end - connects to bottom of hydraulic reservoir

23

21KB0606

FTG HYD STRAIGHT TEE W/Ref. 2 - flat boss face

Выбрано товаров: 35