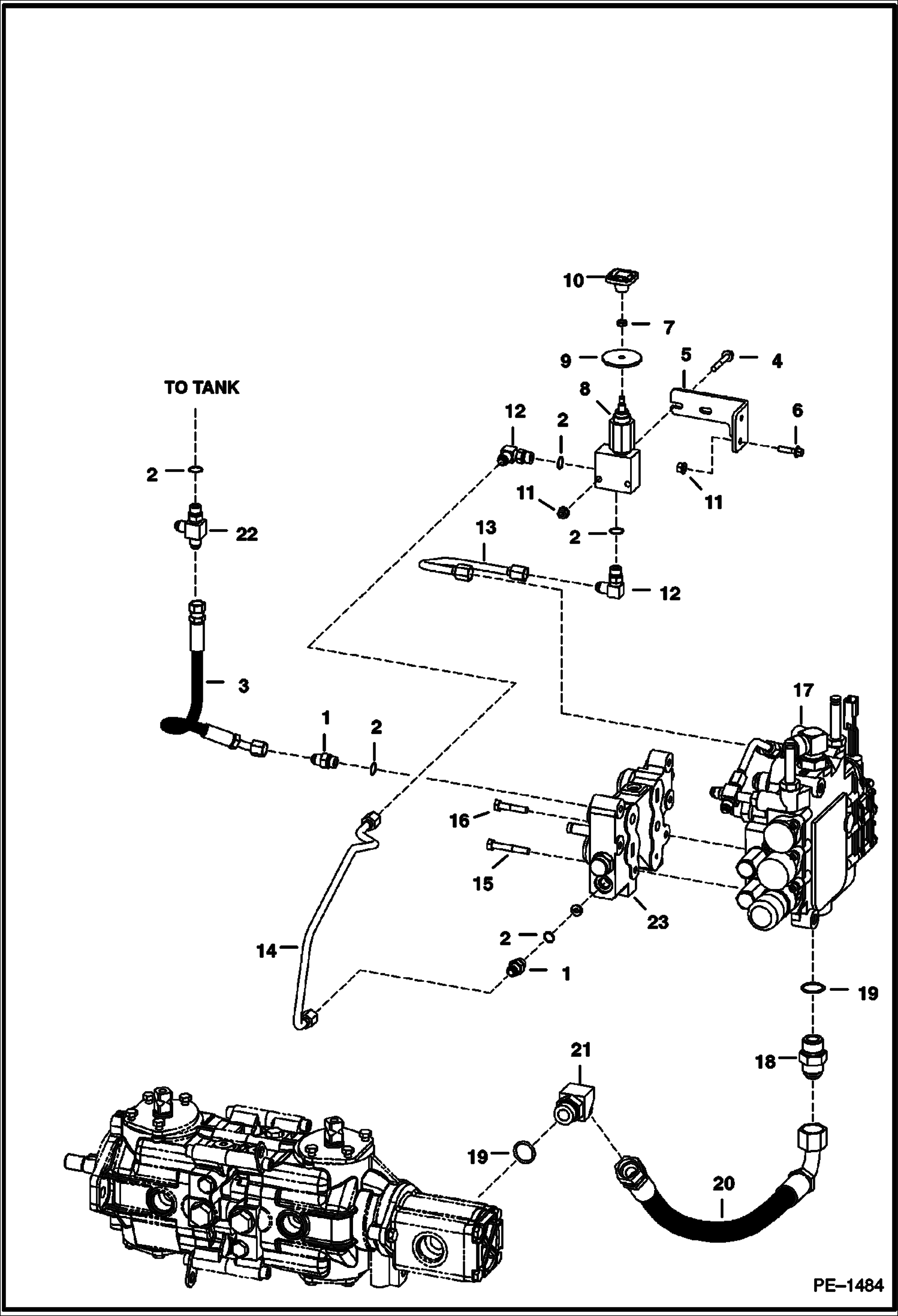
Запчасти Bobcat 700s MANUAL LIFT RELEASE SYSTEM (S/N 5122 64900 - , 5124 52200 - ) HYDRAULIC SYSTEM

Схема запчастей Bobcat 700s - MANUAL LIFT RELEASE SYSTEM (S/N 5122 64900 - , 5124 52200 - ) HYDRAULIC SYSTEM
FIT
1:1
100%

Артикул

Название

Примечание

Количество

1

ADAPTER NLA - W/Ref. 2 - tapered boss face - Was 15KV00005B - A

1

97K6

O RING flared end

1

15KB0606

FITTING, HYD CONNECTOR W/Ref. 2 - flat boss face

2

99K6

O RING tapered boss face

2

79K6

O RING 10 flat boss face

3

6801366

HOSE Was 6719653 - A

4

17C428

BOLT

5

6729908

MOUNT

6

35C416

BOLT

7

7D4

NUT

8

7230495

VALVE, LIFT MANUAL See Illustration MANUAL LIFT RELEASE VALVE/ PE1547 - manual lift release - Was 6667844 - A

9

6707101

SEAL neoprene

10

6737524

KNOB red square - Was 6668913 - A

11

83D4

NUT 10

12

ELBOW NLA - W/Ref. 2 - tapered boss face - Was 17KV00005B - A

12

97K6

O RING flared end

12

17KB0606

FITTING W/Ref. 2 - flat boss face

13

6727702

TUBE

14

6729909

TUBE

15

43C532

BOLT See Illustration BICS CONTROL VALVE/ TS1365

16

43C524

BOLT See Illustration BICS CONTROL VALVE/ TS1365

17

VALVE CONTROL

18

ADAPTER NLA - W/Ref. 19 - flat boss face W/flared end O-ring - Was 6812646 - A

18

97K12

O'RING flared end

18

15KB1212

FITTING, HYD CONNECTOR W/Ref. 19 - flat boss face

19

99K12

O RING tapered boss face

19

79K12

O RING 10 flat boss face

20

6729145

HOSE

21

ELBOW NLA - W/Ref. 19 - tapered boss face - Was 18KV00008B - A

21

97K12

O'RING flared end

21

18KB1212

FITTING, HYD ELBOW W/Ref. 19 - flat boss face

22

TEE NLA - W/Ref. 19 - tapered boss face - Was 21KV00005B - A

22

97K6

O RING flared end

22

21KB0606

FTG HYD STRAIGHT TEE W/Ref. 2 - flat boss face

23

6628571

VALVE ASSY See Illustration BICS CONTROL VALVE/ TS1365

Выбрано товаров: 35