Запчасти Bobcat 700s HYDROSTATIC CIRCUITRY (S/N 5122 50001-64899, 5124 50001-52199, 5126 20001 & Abv) HYDROSTATIC SYSTEM

Схема запчастей Bobcat 700s - HYDROSTATIC CIRCUITRY (S/N 5122 50001-64899, 5124 50001-52199, 5126 20001 & Abv) HYDROSTATIC SYSTEM
FIT
1:1
100%

Артикул

Название

Примечание

Количество

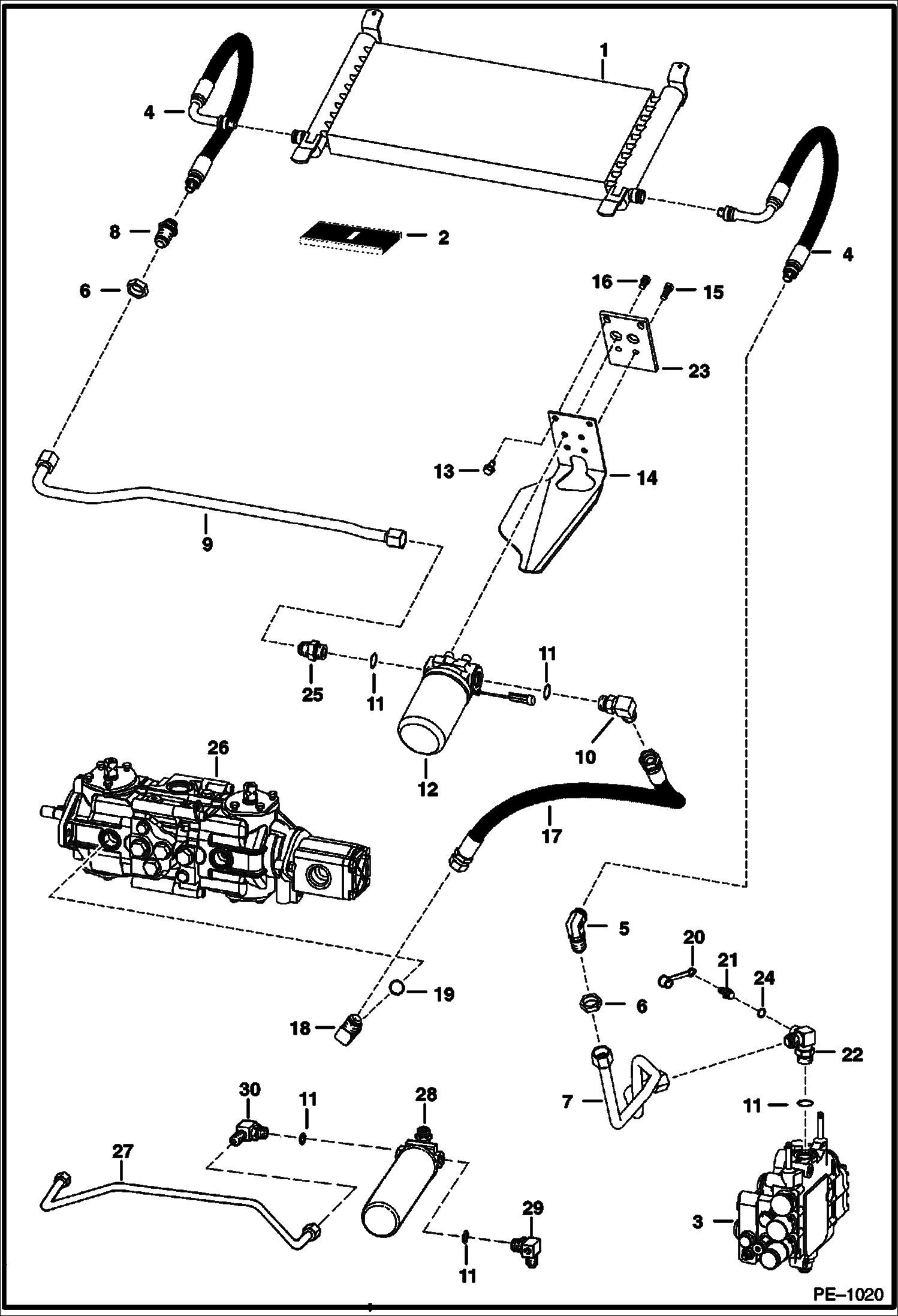
1

6674150

EXCHANGER, OIL COOLER

2

6674798

REPAIR KIT For Ref. 1, 5 or 8 - incluedes internal retainer ring (1) backup ring (1) & o-ring (1)

3

VALVE See Illustration HYDRAULIC CONTROL VALVE/ TS1409

4

6673828

HOSE, HYD ASSY

5

6670831

ELBOW STC

5

97K12

O'RING flared end

5

6690949

O-RING

6

86F8

NUT 5

7

6712711

TUBE Was 6708748 - B

8

6670830

ADAPTER

8

97K12

O'RING flared end

8

6690949

O-RING

9

6727347

TUBE 5 bends

10

ELBOW NLA - W/Ref. 11 - tapered boss face - Was 17KV00008B - A

10

97K12

O'RING flared end

10

17KB1212

FITTING, HYD ELBOW W/Ref. 19 - tapered boss face

11

99K12

O RING tapered boss face

11

79K12

O RING 10 flat boss face

12

6676969

FILTER See Illustration HYDROSTATIC OIL FILTER/ NA1844 assy - Use W/Ref. 10 & 25

12

6661248

FILTER, OIL HYD 12 #3 media - 152,4 mm (6'') long

13

84G3712

BOLT 5

14

6727345

MOUNT filter drain - Was 6704342 - A

15

17C616

BOLT 5

16

17C610

BOLT

17

6704159

HOSE

18

17KB1210

FITTING, HYD ELBOW W/Ref. 19 - Was 6714901 - A

19

79K10

O RING 10

20

6630367

CAP

21

6630168

COUPLER W/Ref. 24 - diagnostic

22

6715653

TEE W/Ref. 11 - check boss face to determine correct replacement o-ring

22

97K12

O'RING flared end

23

6704341

MOUNT

24

99K6

O RING

25

ADAPTER NLA - W/Ref. 11 - tapered boss face - Was 15KV00008B - A

25

97K12

O'RING flared end

25

15KB1212

FITTING, HYD CONNECTOR W/Ref. 11 - flat boss face

26

PUMP See Illustration HYDROSTATIC PUMP/ D2377

27

6704155

TUBE 4 bends

28

6661247

FILTER See Illustration HYDROSTATIC OIL FILTER/ C2818 assy - Use W/Ref. 29 & 30

28

6661248

FILTER, OIL HYD 12 #3 media - 152,4 mm (6'') long

29

6718661

ELBOW W/Ref. 11 - .375-24-2B straight thread O-ring boss on side port - Was 6715655 - B,D

29

97K12

O'RING flared end

30

6700599

ELBOW W/Ref. 11 - .5625-18UNF internal threads on top port - Was 6715714 - B,D

30

97K12

O'RING flared end

Выбрано товаров: 44