Качественные детали и логистика
Оригинальные и аналоговые запчасти с доставкой по России, Казахстану и Беларуси
©2022 PartSell ООО "Система" ИНН 2463123282 ОГРН 1212400004838
Центральный офис: г. Красноярск, Академика Киренского, д.87, пом.4
Телефон: 8 (800) 777-65-74 Email: zakaz@partsell.ru
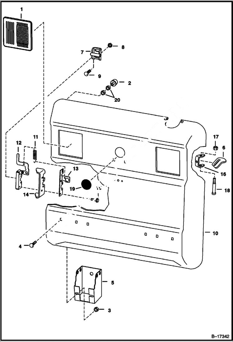
REAR DOOR (One Piece) (S/N 5122 25976 & Abv, 5124 41138 & Abv, 5126 12659 & Abv)
№
Артикул
Название
Примечание
Количество
1
6670287
COVER
2
BUMPER NLA - Order 6655399 Bumper & (2) of Ref. 20 - Was 6714454 - A
6655399
BUMPER
3
55D6
NUT
4
37C612
BOLT
5
6715318
TOOL HOLDER Was 6714064 - A
6
6714126
DOOR STOP
7
6715157
STRIKER ASSY. Was 6579969 - A
8
57D8
NUT 10
9
37C820
BOLT carriage
BOLT NLA - hex socket - Was 25G000820B - A
10
REAR DOOR See BTI357 NLA - Was 6711524 - A
11
6714210
SPRING
12
6670867
LATCH, REAR DOOR
13
6711664
GUIDE, LATCH latch
14
6700279
BRACKET weld-on
15
31C420
BOLT 5
16
6733575
HINGE, REAR DOOR weld on - Was 6711526 - A
17
59D6
18
38C856
19
6718796
PLUG Was 6660646 - A
20
61D5
Выбрано товаров: 0