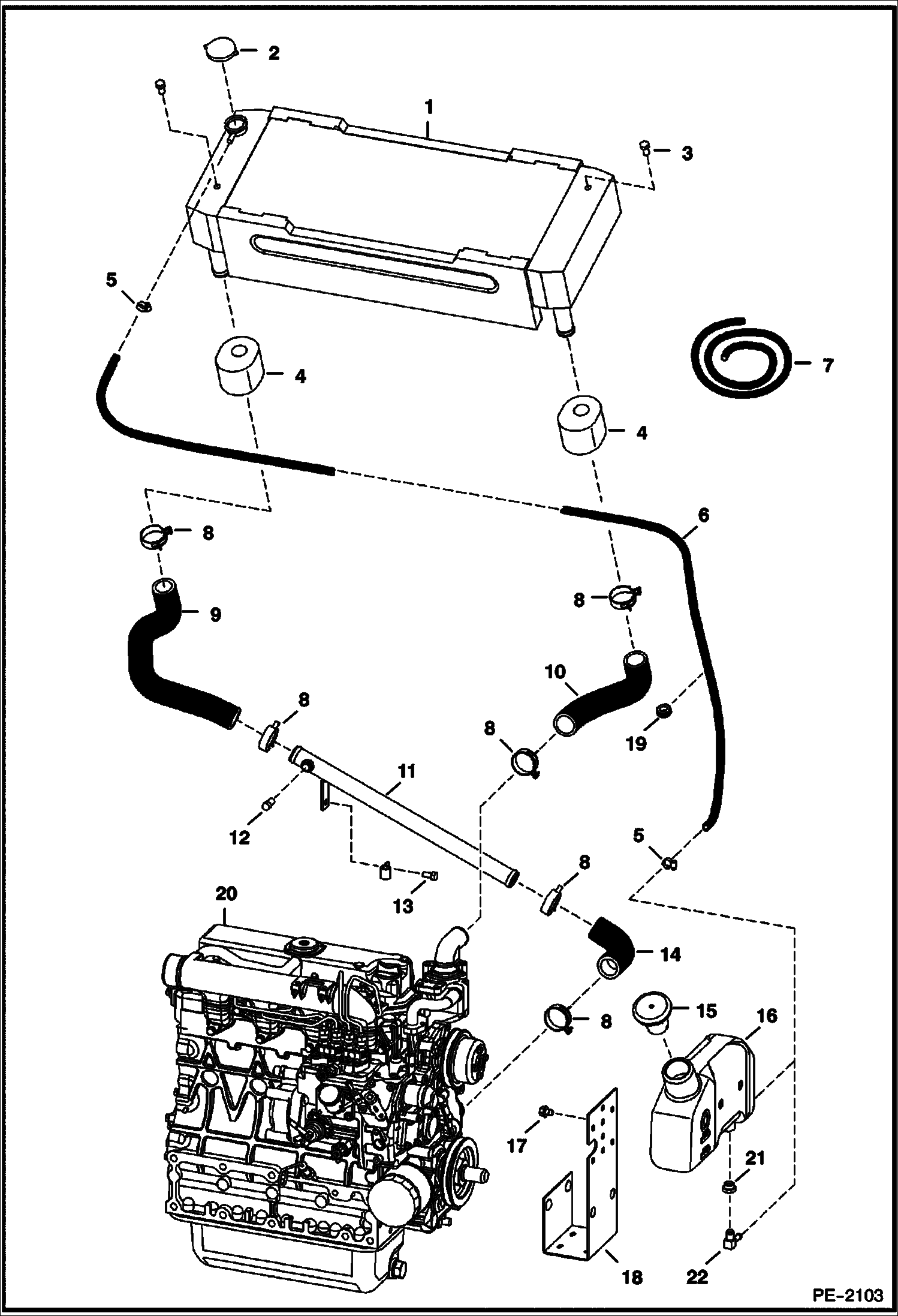
Запчасти Bobcat 700s ENGINE & ATTACHING PARTS (Radiator Water Exchanger) POWER UNIT

Схема запчастей Bobcat 700s - ENGINE & ATTACHING PARTS (Radiator Water Exchanger) POWER UNIT
FIT
1:1
100%

Артикул

Название

Примечание

Количество

1

6666384

EXCHANGER, WATER RADIATOR

2

6646678

CAP 14 psi

3

6704753

PLUG brass - .25''

4

6726433

SPACER Was 6704829 - A

5

42HS04

CLAMP, HOSE Was 6515575 - A

6

HOSE NLA - 62''(1574,8 mm) long - Order Ref. 7

7

6667189

HOSE bulk - Sold Per Foot

8

6518820

CLAMP worm gear

8

5HM42

HOSECLAMP constant tension

9

6578279

HOSE

10

6578280

HOSE

11

6730999

TUBE ASSY W/Ref. 12 - Was 6576029 - A

12

40K6

PLUG

13

17C612

BOLT 5

14

6576028

HOSE

15

6702797

CAP

16

6576660

TANK, WATER COOLANT W/bottom molded barbed elbow

17

84G3708

SCREW

18

6709415

MOUNT

19

1303932

GROMMET

20

ENGINE

21

6553411

BUSHING alternate design

22

6553412

ELBOW alternate design

Выбрано товаров: 23