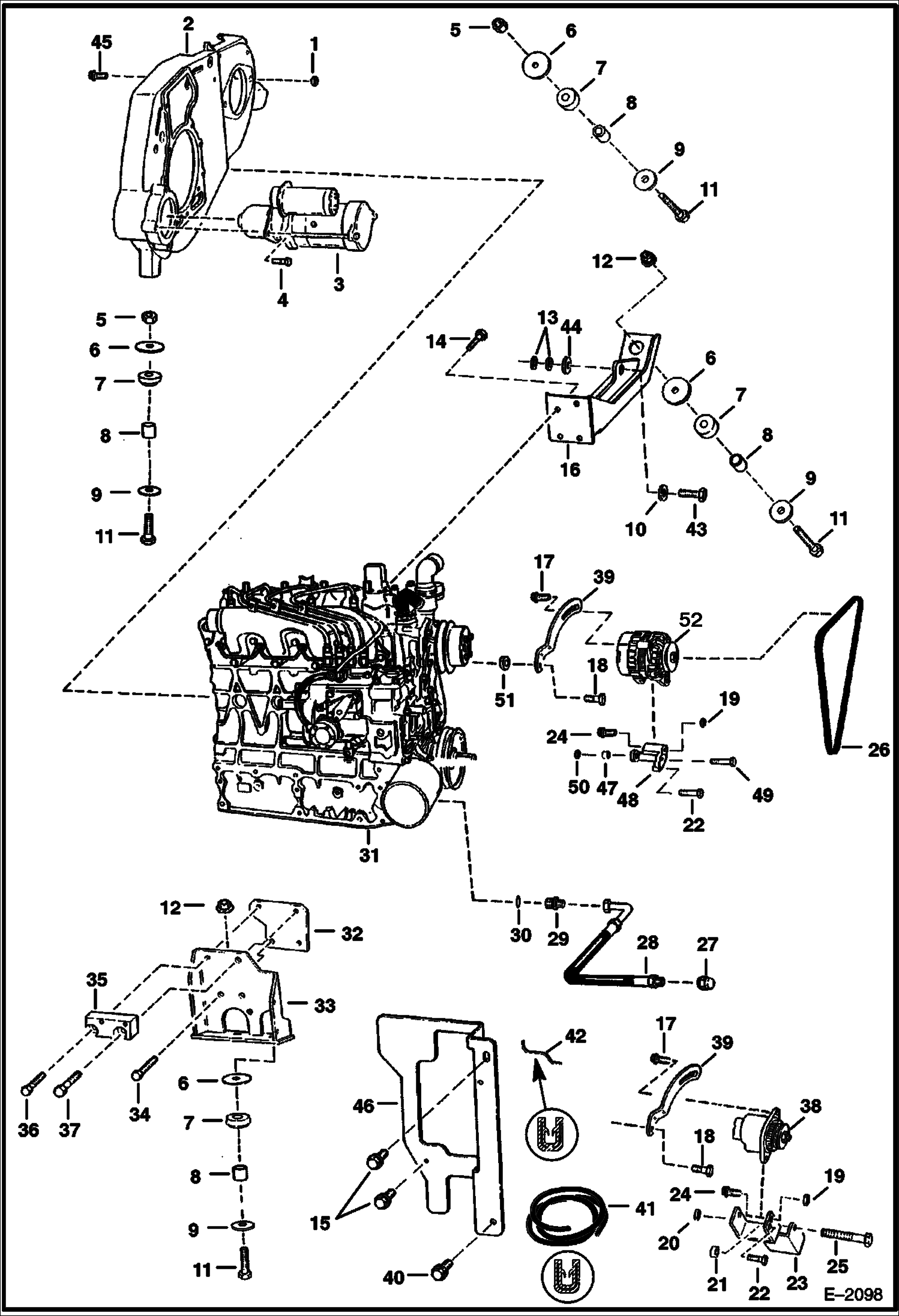
Запчасти Bobcat 700s ENGINE & ATTACHING PARTS (Engine Mounts) POWER UNIT

Схема запчастей Bobcat 700s - ENGINE & ATTACHING PARTS (Engine Mounts) POWER UNIT
FIT
1:1
100%

Артикул

Название

Примечание

Количество

1

85D8

NUT, 5

2

MOUNT See Illustration ENGINE & ATTACHING PARTS/ B16489

3

STARTER See Illustration STARTER/ D2297

4

35C620

BOLT 5

5

6652918

NUT

6

6705106

WASHER

7

6661785

MOUNT, ENG

8

6706043

SPACER

9

6661787

WASHER

10

742640

WASHER .25'' thick - (17C-830 Bolt) - Use W/Ref. 43

10

6716408

SPACER .40'' thick - (47C-832 Bolt) - Use W/Ref. 43

10

6728337

SPACER .58'' thick - (6675221 Bolt) - Use W/Ref. 43

10

6734432

SPACER 1.0'' thick

11

43C852

BOLT Was 43C000848B - B

12

83D8

NUT 5

13

25E21

WASHER 5 Use 2 max.

14

6719827

BOLT Was 6CM01225B - B

15

84G3712

BOLT 5

16

7104568

MOUNT engine & hyd. pump - for horizontal hardware mounting of hydrostatic pump - Was 6712161 - A

17

35C516

BOLT 10

18

1CM870

BOLT

18

29CM820

SCREW 90 amp. alt.

19

57D5

NUT

20

85D6

NUT, 5

21

6568877

WASHER

22

1CM890

BOLT

23

6562257

MOUNT

24

17C556

BOLT

25

17C648

BOLT 5

26

6704720

BELT, ALT alternator

26

6704720

BELT, ALT

26

6675837

BELT, ALT 90 amp

26

6675837

BELT, ALT 90 amp

27

36K6

CAP

28

6704012

HOSE See Illustration HIGH FLOW HYDRAULICS/ TS1555 FOR HIGH HORSEPOWER HYDRAULICS

29

15K6

ADAPTER See Illustration HIGH FLOW HYDRAULICS/ TS1555 W/Ref. 30 - FLAT BOSS FACE - FOR HIGH HORSEPOWER HYDRAULICS

29

ADAPTER NLA - W/Ref. 30 - tapered boss face - Was 15KN00006B - A

29

97K8

O-RING See Illustration HIGH FLOW HYDRAULICS/ TS1555 flared end - for high flow hydraulics

29

15KB0808

FITTING, HYD CONNECTOR W/Ref. 30 - flat boss face

30

79K8

O RING 10 flat boss face

30

99K8

O-RING tapered boss face

31

ENGINE See Illustration ENGINE & GASKET KITS/ B16450

32

6700535

SPACER

33

6703981

MOUNT W/Ref. 32

34

6719828

BOLT Was 6CM01230B - B

35

6704322

MOUNT fuel filter

36

6719826

BOLT Was 5CM01035B - B

37

6719829

BOLT Was 6CM01235B - B

38

ALTERNATOR See Illustration ALTERNATOR/ C3312

39

6705711

BRACKET alt.

39

6727084

BRACKET alt. - 90 amp.

40

84G3716

SCREW 5

41

6654139

MOULDING bulk - sold per foot

42

MOULDING NLA - 5.5''(139,7mm)long - Order Ref. 41

43

17C830

BOLT hyd. pump bolt - 1.875''(47,6 mm) long

43

47C832

BOLT hyd. pump bolt - 2''(50,8 mm) long

43

6675221

BOLT hyd. pump bolt - 2.25''(57,2 mm) long

44

6703140

WASHER

45

17C828

BOLT

46

6731060

SHIELD Was 6717812 - A

47

6675838

BUSHING 90 amp. alt.

48

6725427

BRACKET 90 amp. alt.

49

1CM8100

SCREW

50

53DM8

NUT

51

6E5

WASHER 90 amp. alt.

52

ALTERNATOR See Illustration ALTERNATOR/ C3529 90 amp.

Выбрано товаров: 66