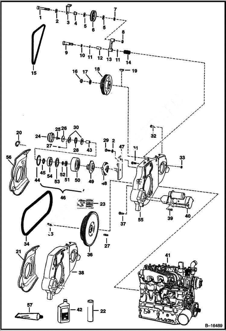
Запчасти Bobcat 700s ENGINE & ATTACHING PARTS (Belt Drive System) POWER UNIT

Схема запчастей Bobcat 700s - ENGINE & ATTACHING PARTS (Belt Drive System) POWER UNIT
FIT
1:1
100%

Артикул

Название

Примечание

Количество

1

73G656

SCREW

2

6704484

WASHER thrust

3

6702474

RETAINER fan drive idler belt

4

6704443

BUSHING spacer

5

6660995

GREASE RING grease

6

6662997

PULLEY, FAN DRIVE IDLER fan drive idler

7

6704444

WASHER

8

61D6

NUT 5

9

38C820

SCREW shoulder

10

6655781

BEARING

11

6704820

O-RING

12

6670682

BEARING nylon

13

6725212

ARM W/Ref. 12 - Was 6703507 - A

14

6700115

SPRING, TORSION

15

BELT See Illustration COOLING SYSTEM/ PE1348 - Ref. 25 - fan drive

16

92D12

NUT

17

6576033

WASHER

18

6704424

PULLEY, PUMP HYD 7.40'' (188 mm) dia. - to hyd. pump - 3 groove

18

6726539

PULLEY 7.95'' (202 mm) dia. - to hyd. pump - 3 groove

19

6J807

KEY, WOODRUFF

19

6682261

KEY square key

20

6703022

CLIP

21

6704450

SHIELD Use W/Ref. 18 (6704424 Pulley)

21

7109712

SHIELD Use W/Ref. 18 (6726539 Pulley) - Was 6726938 - A

22

6903122

GREASE, MULTI PURPOSE #2 - 10 Use W/Ref. 46 - Was 6599719 - A

23

6709030

DECAL belt tension - spring loaded idler

24

6708770

CAP dust

25

43C610

BOLT pre-applied thread locker - Was 17C610 - B

26

6705232

WASHER

27

6713370

PIN

28

6710585

WASHER wave spring

29

17C620

BOLT

30

6705231

WASHER

31

6719828

BOLT Was 6CM01230B - B

32

17C828

BOLT hyd pump mount

33

85D8

NUT, 5

34

6672021

BELT, DRIVE pump drive - 3 groove - Use W/Ref. 18 (6704424 Pulley)

34

6726898

BELT pump drive - 3 groove - Use W/Ref. 18 (6726539 Pulley)

35

6598275

BOLT Was 6652487 - A

36

6715165

FLYWHEEL W/Ring Gear & Ref. 42-3 groove

36

6510470

RING GEAR

36

6726933

FLYWHEEL ASSY W/Ring Gear & Ref. 42-3 groove

36

6510470

RING GEAR

37

6719825

BOLT Was 5CM01025B - B

38

MOUNT NLA - Use W/Ref. 18 (6704424 Pulley) - Order Ref. 55 & 56 - It may be necessary to reposition the battery and battery pan - Was 6700541 - A

38

6726613

MOUNT, ENG Use W/ref. 18 (6726539 Pulley) - Was 6728062 - A

39

35C620

BOLT 5

40

STARTER See Illustration STARTER/ D2297

41

ENGINE See Illustration ENGINE & GASKET KITS/ B16450

42

6661405

OIL

43

6682442

SLEEVE bronze sleeve - Was 6704393 - A

44

6658847

RING

45

6658536

RING

46

6735884

IDLER ASSY. SPRING LOADED - REF. 24 - 28, 30, 43 - 45 & 47 - 54 - Also Order Ref. 23 - Was 6711698 - A

46

6714212

PULLEY ASSY. Ref. 49-53

47

6735883

BRACKET Was 6708767 - A

48

6705491

SPRING torsion

49

6711699

HUB ASSY.

50

6704391

PULLEY idler

51

6685735

SEAL Was 6661112 - A

52

6703168

BEARING thrust

53

6664209

SEAL

54

6668114

BEARING ball

55

6726613

MOUNT, ENG Was 6728062 - A

56

7109712

SHIELD Was 6726938 - A

57

6633583

SEALANT, POLYURETHANE 300 ML

Выбрано товаров: 66