Качественные детали и логистика
Оригинальные и аналоговые запчасти с доставкой по России, Казахстану и Беларуси
©2022 PartSell ООО "Система" ИНН 2463123282 ОГРН 1212400004838
Центральный офис: г. Красноярск, Академика Киренского, д.87, пом.4
Телефон: 8 (800) 777-65-74 Email: zakaz@partsell.ru
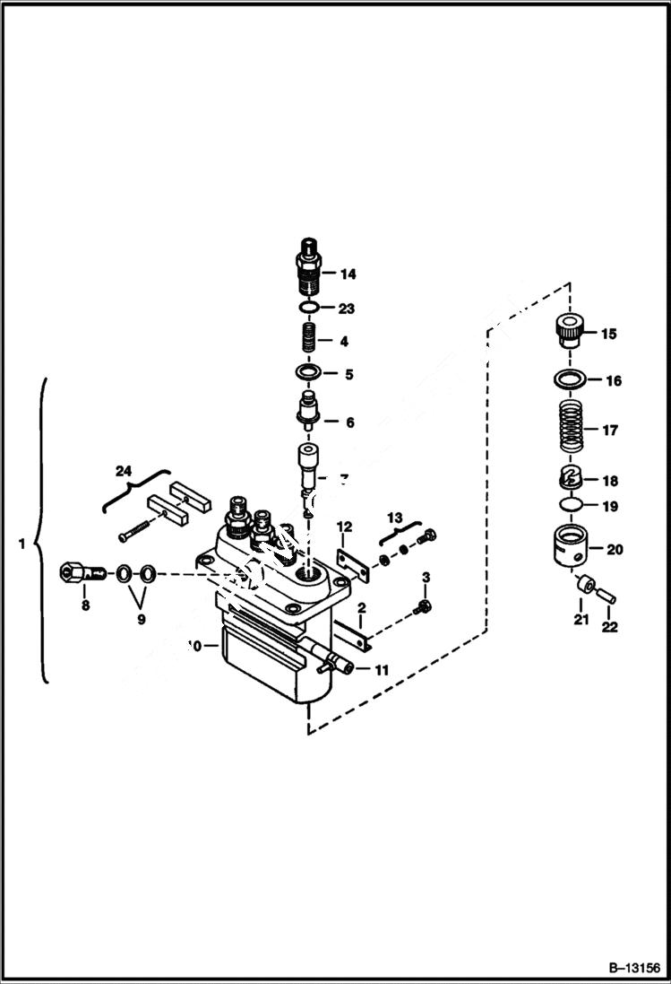
INJECTION PUMP
№
Артикул
Название
Примечание
Количество
1
PUMP NLA - injection - Order 7020869 pump, 7019023 bolt, 6513707 joint & (2) 7019024 gaskets - Was 6674676 - A
2
6655207
PLATE adjust
3
6655206
BOLT
4
6655203
SPRING delivery valve
5
3974368
GASKET delivery valve
6
6655202
VALVE delivery
7
6655201
ELEMENT pump
8
3975428
BOLT, EYE 14MM
9
3975389
GASKET Was 6698120 - B,D
10
HOUSING NSS - pump
11
3974787
RACK control
12
6655209
PLATE adjusting
13
3974366
14
6655204
HOLDER delivery valve
15
6653894
SLEEVE control
16
3974381
SEAT spring - Upper
17
3974382
SPRING plunger
18
3974383
SEAT spring - Under
19
3974384
SHIM
20
3974385
TAPPETASY W/Ref. 21 & 22
21
ROLLER NSS
22
PIN NSS
23
6646730
O-RING Was 6655518 - A
24
6655205
PLATE ASSY.
Выбрано товаров: 0