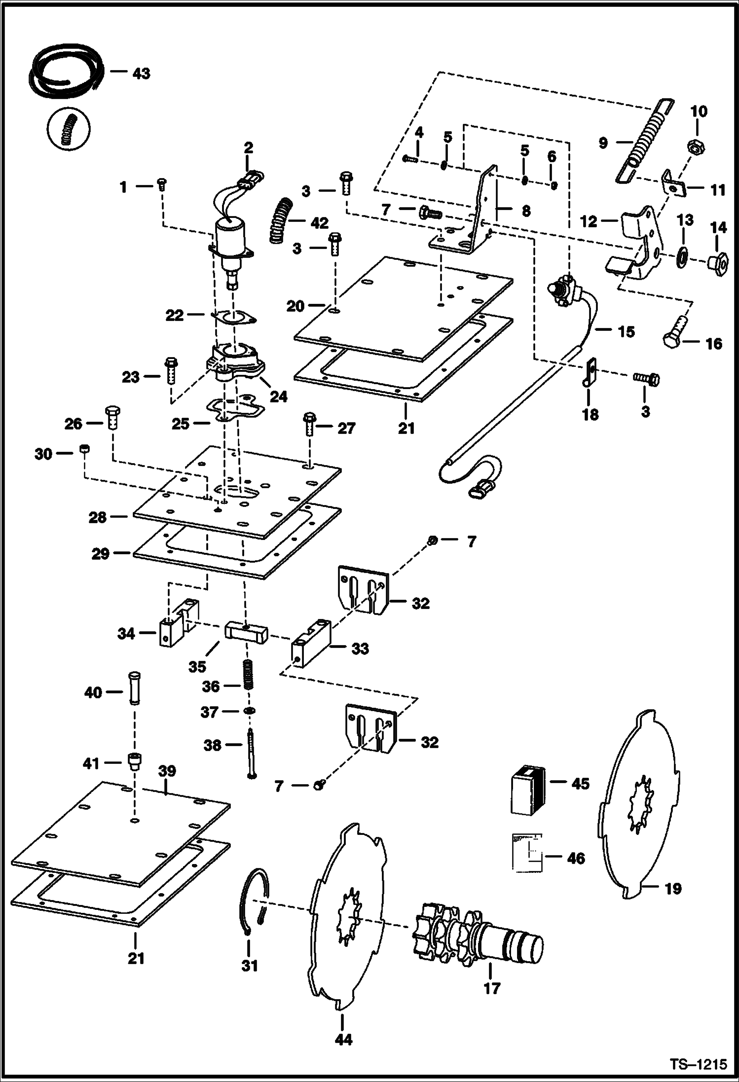
Запчасти Bobcat 700s DISC BRAKE (S/N 5122 18843 & Below, 5124 40645 & Below, 5126 12191 & Below) DRIVE TRAIN

Схема запчастей Bobcat 700s - DISC BRAKE (S/N 5122 18843 & Below, 5124 40645 & Below, 5126 12191 & Below) DRIVE TRAIN
FIT
1:1
100%

Артикул

Название

Примечание

Количество

1

17C412

BOLT 5 Was 17C000410B - B

2

6681512

SOLENOID W/Ref. 42 - Was 6667992 - A

3

84G3712

BOLT 5

4

23G812

SCREW

5

25E8

WSHR

6

12D8

NUT

7

17C610

BOLT

8

6707313

PEDAL MOUNT

9

6585860

SPRING

10

95D6

NUT Was 91D000006B - A

11

6707315

ANGLE

12

6707314

PEDAL brake

13

6700170

WASHER plastic

14

6559479

NUT

15

6707337

SWITCH, LOCK TRACTION

16

17C620

BOLT

17

6705065

SHAFT, TRANS See Illustration MOTOR CARRIER/ MC1937

18

30H23

CLAMP

19

BRAKE NLA - disc - 4 lobe - Order Ref. 45 - Was 6707254 - A

20

6578505

COVER

21

6703097

GASKET, TRANS COVER

22

6706737

GASKET

23

84G3720

BOLT

24

6706718

MOUNT

25

6708016

GASKET

26

17C820

BOLT

27

84G3716

SCREW 5

28

6706042

COVER

29

6706968

GASKET

30

6544654

BUSHING spacer - .31'' (7.87 mm)

31

6658672

SNAP RING

32

6708015

GUIDE disc brake - Was 6708977 - B,D

33

6705898

BLOCK guide - R.H. - Was 6719056 - B,D

34

6705897

BLOCK guide - L.H. - Was 6719057 - B,D

35

6705896

GUIDE 4 lobe brake disc

35

6714278

WEDGE, LOCK TRACTION 6 lobe brake disc

36

6708018

SPRING Was 6706050 - A

37

25E13

WASHER 5

38

6708267

BOLT Was 6706739 - A

39

6700330

COVER

40

6680970

BREATHER See Illustration MAIN FRAME/ B17340 Was 6670627 - A

41

6553411

BUSHING

42

CONDUIT NLA - 5'' (127 mm) long - Order Ref. 43

43

6584978

CONDUIT bulk - sold per foot

44

7120111

BRAKE, DISC disc - 6 lobe - Was 6716228 - A

45

6717734

KIT 6 lobe disc brake - W/Ref. 35 (6714278 Guide) & (2) of Ref. 44 - Also includes Ref. 46

46

6900805

INSTRUCTIONS

Выбрано товаров: 47