Запчасти Bobcat 700s CONTROLS ELECTRICAL (Advanced Hand Controls Option) ELECTRICAL SYSTEM

Схема запчастей Bobcat 700s - CONTROLS ELECTRICAL (Advanced Hand Controls Option) ELECTRICAL SYSTEM
FIT
1:1
100%

Артикул

Название

Примечание

Количество

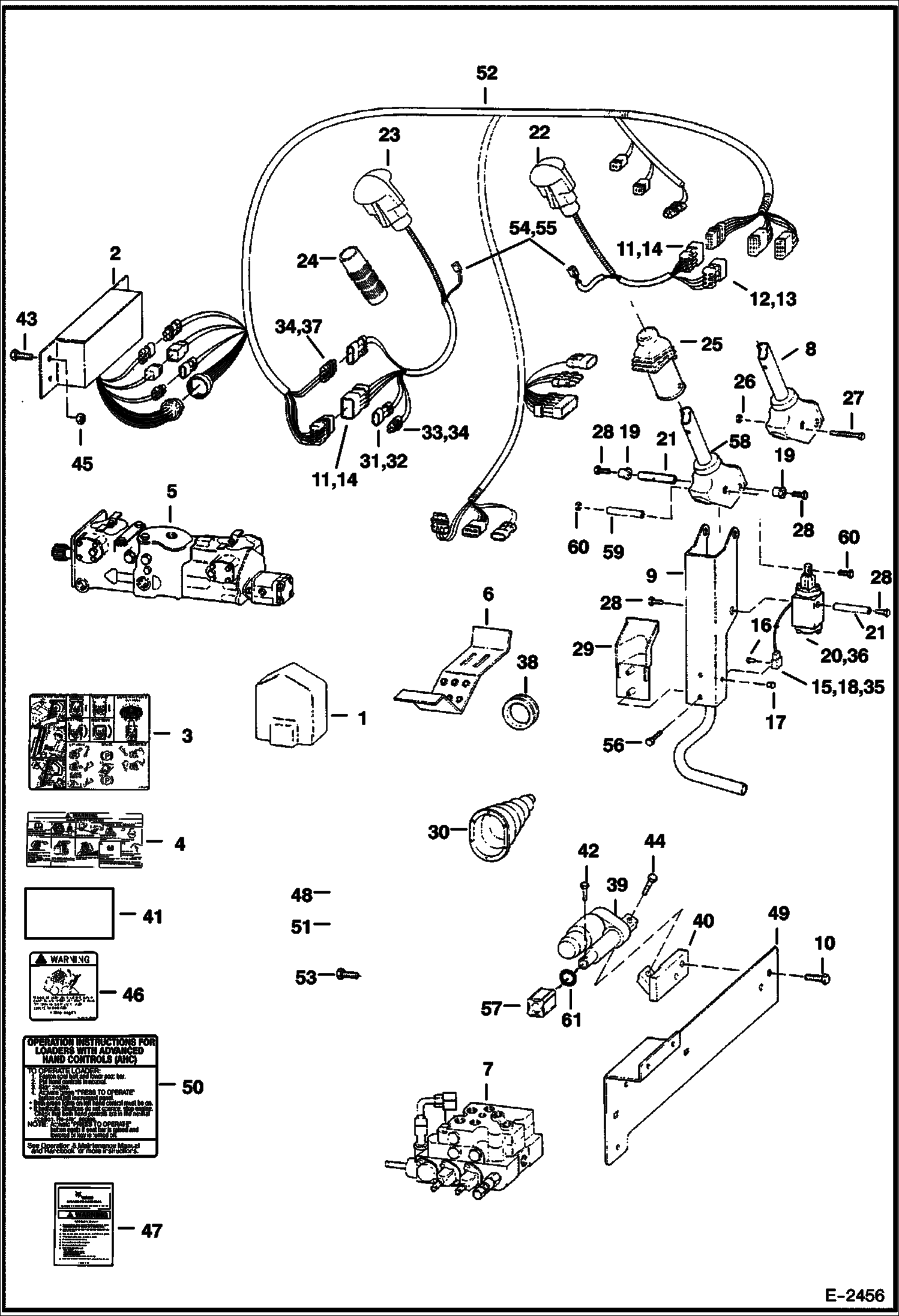
1

6680445

CONTROLER Was 6674224 - A

2

6675129

CONTROLLER, AHC Was 6674211 - A

3

6715940

DECAL operation

4

6715941

DECAL warning

5

PUMP

6

6712365

STEP

7

VALVE See Illustration HYDRAULIC CONTROL VALVE/ B17295 AHC

8

HANDLE NLA - R.H. - Order Ref. 58, 59 & (2) of Ref. 60 - Was 6597774 - A

8

HANDLE NLA - L.H. - Order Ref. 58, 59 & (2) of Ref. 60 - Was 6717163 - A

9

6717055

LEVER R.H.

9

6717056

LEVER L.H.

10

6717378

BOLT

11

6640696

CONNECTOR 8-pin

12

6641173

CONNECTOR 6-pin

13

6641181

LOCK 6-pin

14

6661183

LOCK

15

6665000

CLIP

16

6665321

RIVET male

17

6665322

RIVET female

18

6670706

CONNECTOR 3-pin

19

6702990

BUSHING

20

CONTROL See Illustration HAND CONTROL KIT/ PE1373 NLA - tilt - R.H. - Order 6727297 AHC kit - Was 6712398 - A

21

6713043

SPACER

22

6680459

HNDL/TILT AHC R.H. - Was 6675515 - A

22

6640690

PIN

22

6670715

PIN

22

6641176

SEAL

22

6680447

DECAL Was 6677370 - A

23

6680463

HANDLE L.H. - Was 6713262 - A

23

6640690

PIN

23

6640691

PIN

23

6641176

SEAL

23

6680447

DECAL Was 6677370 - A

24

GRIP NLA - Order 6702621 Grip & cut to 2.8'' (71,1 mm) long - Was 6703349 - A

24

6702621

GRIP

25

6680471

COVER Was 6713898 - A

26

12D10

NUT Use W/Ref. 27

27

6716826

BOLT Use W/Ref. 8

28

25GT410

SCREW

29

6715957

COVER

30

6532127

BOOT

31

6640699

CONNECTOR 3-pin

32

6640700

LOCK

33

6641178

CONNECTOR 2-pin

34

6641180

LOCK Use W/ 2-pin connector

35

6670710

LOCK

36

CONTROL See Illustration HAND CONTROL KIT/ PE1373 NLA - lift - L.H. - Order 6727297 AHC kit - Was 6712397 - A

37

6641179

CONNECTOR 2-pin

38

6714726

GROMMET

39

ACTUATOR See BTI364 NLA - tail mount - Order 7104842, see BTI 364 before ordering - Was 6678776 - A

39

7104842

ACTUATOR direct mount - W/Ref. 61

40

6717567

MOUNT actuator

41

6715991

DECAL fuse - AHC

42

6716052

PIN

43

17C412

BOLT 5

44

38C606

BOLT

45

61D4

NUT 5

46

6715944

DECAL

47

6708158

HANDBOOK, OPERATOR'S W/WIRE ROPE AHC

48

6704436

PAD

49

6716902

MOUNT

50

6717639

DECAL operation - W/seat sensor - Was 6717043 - A

50

6717639

DECAL operation - W/O seat sensor

51

4E4

WASHER

52

6718889

HARNESS AHC - Was 6717177 - A

52

6718888

HARNESS AHC - High Horsepower Hydraulics

52

6717569

DIODE 6 amp

53

6717378

BOLT

54

6670707

CONNECTOR 3-pin

55

6670711

LOCK

56

6669224

BOLT

57

6664286

BOOT Was 6675280 - A

58

6729594

HANDLE RH

58

6729595

HANDLE LH

59

6680469

SPACER threaded - 2.25'' (57.15 mm) long - Was 6729600 - A

60

6727065

BOLT Use W/Ref. 20

61

58K120

O-RING Use W/Ref. 39 (7104842 actuator)

Выбрано товаров: 77