Запчасти Bobcat 700s EUROPEAN ACCESSORIES ACCESSORIES & OPTIONS

Схема запчастей Bobcat 700s - EUROPEAN ACCESSORIES ACCESSORIES & OPTIONS
FIT
1:1
100%

Артикул

Название

Примечание

Количество

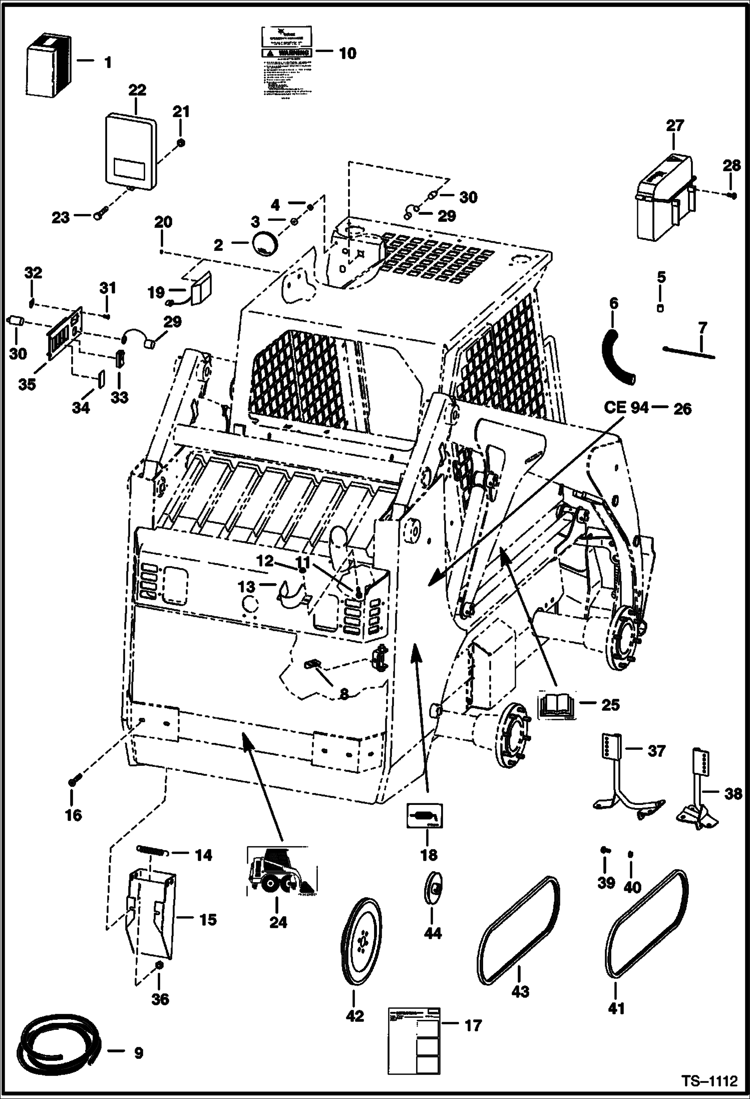
1

KIT NLA - European Accessories - Ref. 3 - 10 - Was SALES - D

2

6653388

MIRROR convex

3

6518952

WASHER .26'' I.D. - 1'' O.D.

4

25E13

WASHER 5 .25'' I.D. - .75'' O.D.

5

COVER NLA - grease - Order Ref. 18

6

COVER NLA - tilt cyl. hoses - 18'' (457,2 mm) long - Order Ref. 9

7

6610510

TIE tilt cyl. hoses

8

6701883

STOP two piece rear door

9

6656155

HOSE COVER bulk - sold per foot - 1.25'' (31,8mm) ID

10

6704832

HANDBOOK handbook

11

35C412

BOLT Use W/Ref. 13 (6709092 Shield)

11

37C512

BOLT Use W/Ref. 13 (6714624 Shield)

12

57D4

NUT Use W/Ref. 13 (6709092 Shield)

12

61D5

NUT Use W/Ref. 13 (6714624 Shield)

13

6709092

SHIELD exhaust - Steel Hood - Was 6704653 - A

13

6714624

SHIELD exhaust - one piece rear door

14

6709092

SHIELD Was 6700743 - A

15

6709379

TOOL HOLDER two piece rear door - Was 6705100 - A

15

6715318

TOOL HOLDER one piece rear door

16

9G636

BOLT 5

16

37C612

BOLT

17

6722300

INSTRUCTIONS for Ref. 14-16

18

6705340

DECAL, GREASE

19

6680326

LIGHT dome - Was 6664368 - A

19

6665367

BULB

19

6665353

SWITCH

20

6664221

RETAINER snap in

21

83D4

NUT 10

22

CONTAINER See Illustration OPERATOR CAB/ TS1218 NLA - MANUALS - Order Ref. 27 & (2) OF Ref. 28 - WAS 6633394 - A

23

35C410

BOLT 5

24

6595014

DECAL tow hook - Was 6707867 - A

25

DECAL NLA - operator manual - located inside of cab - Was 6707971 - A

26

DECAL NLA - CE94 - Was 6707814 - A

27

6708827

CONTAINER manuals

28

6702642

SCREW

29

6664224

CAP

30

6664223

OUTLET

31

6669224

BOLT

32

6669091

CLIP

33

6668742

SWITCH travel control

33

6665315

SWITCH head light

34

6665314

PLUG Was 6719038 - A

35

6710527

PANEL

36

55D6

NUT

37

6712985

MOUNT Japan

38

6712987

MOUNT Japan

39

35C512

BOLT

40

83D5

NUT 5

41

6672021

BELT, DRIVE pump drive

42

6715165

FLYWHEEL

42

6510470

RING GEAR

43

6715478

BELT, FAN fan drive

44

6712970

PULLEY fan drive - 4.75'' (120,65 mm) O.D.

Выбрано товаров: 53