Запчасти Bobcat 700s MAIN FRAME MAIN FRAME

Схема запчастей Bobcat 700s - MAIN FRAME MAIN FRAME
FIT
1:1
100%

Артикул

Название

Примечание

Количество

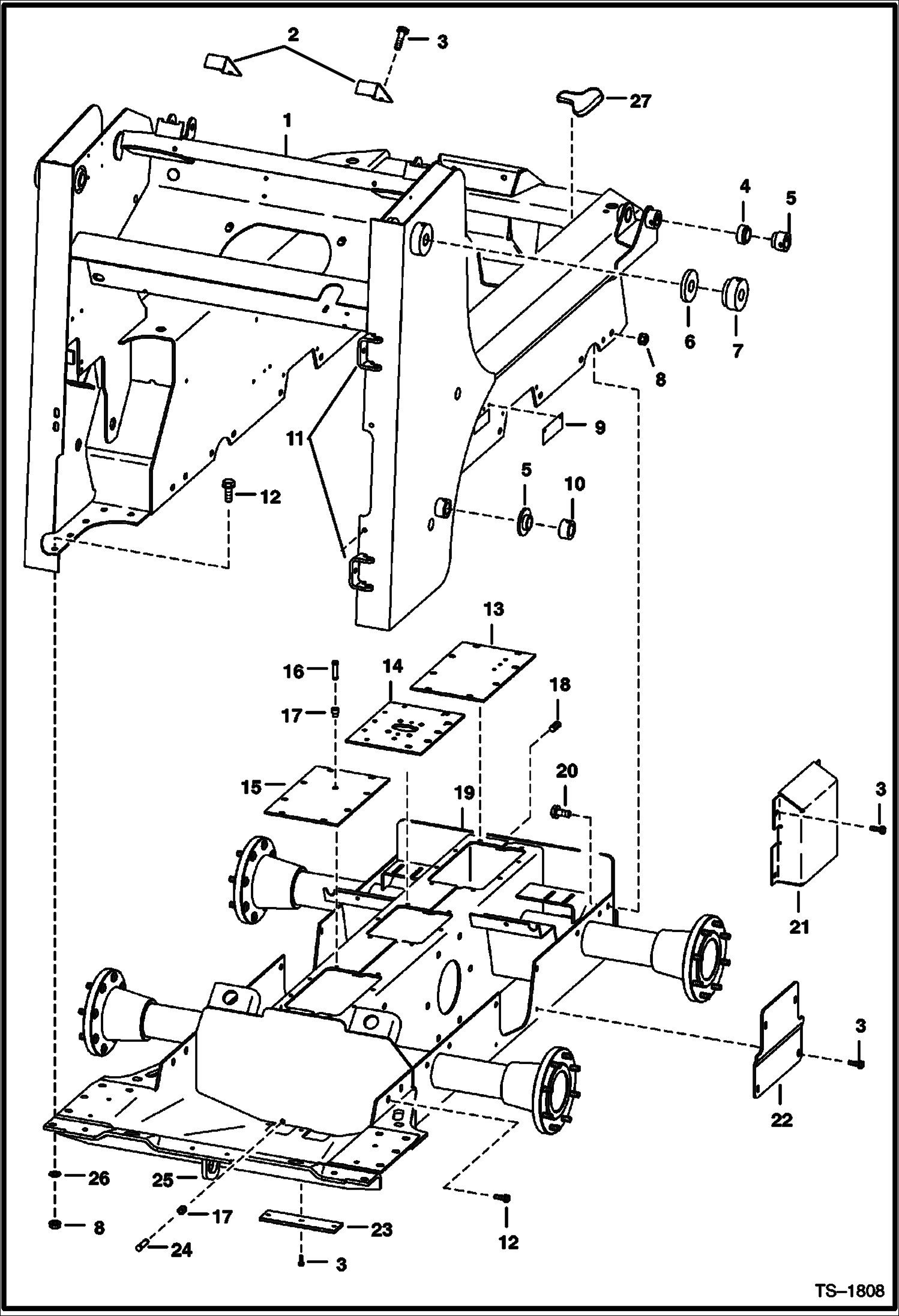
1

MAIN FRAME See BTI316 - NLA - Was 6702206 - A

1

1

MAIN FRAME See BTI316 - NLA - Was 6712521 - A

1

1

6714592

MAIN FRAME

1

6714592

MAIN FRAME

2

6705085

GUIDE hose

3

84G3712

BOLT 5

4

6555989

BUSHING weld on

5

6702132

BUSHING weld on

6

6702409

BUSHING weld on

7

6702959

BUSHING weld on

8

83D8

NUT 5

9

6704680

COVER See Illustration HYDROSTATIC CIRCUITRY/ E2339 See Illustration HYDROSTATIC CIRCUITRY/ E2218

10

6705047

BUSHING weld on

11

6577394

BRACKET hinge - weld on - for two piece rear door

11

6708987

HINGE, WELD-ON for 1-piece rear door

12

31C824

BOLT 10

12

31C824

BOLT 10

13

6578505

COVER See Illustration DISC BRAKE/ B17291 See Illustration DISC BRAKE/ TS1215

14

6706042

COVER See Illustration DISC BRAKE/ B17291 See Illustration DISC BRAKE/ TS1215

15

6700330

COVER See Illustration DISC BRAKE/ B17291 See Illustration DISC BRAKE/ TS1215

16

6680970

BREATHER See Illustration DISC BRAKE/ TS1215 - Was 6670627 - A

17

6553411

BUSHING

18

6731121

PLUG Was 11F12 - A

19

CHAINCASE See Illustration DRIVE TRAIN/ D2143 See Illustration DRIVE TRAIN/ B17290 See BTI313 NLA - Was 6706916 - A

19

6712826

CHAINCASE

20

31C820

BOLT

20

31C820

BOLT

20

31C820

BOLT

20

31C820

BOLT

21

6703205

COVER

21

6703205

COVER

22

6733701

COVER Was 6704695 - A

22

6733701

COVER Was 6704695 - A

23

6700182

COVER, DRAIN

24

6599645

PLUG, STEEL chaincase drain

25

6706485

HOOK tie down - weld-on

26

6701097

WASHER

27

6707515

BRACE frame - weld on

Выбрано товаров: 40