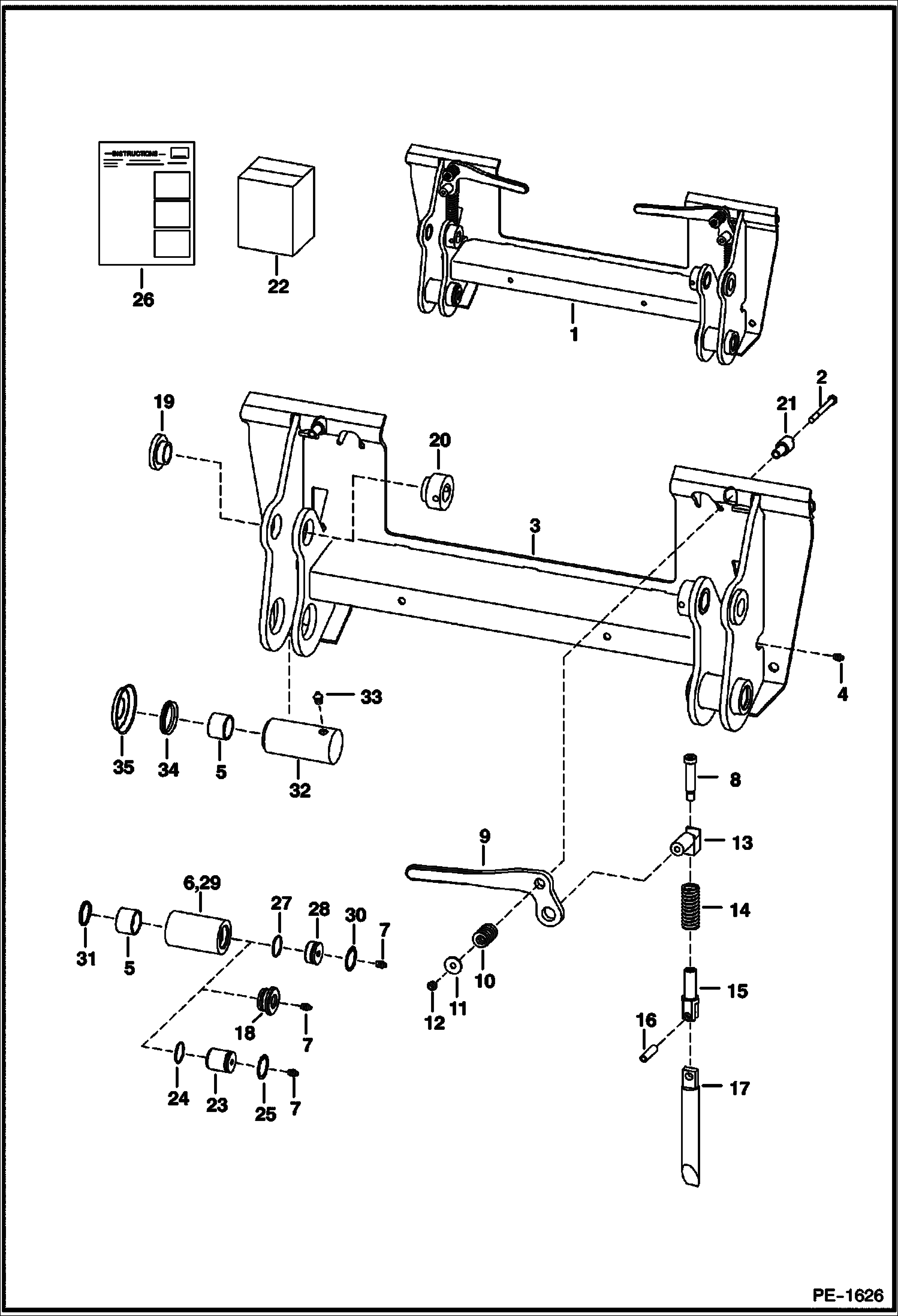
Запчасти Bobcat 700s BOB-TACH MAIN FRAME

Схема запчастей Bobcat 700s - BOB-TACH MAIN FRAME
FIT
1:1
100%

Артикул

Название

Примечание

Количество

1

BOB-TACH See Illustration DECALS/ B17183 Also Order 6561383 decal - NLA - Ref. 2-31 - Order 7143508 Bob-Tach & (2) each of 7101078 pin, 17C1080 bolt, Ref. 34 & 35 - Was 6717284 - A

1

7143508

BOB-TACH Ref. 2-17, 19-21, 32 & 33 - Was 6732537 - A

1

KIT See Illustration POWER BOB-TACH KIT/ TS2033 POWER BOB-TACH

2

17C660

BOLT

3

FRAME NLA

4

10H35

FITTING, GREASE 10

5

6730997

BUSHING, WELD-ON Press Fit - Was 711273B - A

6

BUSHING NLA - 1.48'' (37,6 mm) ID - weld on - W/Ref. 5 - Order Ref. 27-29 - Was 6717190 - A

7

10H25

FITTING, GREASE 5

8

6728473

BOLT, SHOULDER pre-applied thread locker - Was 38C1036 - A

9

6702904

LEVER, BOB-TACH RH

9

6702903

LEVER, BOB-TACH LH

10

6713040

SPRING

11

619021

WASHER, 5

12

85D6

NUT, 5

13

6731119

PIVOT, WEDGE Was 6704240 - B,D

14

6578253

SPRING, COMPRESSION Was 6562018 - A

15

6704248

PIVOT, WEDGE

16

14J5032

PIN, STRAIGHT

17

6737191

WEDGE Was 6704242 - A

18

PLUG NLA - urethane - Order Ref. 22 - Was 6717361 - A

19

6717259

BUSHING weld on

20

6717260

BUSHING weld on

21

6702958

BUSHING, WELD-ON

22

6725318

KIT plug - Ref. 7 & 23-26 - Use W/Ref. 6

23

6719510

PLUG 1.48''(37,6 mm) O.D. x 1.71''(43,4 mm) long

24

25K40108

O RING 10

25

7JM38

SNAP RING Was 7JM00038B - A

26

6900999

INSTRUCTIONS

27

25K30112

O-RING

28

6725293

PLUG 1.55''(39,4 mm) O.D. x .75''(19,1 mm) long

29

6725295

BUSHING weld on - 1.55''(39,4 mm) I.D. - 2.50'' (57,15 mm) O.D. x 4.06'' (103,11 mm) long - Order Ref. 5, 32 & 33

30

7JM40

SNAP RING

31

6631067

SEAL, OIL

32

6731979

BUSHING weld on - 2.50'' (57,15 mm) O.D. x 5.28'' (134,11 mm) long - also order Ref. 5 & 33

33

743332

FITTING, GREASE 5

34

6651709

SEAL See Illustration LIFT ARMS & BOB-TACH/ PE1625

35

6732443

CUP See Illustration LIFT ARMS & BOB-TACH/ PE1625 seal

Выбрано товаров: 38