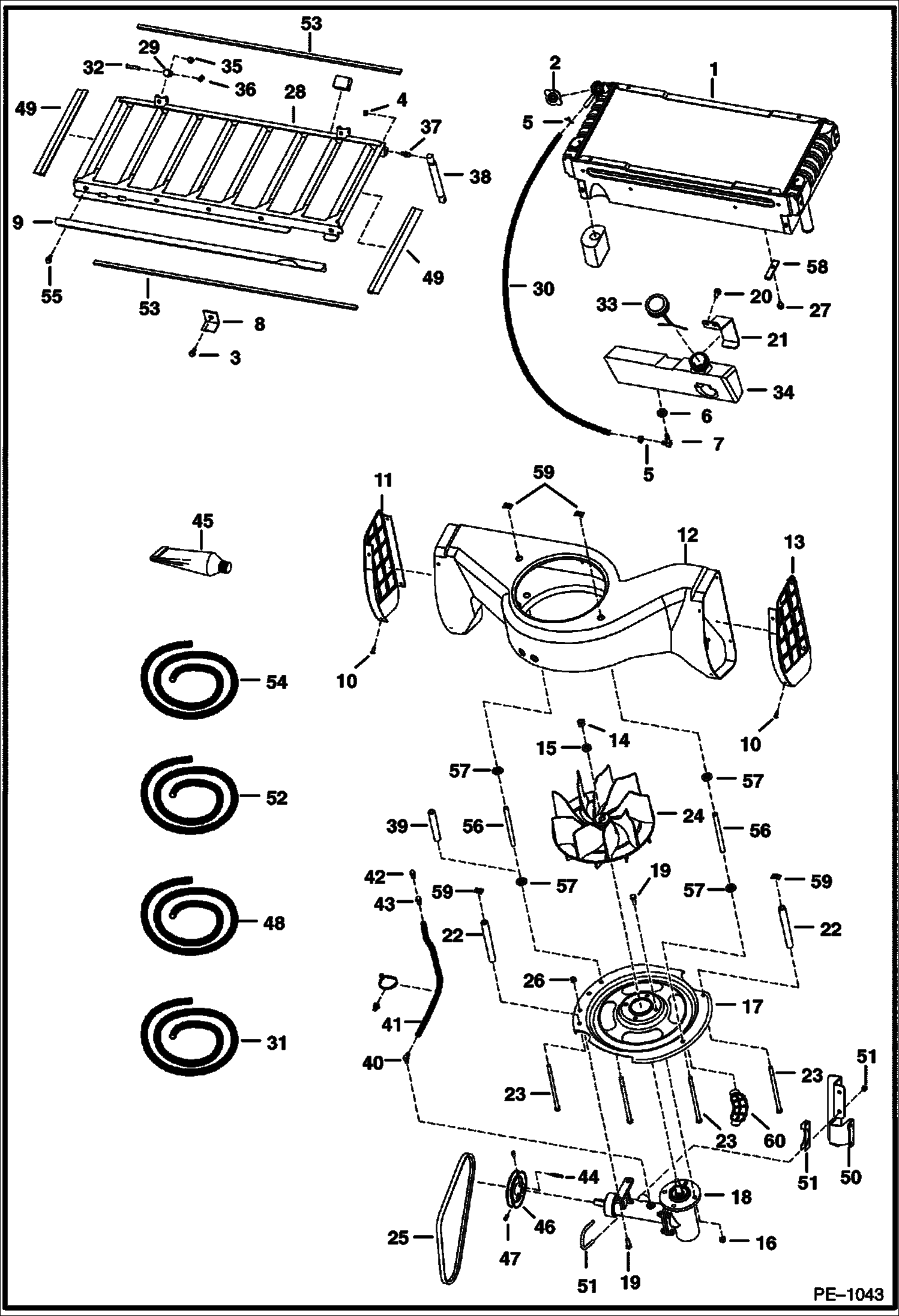
Запчасти Bobcat 700s COOLING SYSTEM POWER UNIT

Схема запчастей Bobcat 700s - COOLING SYSTEM POWER UNIT
FIT
1:1
100%

Артикул

Название

Примечание

Количество

1

6675266

RADIATOR

1

6685733

EXCHANGER, WATER RADIATOR Was 6718648 - A

2

6646678

CAP 14 PSI

2

6672491

CAP 14 PSI

3

84G3712

BOLT 5

4

61D5

NUT

5

42HS04

CLAMP, HOSE Was 6515575 - B

6

6553411

BUSHING

7

7126672

ELBOW barbed - Was 6666302 - A

8

6718672

BRACKET W/Ref. 1 (6675266 Radiator)

9

6703471

BRACKET

10

6706517

SCREW plastic louvers

11

6716571

LOUVER, PLASTIC LH plastic - LH

12

7153544

HOUSING Was 7104117 - A

13

6716573

LOUVER, PLASTIC RH plastic - RH

14

96D8

NUT

15

6701097

WASHER

16

7D6

NUT

17

7107175

INLET 4-slot - Was 6717478 - A

18

6734104

HOUSING ASSY. See Illustration COOLING FAN DRIVE ASSY./ TS1002 Was 6702138 - A

19

17C616

BOLT 5

20

84G3710

SCREW

21

6717650

MOUNT

22

6577382

SPACER

23

17C6116

BOLT

24

6715142

FAN

25

6718730

BELT, FAN fan - 42''(1066,8 mm) long - Use W/ Ref. 46 (6715924 Pulley)

25

6732416

BELT fan - 41'' (104,4 mm) long - Use W/Ref. 46 (6703483 Pulley)

26

61D6

NUT 5

27

35C508

BOLT

28

6718291

GRILL

29

6579326

MOUNT

30

HOSE NLA - 36''(914,4 mm)long - Order Ref. 52

31

6577822

HOSE bulk - sold per foot

32

6567743

PIN

33

6675551

CAP

34

6717637

TANK

35

17C608

BOLT

36

6631418

RING, RETAINING

37

6649244

BALL STUD

38

6674285

GAS SPRING

39

SPACER NLA - Order Ref. 56 & (2) of Ref. 57

40

6657376

ELBOW

41

HOSE NLA - 19.5 (495,3 mm) long - 16.5'' (419,1 mm) - Order Ref. 31

42

6680970

BREATHER Was 6670627 - A

43

6610510

TIE

44

7J2108

KEY

45

6650407

ADHESIVE tube - 1 oz

46

6715924

PULLEY 4.5''(114,3 mm) O.D. - Use W/Ref. 25 (6718730 bolt)

46

6703483

PULLEY, FAN DRIVE IDLER 5.25'' (133,35 mm) O.D. - Use W/Ref. 25 (6732416 Belt)

47

6715143

SET SCREW bond - W/Ref. 45

48

6646705

SEAL bulk - sold per foot

49

MOULDING NLA - 14.65''(372 mm) long - Order Ref. 48

50

7102200

SHIELD belt - Was 6719851 - A

51

6626631

CLAMP

52

6667189

HOSE bulk - Sold Per Foot

53

FOAM STRIP NLA - 34.5''(876,3mm) long - Order Ref. 54

54

6511855

SEAL self adhesive - bulk - sold per foot

55

84G3112

BOLT 5

56

6732318

SPACER

57

6732457

WASHER step

58

6679991

SEAL washer

59

6674894

NUT spring

60

6684474

INSERT FAN INLET

Выбрано товаров: 64