Запчасти Bobcat 700s BOB-TACH MAIN FRAME

Схема запчастей Bobcat 700s - BOB-TACH MAIN FRAME
FIT
1:1
100%

Артикул

Название

Примечание

Количество

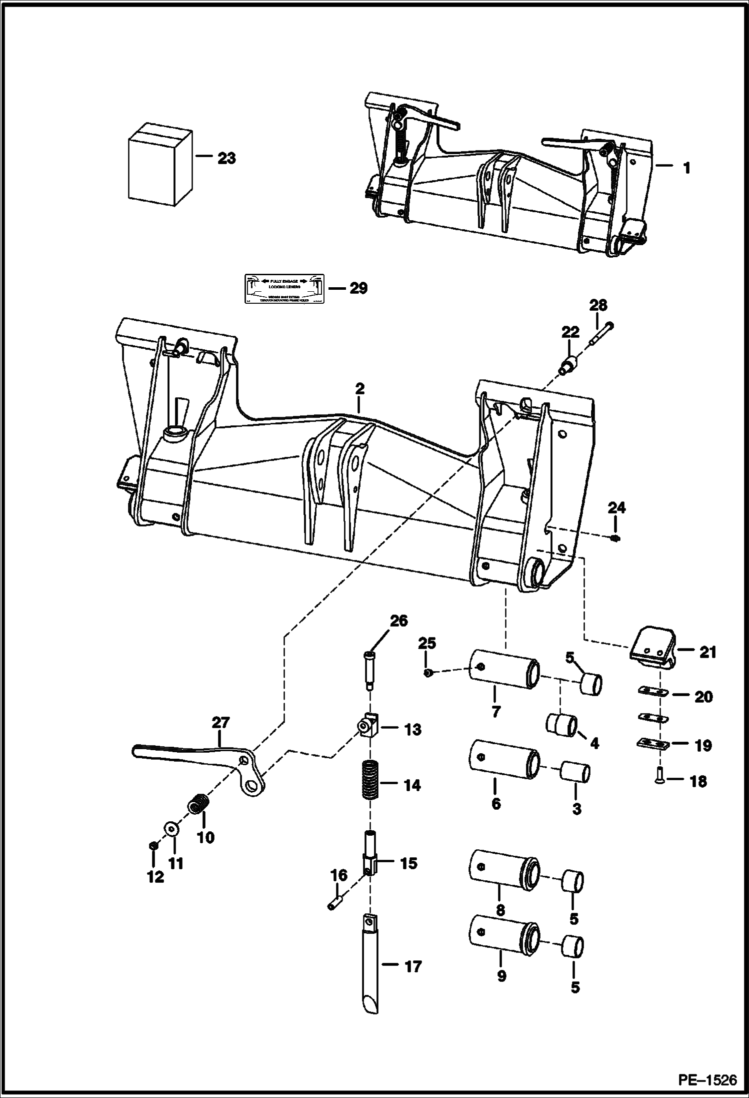
1

BOB-TACH NLA - for 31,8 mm (1.25'') dia lift arm pin - W/Ref. 6 (NLA/ 6577445 bushing) - 57,2 mm (2.25'') OD weld-on bushings - Order 6709215 Bob-Tach & (2) of Ref. 4 - Also Order 6561383 decal - Was

1

BOB-TACH NLA - for 31,8 mm(1.25'') dia lift arm pin - W/Ref. 7 - 63,5 mm (2.50'') OD weld-on bushings - Order 6709215 Bob-Tach & (2) of Ref. 4 - Remove Ref. 5 from Bob-Tach & replace W/Ref. 4 - Also O

1

BOB-TACH NLA - for 38,1 mm (1.50'') dia lift arm pin - W/Ref. 5 & 7 - 63,5 mm (2.50'') OD weld-on bushings - Order 6709215 Bob-Tach - Also Order 6561383 decal - Was 6571744 - A

1

6709215

BOB-TACH for 38,1 mm (1.50'') dia lift arm pin - W/Ref. 5 & 7 - 63,5 mm (2.50'') OD weld-on bushings - Also Order 6561383 decal

2

FRAME NLA

3

6589665

BUSHING press fit - 1.25''(31,8 mm) ID - straight OD - 2'' (50,8 mm) long - Was 6534387

4

6732446

BUSHING, PRESS FIT press fit - 1.25''(31,8 mm) ID - stepped OD

5

6730997

BUSHING, WELD-ON press fit - 1.50''(38,1 mm) ID - straight OD - 1.26''(32 mm) long - Was 711273B - A

6

BUSHING NLA - weld-on - for 1.25'' (31,8 mm) dia. lift arm pin - 2.25 in (57,15 mm) OD - W/Ref. 3 - Order 6577446 bushing & Ref. 3 - Was 6577445 - A

6

6577446

BUSHING, WELD-ON weld on - W/O Ref. 3 - for 1.25'' (31,8 mm) dia. lift arm pin - 2.25 in. (57,15 mm) OD - Also Order Ref. 3

7

6731979

BUSHING weld on - 2.5'' (63,5 mm) OD - for 1.25'' (31,8 mm) or 1.5'' (38,1 mm) dia lift arm pin - Also Order Ref. 4 & 5

8

BUSHING NLA - weld on - for 1.5'' (38,1 mm) dia. lift arm pin - 2.25 in (57,15 mm) OD - W/Ref. 5 - Order Ref. 5 & 9 - Was 6715927 - A

9

6715920

BUSHING, WELD-ON weld on - for 1.5'' (38,1 mm) dia. lift arm pin - 2.25 in (57,15 mm) OD - Also Order Ref. 5

10

6704453

SPRING Use W/Ref. 28 (17C000644B Bolt) - Was 6578252 - C

10

6713040

SPRING Use W/Ref. 28 (17C000660B Bolt) - in kit

11

6557831

WASHER Use W/Ref. 28 (17C000644B Bolt)

11

619021

WASHER, 5 Use W/Ref. 28 (17C-660 Bolt) - in kit

12

85D6

NUT, 5

13

6704240

PIVOT ASSY. 0.75'' long pin - not in kit

13

6731119

PIVOT, WEDGE 50 mm (1.95'') long pin - in kit

14

6578253

SPRING, COMPRESSION Was 6562018 - A

15

6704248

PIVOT, WEDGE

16

14J5032

PIN, STRAIGHT

17

6737191

WEDGE Was 6704242 - A

18

9G620

BOLT 5

19

6579104

SHIM 0.25

20

6707514

SHIM 0.06

20

6579106

SHIM 0.125

21

6704600

STOP RH - weld on - shown

21

6704601

STOP LH - weld on - not shown

22

6702958

BUSHING, WELD-ON

23

6724775

LEVER KIT RH - Bob-Tach - Ref. 10-17 & 26-28

23

6724776

LEVER KIT LH - Bob-Tach - Ref. 10-17 & 26-28

24

10H35

FITTING, GREASE 10

25

743332

FITTING, GREASE 5

26

6728473

BOLT, SHOULDER pre-applied thread locker - Was 38C1036 - A

27

6702904

LEVER, BOB-TACH RH

27

6702903

LEVER, BOB-TACH LH

28

17C644

BOLT See Ref. 10 & 11 - 2.75'' (69,9mm) long

28

17C660

BOLT See Ref. 10 & 11 - 3.75'' (95,3mm) long - in kit

29

6561383

DECAL, OPERATION 5 Bob-Tach locking levers

Выбрано товаров: 41