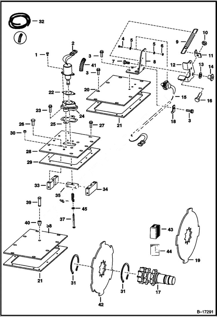
Запчасти Bobcat 700s DISC BRAKE (S/N 5096 39899 & Above, 5096 16505-34999) DRIVE TRAIN

Схема запчастей Bobcat 700s - DISC BRAKE (S/N 5096 39899 & Above, 5096 16505-34999) DRIVE TRAIN
FIT
1:1
100%

Артикул

Название

Примечание

Количество

1

17C412

BOLT 5

2

6681512

SOLENOID W/Ref. 41 - Was 6667992 - A

3

84G3712

BOLT 5

4

23G812

SCREW

5

25E8

WSHR

6

12D8

NUT

7

17C610

BOLT

8

6707313

PEDAL MOUNT

9

6585860

SPRING

10

95D6

NUT Was 91D000006B - A

11

6707315

ANGLE

12

6707314

PEDAL brake

13

6700170

WASHER plastic

14

6559479

NUT

15

6707337

SWITCH, LOCK TRACTION

16

17C620

BOLT

17

6713456

SHAFT, TRANS See Illustration MOTOR CARRIER/ MC1937A - double snap ring groove

17

7161187

SHAFT, TRANS See Illustration MOTOR CARRIER/ PE1818 - double snap ring groove - Was 6733621 - A

18

30H23

CLAMP

19

BRAKE NLA - disc - 4 lobe - Order Ref. 43 - Was 6707254 - A

20

6578505

COVER

21

6703097

GASKET, TRANS COVER

22

6706737

GASKET

23

84G3720

BOLT

24

6706718

MOUNT

25

6708016

GASKET

26

17C820

BOLT

27

84G3716

SCREW 5

28

6706042

COVER

29

6706968

GASKET

30

6544654

BUSHING spacer

31

6658672

SNAP RING

32

6584978

CONDUIT bulk - sold per foot

33

6719056

BLOCK guide - LH - Was 6705898 - B

34

6719057

BLOCK guide - RH - Was 6705897 - B

35

6705896

GUIDE 4 lobe brake disc

35

6714278

WEDGE, LOCK TRACTION 6 lobe brake disc

36

6708018

SPRING

37

6708267

BOLT

38

6700330

COVER

39

6680970

BREATHER See Illustration MAIN FRAME/ TS1808 - Was 6670627 - A

40

6553411

BUSHING

41

CONDUIT NLA - 5'' (127 mm) long - Order Ref. 32

42

7120111

BRAKE, DISC disc - 6 lobe - Was 6716228 - A

43

6717734

KIT 6 lobe disc brake - W/Ref. 35 (6714278 Guide) & (2) of Ref. 42 - Also includes Ref. 44

44

6900805

INSTRUCTIONS

45

25E13

WASHER 5

Выбрано товаров: 47