Запчасти Bobcat 700s POWER BOB-TACH KIT (S/N 500K11563 & Bel, 517619833 & Below, 518012335 & Below, 518112187 & Below, 519020246 & Below, 519212217 & Below) ACCESSORIES & OPTIONS

Схема запчастей Bobcat 700s - POWER BOB-TACH KIT (S/N 500K11563 & Bel, 517619833 & Below, 518012335 & Below, 518112187 & Below, 519020246 & Below, 519212217 & Below) ACCESSORIES & OPTIONS
FIT
1:1
100%

Артикул

Название

Примечание

Количество

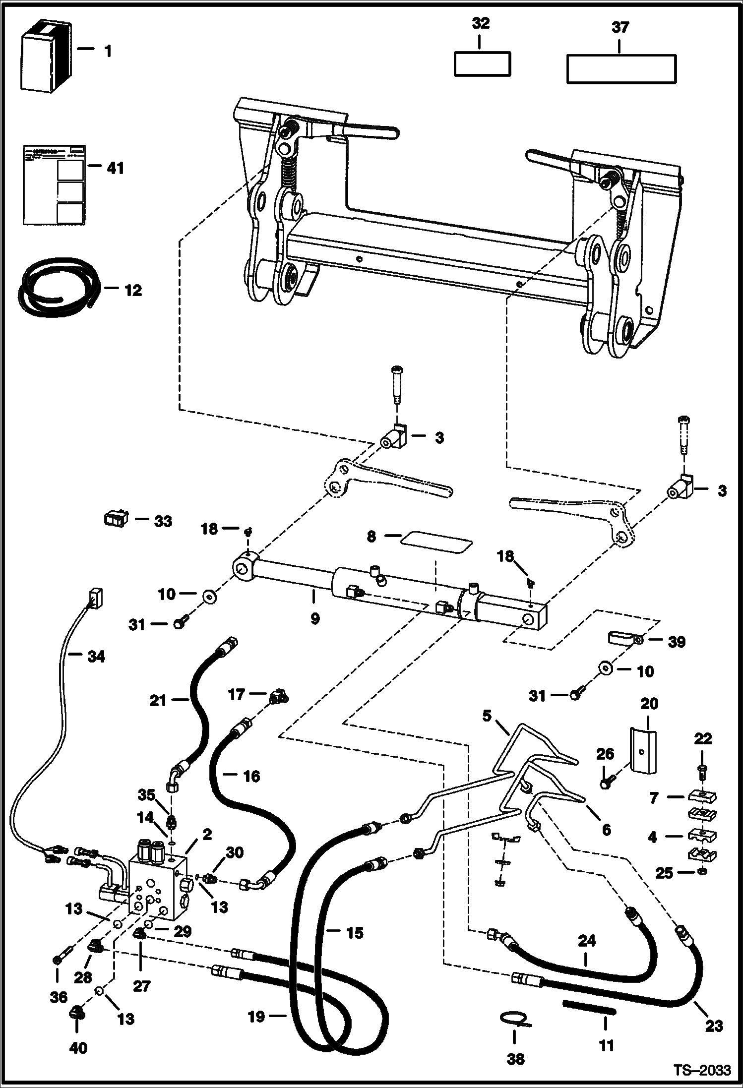
1

6719840

KIT power Bob-Tach

2

VALVE See Illustration POWER BOB-TACH/ TS2051

3

6731119

PIVOT, WEDGE Not in kit - handle pivots - Was 6714576 - A

4

6701892

CLAMP

5

6719883

TUBE Not in Kit

5

6725552

TUBE ''L'' shaped end - Was 6718246 - B,D

6

6719882

TUBE Not in Kit

6

6725553

TUBE ''L'' shaped end - Was 6718247 - B,D

7

6592506

CLAMP

8

6554100

TREAD 76,2 x 152,4 mm (3 x 6'')

9

6554100

TREAD 76,2 x 152,4 mm (3 x 6'')

10

619021

WASHER, 5

11

COVER NLA - 32'' (813 mm) long - Order Ref. 12

12

6656155

HOSE COVER bulk - sold per foot - 1.25'' (31,8mm) ID

13

99K6

O RING tapered boss face

13

79K6

O RING 10 flat boss face

14

99K12

O RING tapered boss face

14

79K12

O RING 10 flat boss face

15

6719451

HOSE Was 6718276 - A

16

6729162

HOSE Was 6718847 - A

17

13K5

TEE Was 13KN00005B - A

17

97K6

O RING flared end

18

11H15

GREASE FITTING 45 degree - Was 10H000035B - B

18

10H35

FITTING, GREASE 10 straight

19

6718358

HOSE

20

6719884

BRACKET

21

6718848

HOSE

22

17C648

BOLT 5

23

6729202

HOSE Was 6719603 - A

24

6729203

HOSE Was 6719604 - A

25

85D6

NUT, 5

26

84G3716

SCREW 5 Was 84G003714B - A

27

17KB0404

FTG HYD ELBOW 90 W/Ref. 29 - check boss face to determine correct replacement o-ring - Was 17KV00003B - A

27

97K4

O'RING flared end

28

17KB0606

FITTING W/Ref. 13 - check boss face to determine correct replacement o-ring - Was 17KV00005B - A

28

97K6

O RING flared end

29

99K4

O'RING tapered boss face

29

79K4

O RING 10 flat boss face

30

15KB0606

FITTING, HYD CONNECTOR W/Ref. 13 - check boss face to determine correct replacement O-ring

30

97K6

O RING flared end

31

35C616

BOLT 5

32

6725907

DECAL, OPERATION power Bob-Tach - Was 6717842 - B

33

6674585

SWITCH horizontal

33

6676732

SWITCH vertical

34

6718652

HARNESS

35

15KB1212

FITTING, HYD CONNECTOR W/Ref. 14 - check boss face to determine correct replacement o-ring - Was 15KV00008B - A

35

97K12

O'RING flared end

36

73G656

SCREW

37

6719888

DECAL

38

6624289

STRAP, TIE

39

30H85

CLAMP Was 31H000042B - B

40

17KB0606

FITTING W/Ref. 13 - check boss face to determine correct replacement o-ring - existing if loader is equipped W/rear aux. - Was 17KV00005B - A

40

97K6

O RING flared end

41

6900950

INSTRUCTIONS

Выбрано товаров: 54