Запчасти Bobcat 700s COOLING SYSTEM POWER UNIT

Схема запчастей Bobcat 700s - COOLING SYSTEM POWER UNIT
FIT
1:1
100%

Артикул

Название

Примечание

Количество

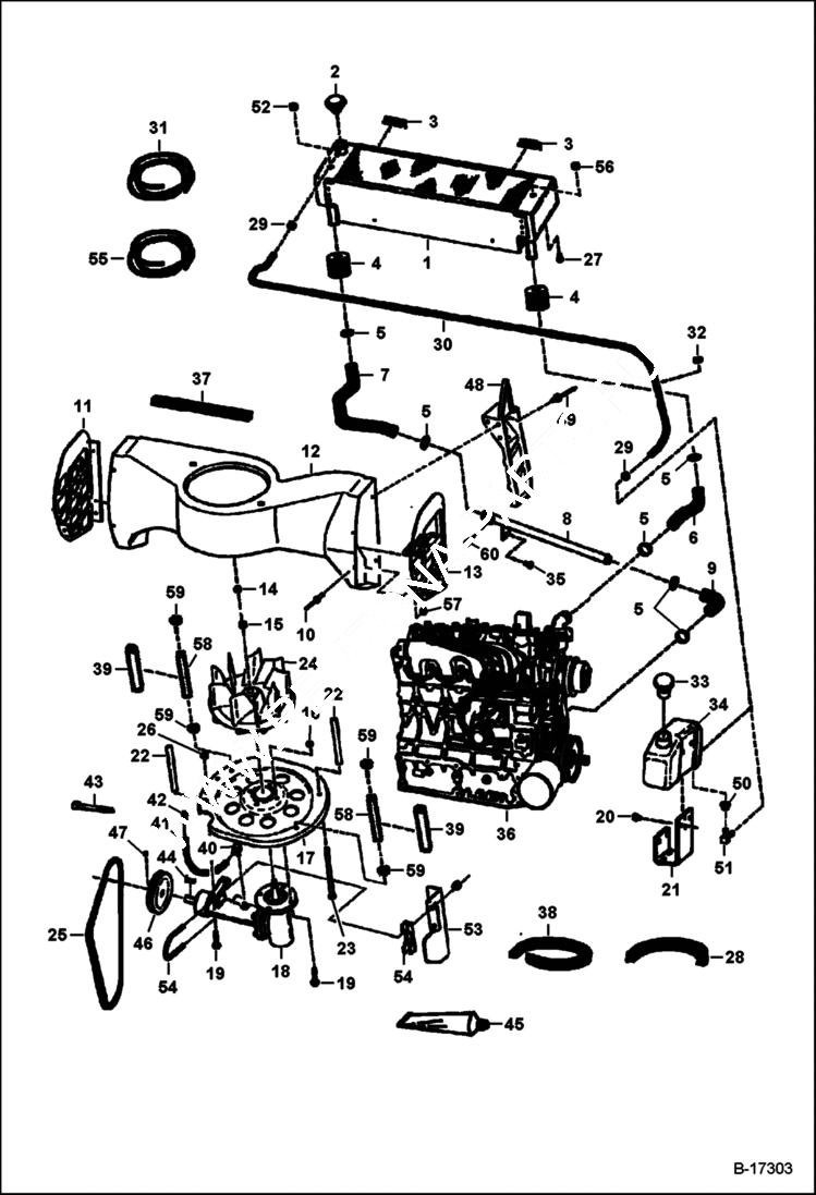
1

RADIATOR NLA - Order 6666384 Radiator & Ref. 56 - Was 6659460 - A

1

6666384

EXCHANGER, WATER RADIATOR

2

6646678

CAP 14 PSI

3

MOULDING NLA - 3'' (76,2 mm) long - Order Ref. 28

4

6726433

SPACER Was 6704829 - A

5

6518820

CLAMP worm gear

5

5HM42

HOSECLAMP constant tension

6

6578280

HOSE

7

6578279

HOSE

8

6730999

TUBE ASSY Was 6576029 - A

9

6576028

HOSE

10

6706517

SCREW plastic louvers - Was 6579119 - A

10

6661209

RIVET steel louvers

11

LOUVER NLA - L.H. - plastic - Order 6716571 Louver & (4) of 6706517 Screw & drill (4) new holes in Ref. 12 - Was 6700419 - A

11

LOUVER NLA - L.H. - steel - Order 6716571 Louver & (4) of 6706517 Screw & drill (4) new holes in Ref. 12 - Was 6713308 - A

11

6716571

LOUVER, PLASTIC LH plastic - LH

12

7153544

HOUSING Was 7104117 - A

13

LOUVER NLA - R.H. - plastic - Order 6716573 Louver & (4) of 6706517 Screw & drill (4) new holes in Ref. 12 - Was 6700418 - A

13

LOUVER NLA - R.H. - steel - Order 6716573 Louver & (4) of 6706517 Screw & drill (4) new holes in Ref. 12 - Was 6713308 - A

13

6716573

LOUVER, PLASTIC RH plastic - RH

14

96D8

NUT Was 86D000008B - B

15

6701097

WASHER Was 6803867 - A

16

7D6

NUT

17

6577227

INLET 8-hole

17

7107175

INLET 4-slot - Was 6717478 - A

18

6734104

HOUSING ASSY. See Illustration COOLING FAN DRIVE ASSY./ TS1002 Was 6702138 - A

19

17C616

BOLT 5

20

84G3708

SCREW

21

6709415

MOUNT Was 6571814 - A

22

6577382

SPACER

23

17C6116

BOLT

24

6715142

FAN Was 6700334 - A

25

6704607

BELT, FAN fan - 40.25'' (1022,4 mm) long

25

6715478

BELT, FAN fan - 40''(1016 mm) long

26

61D6

NUT 5

27

35C508

BOLT

28

6649402

MOULDING bulk - Sold Per Foot

29

42HS04

CLAMP, HOSE Was 6515575 - B

30

HOSE NLA - 62'' (1574,8 mm) long - Order Ref. 55

31

6577822

HOSE bulk - sold per foot

32

1303932

GROMMET

33

6702797

CAP

34

6576660

TANK, WATER COOLANT W/bottom molded barbed elbow

35

17C612

BOLT 5

36

ENGINE, KUBOTA V2203 See Illustration ENGINE & GASKET KITS/ B16450

37

MOULDING NLA - 42'' (1066,8 mm) long - Order Ref. 38

38

6511855

SEAL self adhesive - bulk - sold per foot

39

SPACER NLA - Order Ref. 58 & (2) of Ref. 59 - Was 6704907 - A

40

6657376

ELBOW

41

HOSE NLA - 16.5 in. (419,1 mm) - 19.5 in. (495,3 mm) long - Order Ref. 31

42

6680970

BREATHER Was 6670627 - A

43

6610510

TIE

44

7J2108

KEY

45

6650407

ADHESIVE tube - 1 oz

46

6703483

PULLEY, FAN DRIVE IDLER 5.25'' (133,4 mm) OD

46

6715924

PULLEY 4.5''(114,3 mm) O.D.

47

6715143

SET SCREW bond W/Ref. 45 - Was 6712006 - A

48

6704929

INLET fuel fill

49

6661209

RIVET Was 6630207 - A

50

6553411

BUSHING alternate design

51

6553412

ELBOW alternate design

52

6704753

PLUG brass - .25'' - Use W/O B.O.S.S. Option

53

7102200

SHIELD belt - Was 6719851 - A

54

6626631

CLAMP

55

6667189

HOSE bulk - Sold Per Foot

56

6704753

PLUG brass - .25''

57

25E10

WASHER

58

6732318

SPACER

59

6732457

WASHER step

60

40K6

PLUG

Выбрано товаров: 70