Запчасти Bobcat 700s MAIN FRAME MAIN FRAME

Схема запчастей Bobcat 700s - MAIN FRAME MAIN FRAME
FIT
1:1
100%

Артикул

Название

Примечание

Количество

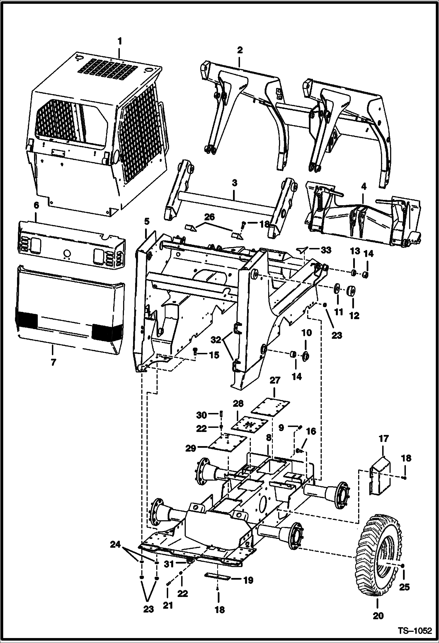
1

6701957

OPERATOR CAB See Illustration OPERATOR CAB/ B17595 Does Not include cab decals

2

LIFT ARM See Illustration LIFT ARMS & BOBTACH/ TS1077

3

6702243

FRAME LINK See Illustration LIFT ARMS & BOBTACH/ TS1077

4

BOB-TACH See Illustration BOB-TACH/ PE1526

5

MAIN FRAME See BTI316 NLA - Order 6714592 Main Frame - - Was 6702206 - A

6

HOOD See Illustration ENGINE & ATTACHING PARTS/ E2067 See Illustration REAR DOOR/ TS1015

7

REAR DOOR See Illustration REAR DOOR/ TS1015

8

CHAINCASE See Illustration DRIVE TRAIN/ B17596 See BTI313 NLA - - WAS 6706916 - A

9

6731121

PLUG chaincase fill - Was 11F000012B - A

10

6705047

BUSHING weld on - Was 6702584 - B

11

6702409

BUSHING weld on

12

6702959

BUSHING weld on

13

6555989

BUSHING weld on

14

6702132

BUSHING weld on

15

31C824

BOLT 10

16

31C820

BOLT

17

6703205

COVER

18

84G3712

BOLT 5

19

6700182

COVER, DRAIN

20

TIRE & RIMS See Illustration TIRES & RIMS/ B17323

21

6599645

PLUG, STEEL chaincase drain

22

6553411

BUSHING

23

83D8

NUT 5

24

6701097

WASHER

25

6564669

NUT, 10 wheel

26

6705085

GUIDE hose - Was 6703538 - A

27

6578505

COVER See Illustration DISC BRAKE/ B17598

28

COVER See Illustration DISC BRAKE/ B17598

29

6700330

COVER See Illustration DISC BRAKE/ B17598

30

6680970

BREATHER See Illustration DISC BRAKE/ B17598 Was 6670627 - A

31

6706485

HOOK tie down - weld-on

32

6577394

BRACKET hinge - weld on

33

6707515

BRACE frame - weld on

Выбрано товаров: 33