Запчасти Bobcat 700s BACK-UP ALARM (For Use W/Plastic Hood) ACCESSORIES & OPTIONS

Схема запчастей Bobcat 700s - BACK-UP ALARM (For Use W/Plastic Hood) ACCESSORIES & OPTIONS
FIT
1:1
100%

Артикул

Название

Примечание

Количество

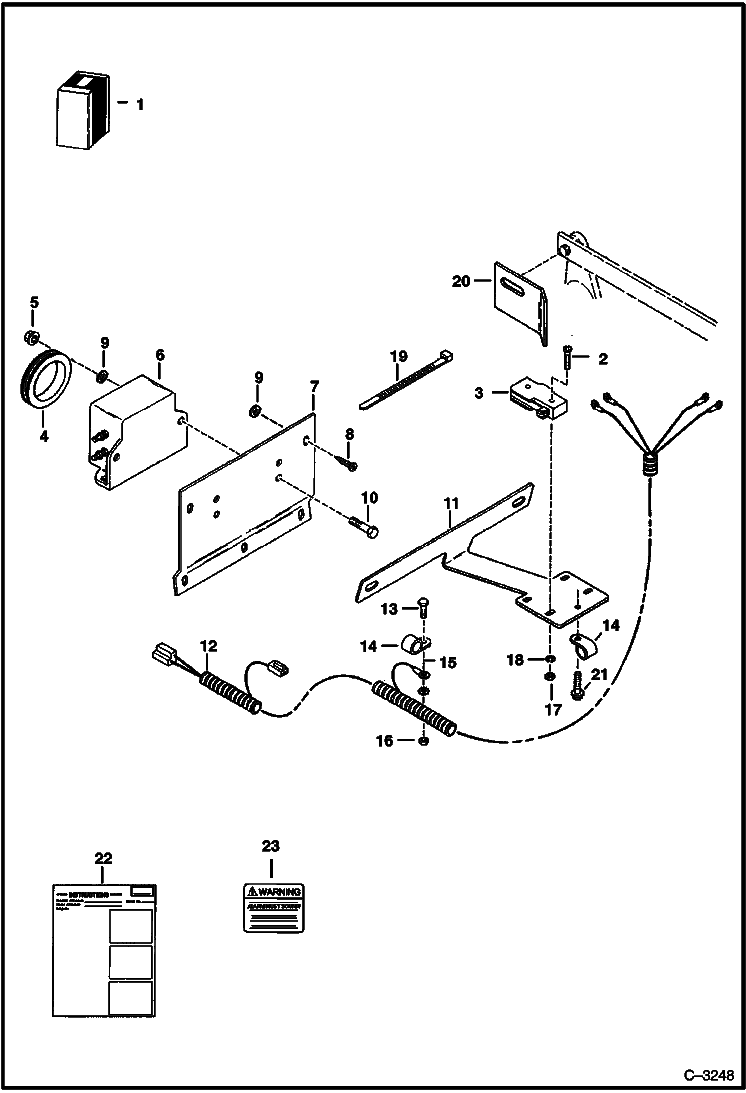
1

6578815

KIT Ref. 2-22

2

85G616

SCREW 10

3

6646781

SWITCH

4

6512067

GROMMET

5

83D4

NUT 10

6

6651512

ALARM, BACK-UP Was 6599931 - A

6

6668879

DECAL

7

6579850

MOUNT

8

58G2512

SCREW

9

25E13

WASHER 5

10

17C408

BOLT

11

MOUNT NLA - Use W/ 2.75'' (69,9 mm) wide 6578589 Bracket, Ref. 20 - Order 7100153 mount & (2) of 6713793 bracket - Was 6578588 - A

11

MOUNT NLA - Use W/ 2''(50,8 mm) wide 6710285 Bracket, - Ref. 20 - Order 7100153 mount & (2) of 6713793 bracket - Was 6710284 - A

11

7100153

MOUNT

12

6578814

HARNESS

13

17C412

BOLT 5

14

30H21

CLAMP 10

15

6E4

WASHER 10

16

61D4

NUT 5

17

12D6

NUT 10

18

17E6

WASHER 10

19

6610510

TIE Was 1715312B - A

20

BRACKET switch - 2.75'' (69,9 mm) wide - Order 7100153 mount & (2) of 6713793 bracket - Was 6578589 - A

20

BRACKET switch - for BICS loaders - 2'' (50,8 mm) wide - Order 7100153 mount & (2) of 6713793 bracket - Was 6710285 - A

21

84G3112

BOLT 5

22

6570815

INSTRUCTIONS

23

6737189

DECAL, WARNING backup alarm

Выбрано товаров: 27