Запчасти Bobcat 700s SEAT & SEAT BAR MAIN FRAME

Схема запчастей Bobcat 700s - SEAT & SEAT BAR MAIN FRAME
FIT
1:1
100%

Артикул

Название

Примечание

Количество

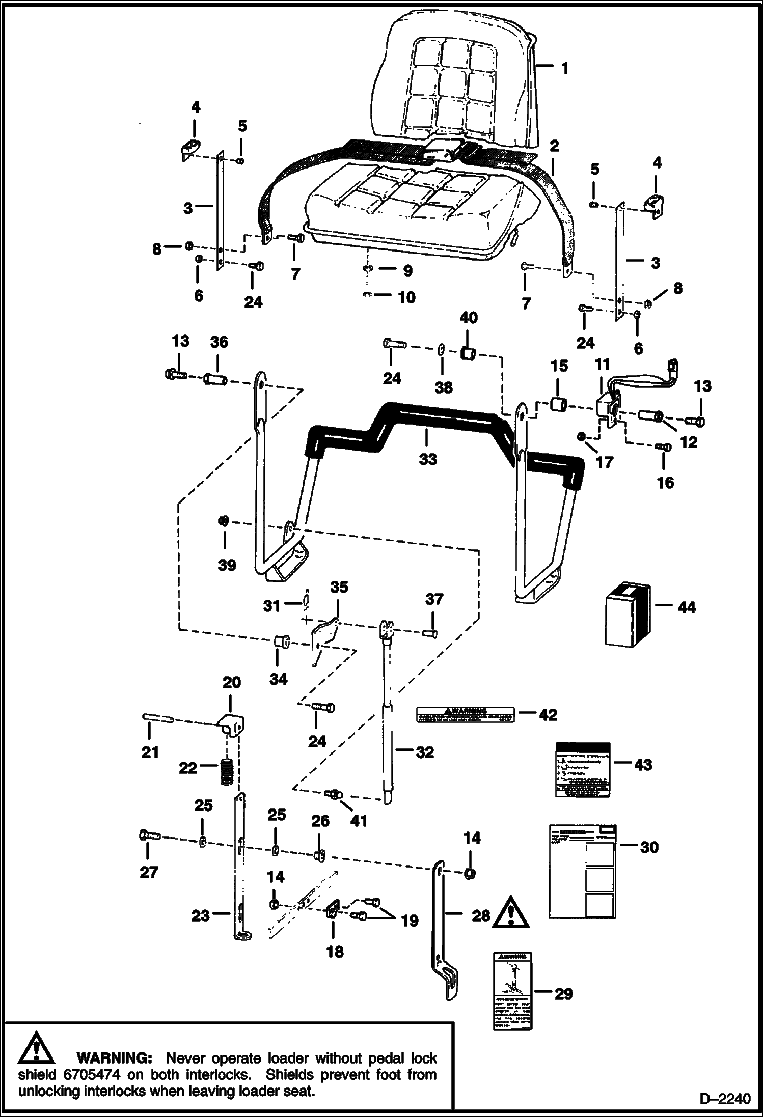
1

SEAT See Illustration SEAT/ B7185

2

SEAT BELT NLA - Order Ref. 44 - Was 6564774 - A

2

SEAT BELT NLA - Order 6675074 Seat Belt - Was 6667875 - A

2

SEAT BELT NLA - W/Spring Plates - Order 6675074 Seat Belt & (2) of Ref. 3 (6725373 Spring Plate - Was 6725403 - A

2

6675074

SEAT BELT W/O spring plates

3

GUIDE ASSY. NLA - W/REF. 4 & 5 - 13.75''(349,3 MM) LONG - Use W/Ref. 2 (NLA/ 6564774 SEAT BELT) - WAS 6565354 - A

3

GUIDE ASSY. NLA - W/REF. 4 & 5 - 12.25''(311,1 MM) LONG - Use W/Ref. 2 (NLA/ 6667875 SEAT BELT) - ORDER 6711908 SPRING PLATE, REF. 4 & (2) OF REF. 5 - WAS 6711907 - A

3

6711908

SPRING PLATE Use W/Ref. 2 (NLA/ 6667875 Seat Belt)

3

6725373

SPRING PLATE Use W/Ref. 2 (6675074 seal belt)

4

GUIDE NLA - Order 6703703 - Was 6565355

5

6630207

RIVET 5 Was 6512797 - A

6

85D6

NUT, 5

7

17C716

BOLT

8

85D7

NUT

9

4E5

WASHER

10

61D5

NUT

11

7105251

SENSOR Was 6670663 - A

12

6706685

BUSHING

13

35C612

BOLT

14

83D6

NUT 5

15

6665106

BUSHING Was 6664884 - A

16

35C410

BOLT 5

17

85D4

NUT 5

18

6563151

LINK

19

17C616

BOLT 5

20

6563148

BLOCK, SPRING

21

14J2512

PIN 5

22

6702430

SPRING, COMPRESSION

23

6578150

LOCK

24

17C612

BOLT 5

25

6700170

WASHER plastic

26

6559479

NUT

27

6705489

BOLT

28

6705474

LOCK SHIELD Never operate loader without pedal lock shield on both interlocks ... SEE WARNING ON PREVIOUS PAGE

29

6705720

DECAL Was 6705488 - D

30

6722392

INSTRUCTIONS For Ref. 28

31

6631418

RING, RETAINING

32

6664207

GAS SPRING

33

6716778

SEAT BAR for Use W/Gas Spring - Was 6706358 - A

34

6706387

BUSHING

35

6706388

BRACKET

36

6706962

BUSHING

37

4F5062

PIN

38

25E16

WSHR

39

85D5

NUT 5

40

6680441

BUSHING keyed - Was 6664882 - A

41

6649244

BALL STUD

42

6577754

DECAL, WARNING 5 gas spring

43

6707134

DECAL instruction for LCS

44

KIT NLA - W/Ref. 2 & 3 - Order Ref. 2 (6675074 Seat Belt) & (2) of Ref. 3 (6725373 spring plate)- Was 6713061 - A

Выбрано товаров: 50