Запчасти Bobcat 700s EUROPEAN ACCESSORIES ACCESSORIES & OPTIONS

Схема запчастей Bobcat 700s - EUROPEAN ACCESSORIES ACCESSORIES & OPTIONS
FIT
1:1
100%

Артикул

Название

Примечание

Количество

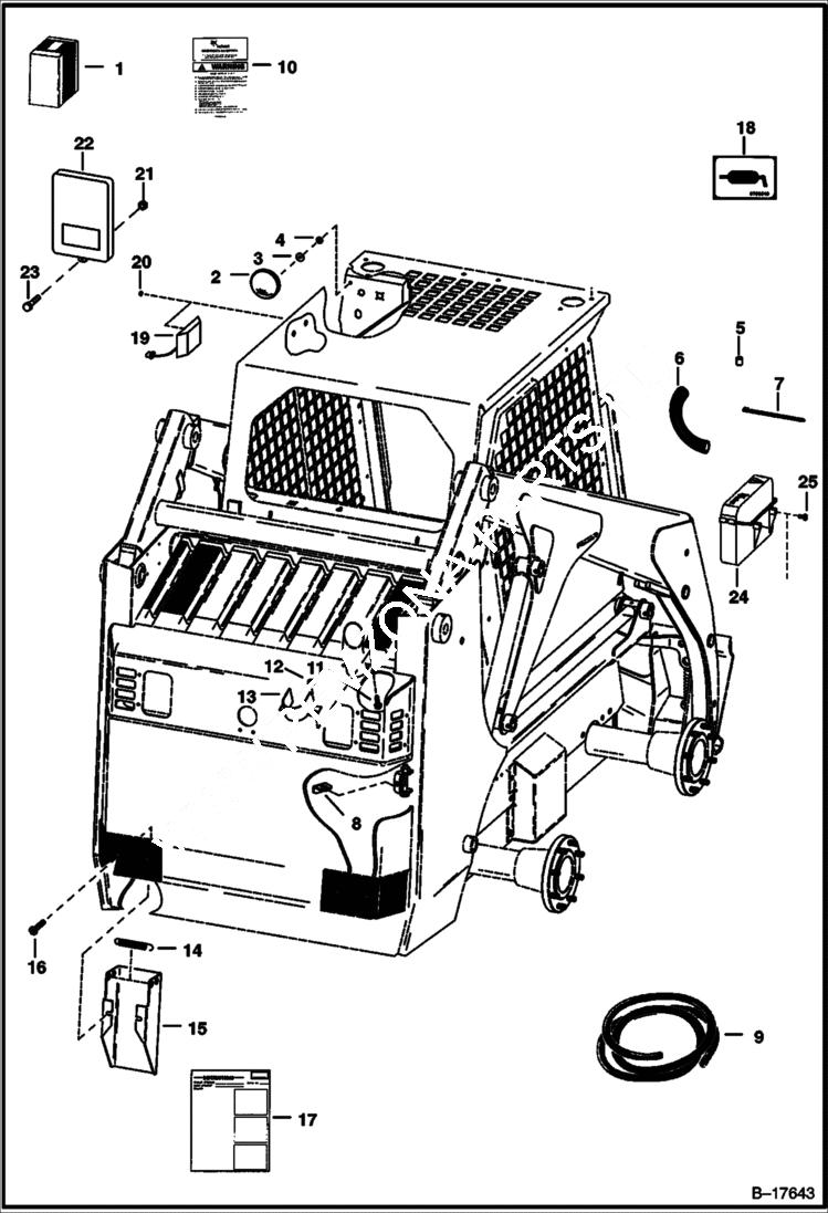
1

KIT SALES - European Accessories - Ref. 3 - 10

2

6653388

MIRROR convex

3

6518952

WASHER .26'' I.D. - 1'' O.D.

4

25E13

WASHER 5 .25'' I.D. - .75'' O.D.

5

COVER NLA - grease - Order Ref. 18 - Was 6652943 - A

6

COVER NLA - tilt cyl. hoses - 18''(457,2 mm) long - Order Ref. 9

7

6610510

TIE tilt cyl. hoses - Was 1715312B - A

8

6701883

STOP tailgate

9

6656155

HOSE COVER bulk - sold per foot - 1.25'' (31,8mm) ID

10

6704832

HANDBOOK handbook

11

35C412

BOLT

12

57D4

NUT

13

6709092

SHIELD exhaust - Use W/Steel Hood - Was 6704653 - A

14

6700743

SPRING

15

6709379

TOOL HOLDER Was 6705100 - A

16

9G636

BOLT 5

17

6722300

INSTRUCTIONS W/Ref. 14-16

18

6705340

DECAL, GREASE

19

6680326

LIGHT dome - Was 6664368 - A

19

6665367

BULB

19

6665353

SWITCH

20

6664221

RETAINER snap in

21

83D4

NUT 10

22

6633394

CONTAINER manuals

23

35C410

BOLT 5

24

6708827

CONTAINER manuals

25

6702642

SCREW

Выбрано товаров: 27