Запчасти Bobcat 700s HOOD KIT (Steel) ACCESSORIES & OPTIONS

Схема запчастей Bobcat 700s - HOOD KIT (Steel) ACCESSORIES & OPTIONS
FIT
1:1
100%

Артикул

Название

Примечание

Количество

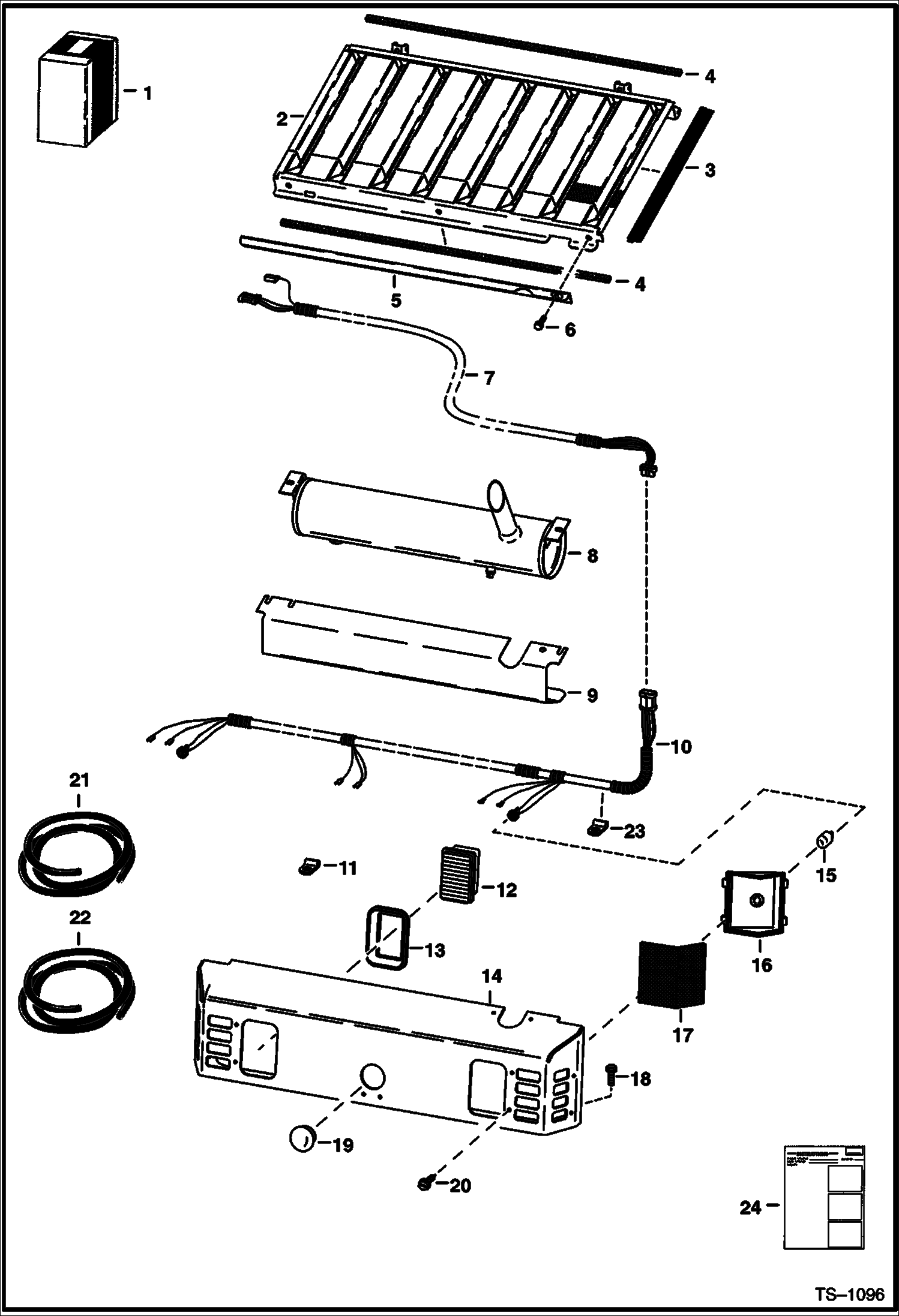
1

6704401

HOOD KIT See Illustration BACK-UP ALARM/ D2186 REF. 2 - 24 - IF LOADER IS EQUIPPED W/BACKUP ALARM AND PLASTIC HOOD WHEN ORDERING STEEL HOOD KIT ALSO ORDER 6704163 MOUNT AND 6577545 GROMMET

2

6718291

GRILL Drill the gas spring mounting hole to .41'' dia. - Was 6708982 - A

3

MOULDING NLA - 14.65'' (372,1 mm) long - Order Ref. 22

4

FOAM STRIP NLA - 34.5'' (876,3mm) long - Order Ref. 21

5

6708981

BRACKET Was 6703471 - A

6

84G3112

BOLT 5

7

6704359

HARNESS light/alarm

8

6661768

MUFFLER Was 6660249 - A

9

6703812

SHIELD muffler - Use W/ref. 8 (NLA/6660249 Muffler) only

10

6704232

HARNESS light

11

30H35

CLAMP 10

12

6665922

LAMP white - W/898731B Bulb - Was 6661353 - A

12

6665431

SOCKET threaded bulb

13

6703796

MOUNT light

14

6703868

HOOD

15

6649481

LIGHT, WEDGE BASE

16

6704362

HOUSING light

17

6703797

LENS

18

84G3716

SCREW 5

19

6718796

PLUG Was 6660646 - A

20

6706517

SCREW self tapping - Was 6704400 - A

21

6511855

SEAL self adhesive - bulk - sold per foot

22

6646705

SEAL bulk - sold per foot

23

30H27

CLAMP

24

6722084

INSTRUCTIONS

Выбрано товаров: 25