Запчасти Bobcat 700s REAR WIPER KIT (Two Piece Rear Door) (S/N 5096 35001-43760, 5096 16001-16767) ACCESSORIES & OPTIONS

Схема запчастей Bobcat 700s - REAR WIPER KIT (Two Piece Rear Door) (S/N 5096 35001-43760, 5096 16001-16767) ACCESSORIES & OPTIONS
FIT
1:1
100%

Артикул

Название

Примечание

Количество

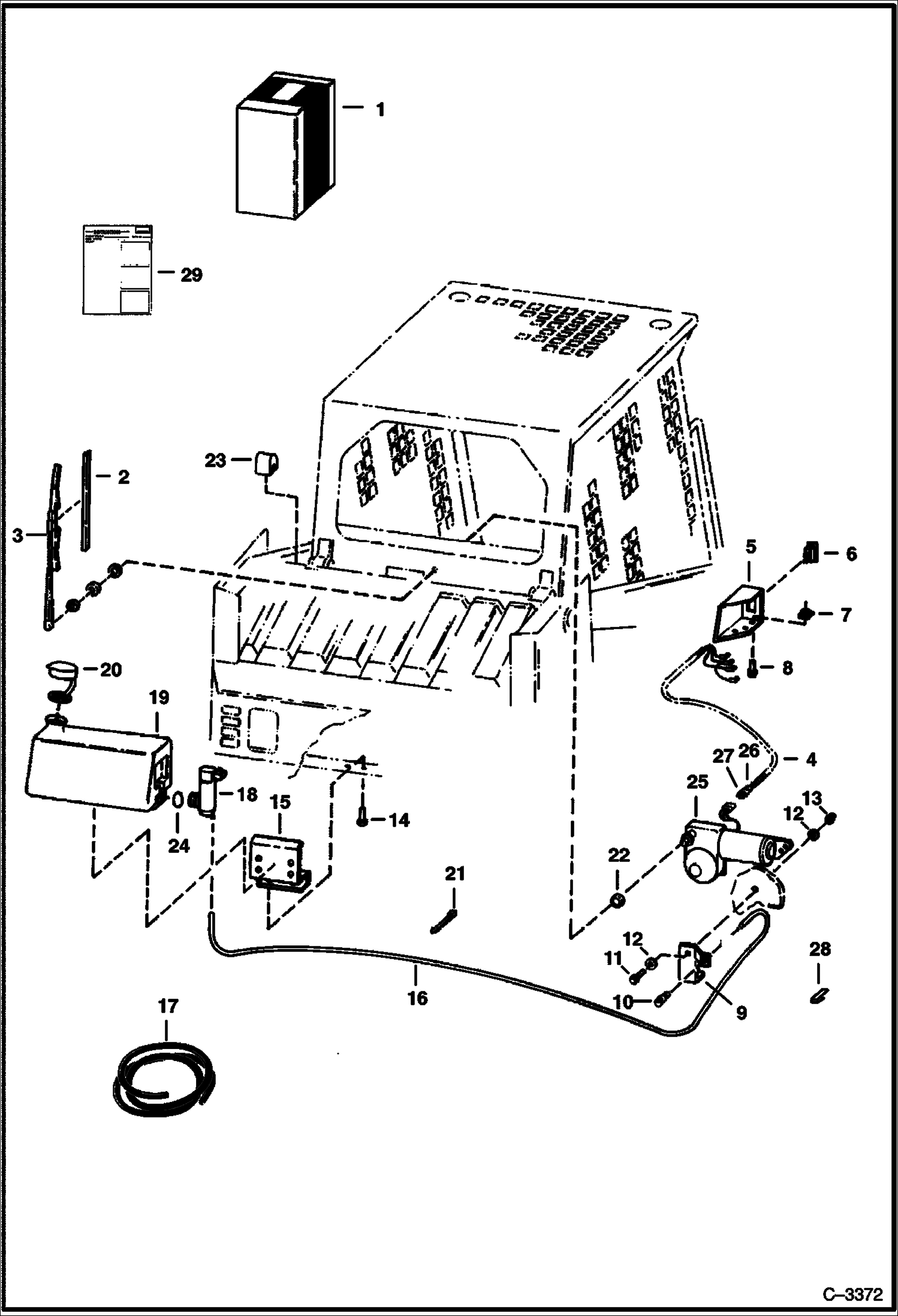
1

6712688

KIT rear wiper - Ref. 2 - 23 & 25 - 29

2

6665688

BLADE

3

6665687

ARM

4

HARNESS NLA - W/2-pin connector - Order 6712260 Harness, Ref. 26 & 27 - Was 6708285 - A

4

6712260

HARNESS W/10-pin connector- W/ (2) diodes

5

6708280

MOUNT switch

6

6668817

SWITCH rocker - Was 6665706 - A

7

7160765

NUT Was 6660988 - A

8

35C412

BOLT

9

6708286

MOUNT nozzle

10

6666767

NOZZLE Was 6664555 - A

11

17C514

BOLT Was 35C000514B - B

12

25E15

WASHER

13

83D5

NUT 5

14

84G3710

SCREW

15

6708044

MOUNT tank

16

HOSE NLA - 84''(2133.6mm) long - Order Ref. 17

17

6708310

HOSE, BULK/FT 100 clear - 0.154'' ID - sold per foot

18

6664554

PUMP, WIPER WASHER

19

6708035

TANK

20

6665605

CAP

21

6610510

TIE

22

6708069

BUSHING

23

6708272

STOP cab

24

6666766

GROMMET Not in Kit

25

6665602

MOTOR

26

6641179

CONNECTOR 2-pin

27

6641180

LOCK Use W/ 2-pin connector

28

6669308

RETAINER

29

6724788

INSTRUCTIONS

Выбрано товаров: 30