Качественные детали и логистика
Оригинальные и аналоговые запчасти с доставкой по России, Казахстану и Беларуси
©2022 PartSell ООО "Система" ИНН 2463123282 ОГРН 1212400004838
Центральный офис: г. Красноярск, Академика Киренского, д.87, пом.4
Телефон: 8 (800) 777-65-74 Email: zakaz@partsell.ru
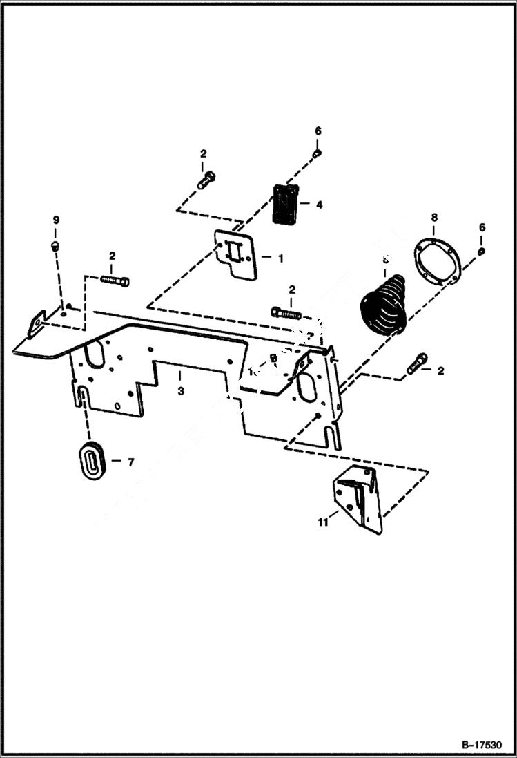
PANELS
№
Артикул
Название
Примечание
Количество
1
6576486
COVER
2
84G3712
BOLT 5
3
6707102
SHIELD
4
BOOT NLA - W/Metal Insert - Was 6571648 - A
5
6532127
BOOT W/Ref. 8
6
6630207
RIVET 5 Was 6630193 - A
7
6577961
GROMMET
8
PLATE NLA - Order Ref. 5
9
6657719
PLUG 0.75'' dia hole
6648348
PLUG 0.81'' dia hole
10
5289686
PLUG black - 0.38'' dia hole
11
BRACKET See Illustration HAND CONTROLS/ B17446 R.H. - Was 6733022 - A
BRACKET See Illustration HAND CONTROLS/ B17446 L.H. - Was 6733024 - A
Выбрано товаров: 0