Запчасти Bobcat 700s DISC BRAKE DRIVE TRAIN

Схема запчастей Bobcat 700s - DISC BRAKE DRIVE TRAIN
FIT
1:1
100%

Артикул

Название

Примечание

Количество

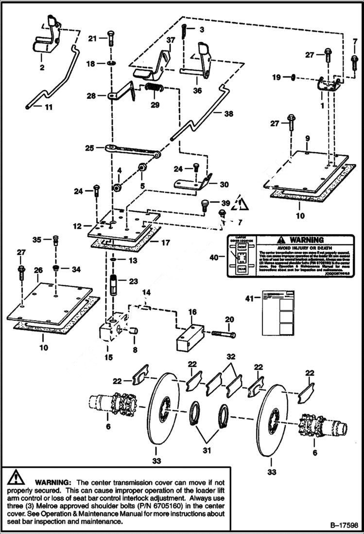
1

6700073

PEDAL MOUNT

2

PEDAL NLA - brake - Order Ref. 36-38 - Was 6578501 - A

3

1318565

COTTER PIN

4

85D8

NUT, 5

5

6564669

NUT, 10

6

6705065

SHAFT, TRANS See Illustration MOTOR CARRIER/ B17597 WAS 6703089 - A

7

84G3716

SCREW 5

8

6569927

PIN

9

6578505

COVER

10

6703097

GASKET, TRANS COVER

11

ROD NLA - Order Ref. 36-38 - Was 6578504 - A

12

6704334

COVER Was 6575962 - A

12

6704334

COVER

12

6706278

COVER

12

6706278

COVER

13

25K30100

O RING 10

14

6571796

SPACER

15

6571795

BLOCK

16

6571794

BLOCK

17

6703098

GASKET

18

6506477

WASHER

19

25E25

WASHER 10

20

17C880

BOLT

21

17C820

BOLT

22

6700706

PAD

23

6569842

CAM PIN

24

17C824

BOLT 5

25

6563823

LEVER

26

6700330

COVER

27

84G3712

BOLT 5

28

6701626

BRACKET

29

6584584

SPRING

30

6701627

BRACKET

31

6658672

SNAP RING

32

6702805

SPACER

33

6702792

DISC

34

6553411

BUSHING

35

6680970

BREATHER Was 6670627 - A

36

6704812

PEDAL brake

37

6704811

PEDAL brake

38

6704809

ROD

39

6705160

SHOULDER BOLT Always use (3) 6705160 Shoulder Bolts in Center Cover ... SEE WARNING ON ILLUSTRATION

40

6705158

DECAL warning

41

6722343

INSTRUCTIONS

Выбрано товаров: 44