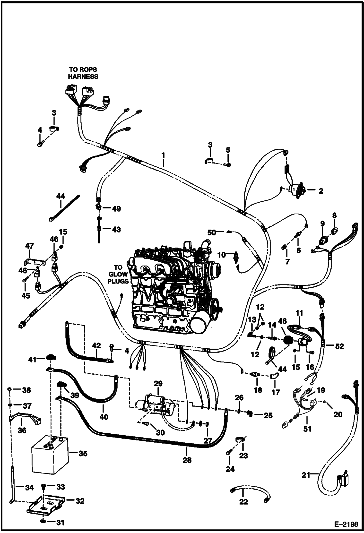
Запчасти Bobcat 700s ENGINE ELECTRICAL CIRCUITRY (W/O BOSS Option) ELECTRICAL SYSTEM

Схема запчастей Bobcat 700s - ENGINE ELECTRICAL CIRCUITRY (W/O BOSS Option) ELECTRICAL SYSTEM
FIT
1:1
100%

Артикул

Название

Примечание

Количество

1

6706024

HARNESS, ENG engine

2

ALTERNATOR See Illustration ALTERNATOR/ C3312

3

30H50

CLIP

5

35C608

BOLT

6

6658818

SENDER eng temp - threaded connector

7

19F4

BUSHING sender

8

6563922

SNUBBER W/Filter

8

6563920

FILTER

9

6671062

SWITCH hyd. chg. press. - Was 6664577 - A

10

6632633

SWITCH hyd temp

11

6681513

SOLENOID fuel shut off - Was 6667993 - A

12

62D4

NUT

13

6578363

ROD END

14

6578366

BALL JOINT swivel

15

50D12

NUT

16

17C408

BOLT

17

6707040

ELBOW Was 26F000001B - B

18

6631010

SWITCH, PRESS OIL ENG eng. oil press.

19

35C516

BOLT 10

20

83D5

NUT 5

21

TIMER NLA - solenoid - Order Ref. 51 & 52Was 6661372 - A

22

6563505

CONDUIT bulk - Sold Per Foot

23

30H48

CLIP

24

1CM1220

BOLT

25

6560172

COVER

26

4DM10

NUT

27

4DM5

NUT

28

6564991

CABLE pos. - W/30'' (762 mm) of Ref. 22

29

STARTER See Illustration STARTER/ D2119

30

35C620

BOLT 5

31

6555455

WASHER

32

6712536

PAN Was 6577809 - A

33

84G3716

SCREW 5

34

6576280

BOLT

35

6665031

BATTERY Was 6568707 - A

35

6630153

BATTERY CAP

36

6569203

CLAMP

37

25E15

WASHER

38

59D5

NUT 5

39

2356058

BOOT

40

6562905

CABLE ground

41

6599652

BOOT

42

6565170

CABLE neg

43

SENSOR NLA - fuel - W/ O-ring - Order 6658958 Sensor - Was 6658958 - D

43

79K14

O RING 10

43

7216451

SENSOR, FUEL W/gasket - Was 6680453 - A

43

6717579

GASKET

44

6610510

TIE

45

45G1212

BOLT

46

6651975

SWITCH relay

48

6664286

BOOT Also Order Ref. 44

49

6646383

CONNECTOR fuel sender

49

6632946

TERMINAL female

50

6632053

SWITCH See Illustration HYDROSTATIC OIL FILTER/ C2818 FILTER

51

6669415

TIMER, SOLENOID

51

6702444

FUSE 25A 5 25 amp Was 6670808 - A

52

6713879

HARNESS 16''(406,4 mm) long

Выбрано товаров: 0