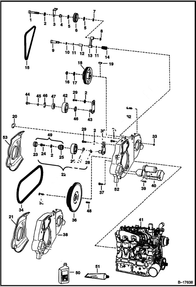
Запчасти Bobcat 700s ENGINE & ATTACHING PARTS (Belt Drive System - W/Fixed Idler) POWER UNIT

Схема запчастей Bobcat 700s - ENGINE & ATTACHING PARTS (Belt Drive System - W/Fixed Idler) POWER UNIT
FIT
1:1
100%

Артикул

Название

Примечание

Количество

1

73G656

SCREW

2

6704484

WASHER thrust - Was 664962 - A

3

6702474

RETAINER fan drive idler belt

4

6704443

BUSHING spacer

5

6660995

GREASE RING grease

6

6662997

PULLEY, FAN DRIVE IDLER fan drive idler - Was 6653253 - B

7

6704444

WASHER

8

61D6

NUT 5

9

38C820

SCREW shoulder - Was 6577807 - A

10

6655781

BEARING Was 25E000017B - B

11

6704820

O-RING Was 58K000014B - B

12

BEARING NLA - bronze - Was 6655780 - A

12

6670682

BEARING nylon

13

6725212

ARM W/Ref. 12 - Was 6703507 - A

14

6700115

SPRING, TORSION

15

BELT See Illustration COOLING SYSTEM/ B17636 FAN DRIVE

16

92D12

NUT Was 86D000012B - B

17

6576033

WASHER

18

6704424

PULLEY, PUMP HYD to hyd. pump - 3 groove

19

6J807

KEY, WOODRUFF

20

6703022

CLIP

21

6704450

SHIELD Was 6702830 - A

22

IDLER ASSY. See Illustration ENGINE & ATTACHING PARTS/ B17449 NLA - FIXED - Ref. 2, 23 & 28-30 - ORDER 6711698 SPRING LOADED IDLER ASSY. & 6711905 DECAL - WAS 6708376 - A

23

6660967

CAP grease

24

35C612

BOLT

25

BEARING NLA - Order Ref. 49

26

6704416

PULLEY idler - Also Order Ref. 49

27

6661066

SEAL Also Order Ref. 28

28

6661070

SLEEVE wear - Also Order Ref. 27

29

17C620

BOLT Was 35C000628B - B

30

6708625

BRACKET Was 6705447 - A

31

6CM1230

BOLT

32

17C828

BOLT hyd pump mount

33

85D8

NUT, 5

34

6660994

BELT, DRIVE pump drive - 3 groove

35

6598275

BOLT Was 6652487 - A

36

FLYWHEEL ASSY. NLA - W/Ring Gear & Ref. 48-3 groove - Was 6704422 - A

36

6704874

FLYWHEEL ASSY. W/Ring Gear & Ref. 48-3 groove

36

6510470

RING GEAR

37

5CM1025

BOLT

38

MOUNT NLA - Order Ref. 52 & 53 - It may be necessary to reposition the battery and battery pan - Was 6700541 - A

39

35C620

BOLT 5 Was 17C000616B - B

40

STARTER See Illustration STARTER/ D2119

41

ENGINE See Illustration ENGINE & GASKET KITS/ B16450

42

PULLEY NLA - idler - Order Ref. 21 & 22 - Was 6702951 - A

43

BRACKET NLA - Order Ref. 21 & 22 - Was 6702720 - A

44

17C612

BOLT 5

45

25E18

WASHER

46

6653758

SNAP RING

47

BEARING NLA - Order Ref. 21 & 22 - Was 6651452 - A

48

6713370

PIN Was 14J001808B - B

49

6722248

REPAIR KIT bearing - Ref. 23, 25, 27 & 28

50

6661405

OIL Use W/Ref. 22 & 49

51

6633583

SEALANT, POLYURETHANE 300 ML Use W/Ref. 23 & 26 and 28 & 30

52

6728062

MOUNT

53

6726938

SHIELD

Выбрано товаров: 56