Запчасти Bobcat 700s ENGINE & ATTACHING PARTS (Spring Loaded Idler) POWER UNIT

Схема запчастей Bobcat 700s - ENGINE & ATTACHING PARTS (Spring Loaded Idler) POWER UNIT
FIT
1:1
100%

Артикул

Название

Примечание

Количество

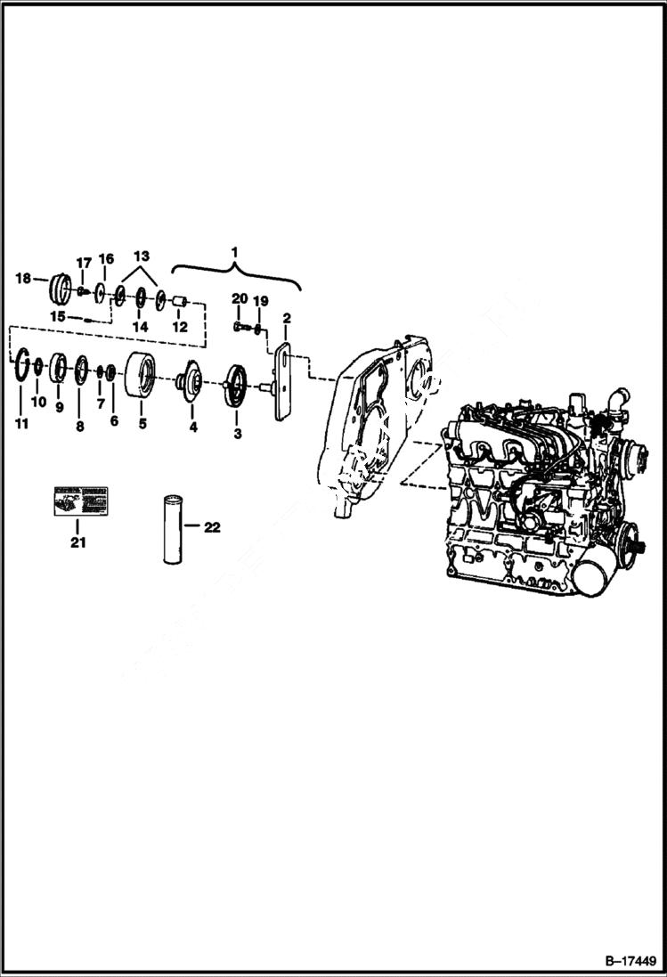
1

6735884

IDLER ASSY. REF. 2 - 18 - Also Order Ref. 21 - WHEN CONVERTING FROM A FIXED IDLER TO A SPRING LOADED IDLER ASSY. . - Was 6711698 - A

1

6714212

PULLEY ASSY. Ref. 4 - 12

2

6735883

BRACKET Was 6708767 - A

3

6705491

SPRING torsion

4

6711699

HUB ASSY.

5

6704391

PULLEY idler

6

6685735

SEAL Was 6661112 - A

7

6703168

BEARING thrust

8

6664209

SEAL

9

6668114

BEARING ball

10

6658536

RING

11

6658847

RING

12

6682442

SLEEVE bronze sleeve - Was 6704393 - A

13

6705231

WASHER

14

6710585

WASHER wave spring

15

6713370

PIN Was 14J001808B - B

16

6705232

WASHER

17

43C610

BOLT pre-applied thread locker - Was 17C610 - B

18

6708770

CAP dust

19

6704484

WASHER thrust

20

17C620

BOLT

21

6709030

DECAL belt tension - SEE NOTE - Was 6711905 - B,D

22

6903122

GREASE, MULTI PURPOSE #2 - 10 Use W/Ref. 1 - Was 6599719 - A

Выбрано товаров: 23