Запчасти Bobcat 800s MAIN FRAME MAIN FRAME

Схема запчастей Bobcat 800s - MAIN FRAME MAIN FRAME
FIT
1:1
100%

Артикул

Название

Примечание

Количество

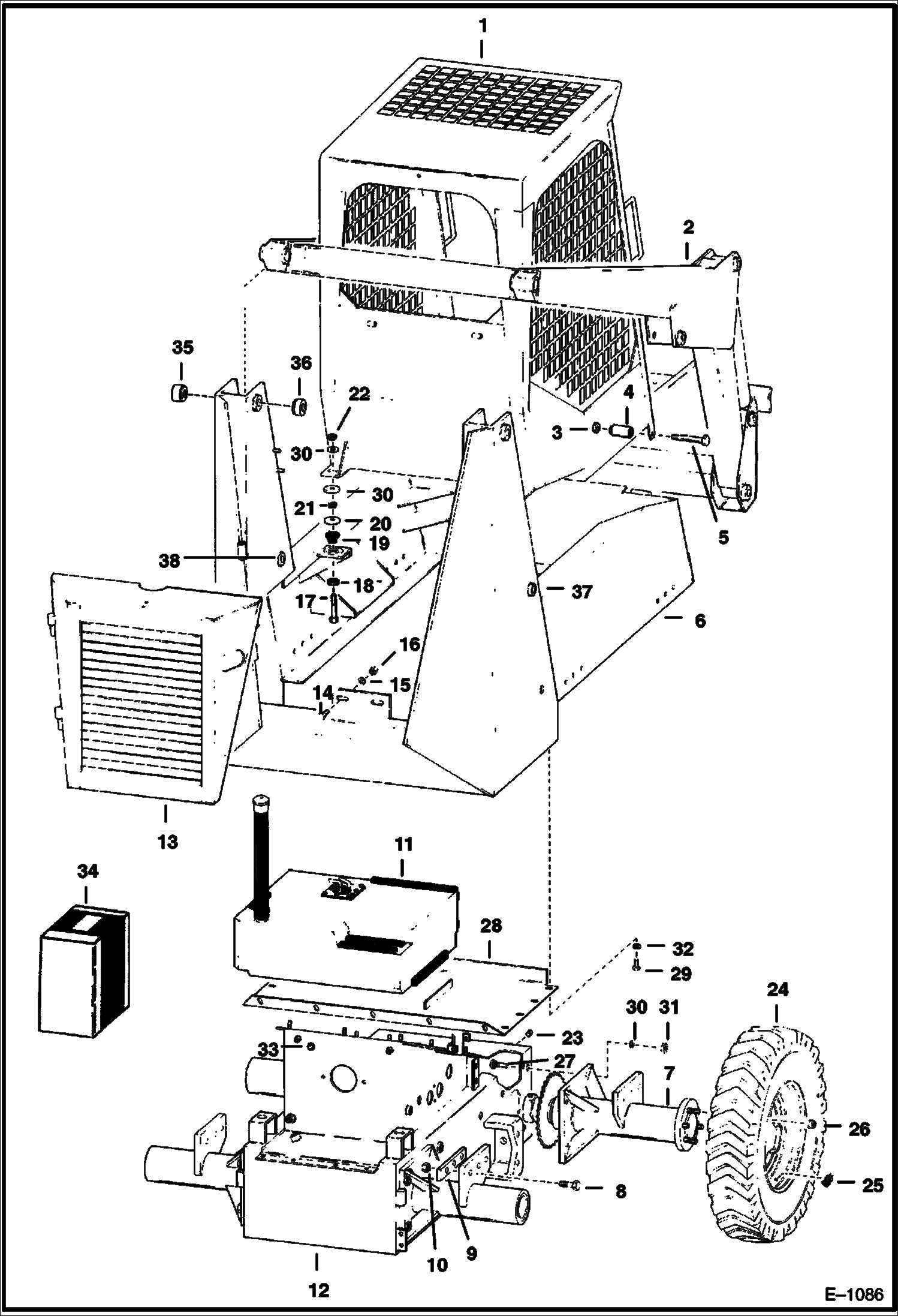
1

6554936

OPERATOR CAB See Illustration OPERATOR CAB/ E1195

2

6554146

LIFT ARM See Illustration LIFT ARMS & BOB-TACH/ D1169

3

81D10

NUT

4

6519138

BUSHING

5

17C1072

BOLT

6

6553401

MAIN FRAME

6

MAIN FRAME NLA - Was 6591295 - A

7

AXLE

8

18C1232

BOLT

9

6548016

PLATE

10

62D12

NUT

11

FUEL TANK See Illustration FUEL SYSTEM/ D1486

12

CHAINCASE NLA

12

6591311

CHAINCASE

13

6552151

GRILL rear

14

17C824

BOLT 5

15

25E22

WASHER

16

61D8

NUT 5

17

6562124

BOLT

18

SPACER NLA - Was 6590871 - A

19

MOUNT NLA - shock - Was 5206629 - A

20

6514557

WASHER

21

61D10

NUT

22

85D10

NUT, 5

23

6515887

PLUG

24

TIRE & RIM See Illustration TIRES & RIMS/ B21115

25

1614765

VALVE STEM, TIRE tubeless tire

26

6564669

NUT, 10 wheel - Was 6519169 - A

27

BOLT NLA - Was 6591064 - A

28

PLATE NLA - Was 6591292 - A

29

84G3716

SCREW 5

30

27E10

WASHER

31

62D10

NUT

32

27E6

WASHER 5

33

P562516

FLR BRTHR Was 6512927 - A

34

6563100

KIT gusset - For Chaincase

35

6548013

BUSHING Weld On

36

6548014

BUSHING Weld On

37

6590584

BUSHING Weld On

38

6590583

BUSHING Weld On

Выбрано товаров: 40