Качественные детали и логистика
Оригинальные и аналоговые запчасти с доставкой по России, Казахстану и Беларуси
©2022 PartSell ООО "Система" ИНН 2463123282 ОГРН 1212400004838
Центральный офис: г. Красноярск, Академика Киренского, д.87, пом.4
Телефон: 8 (800) 777-65-74 Email: zakaz@partsell.ru
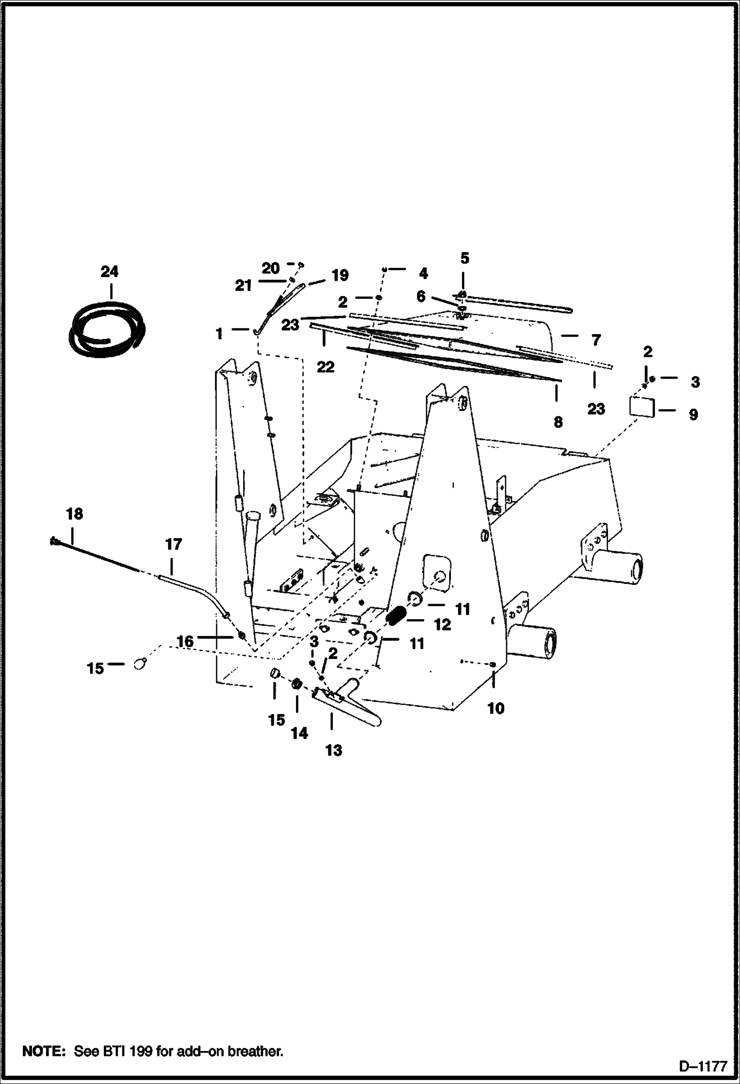
MAIN FRAME ATTACHING PARTS
№
Артикул
Название
Примечание
Количество
1
6591073
ROD battery
2
25E16
WSHR
3
61D6
NUT 5
4
59D6
NUT
5
6515887
PLUG
6
6504426
GASKET
7
COVER NLA - Was 6590823 - A
8
6563190
GASKET Also Order Ref. 22 & 23
9
6543136
STOP lift arm
10
16F8
11
42H32
HS CLAMP5 hose
12
HOSE NLA - 4'' (101,6 mm) long - Order Ref. 24 - Was 6543208 - A
13
TUBE Was 6543567 - A
14
19F13
BSHGPIPE
15
P562516
FLR BRTHR Was 6512927 - A
16
89F8
CONNECTR
17
6543840
TUBE dipstick
18
6547648
DIPSTICK
19
6543019
HOLDDOWN
20
85D6
NUT, 5
21
25E17
WASHER 5
22
6563191
ANGLE cover
23
ANGLE NLA - cover - Was 6563192 - A
24
1309037
HOSE-BULK bulk - sold per foot
Выбрано товаров: 0