Качественные детали и логистика
Оригинальные и аналоговые запчасти с доставкой по России, Казахстану и Беларуси
©2022 PartSell ООО "Система" ИНН 2463123282 ОГРН 1212400004838
Центральный офис: г. Красноярск, Академика Киренского, д.87, пом.4
Телефон: 8 (800) 777-65-74 Email: zakaz@partsell.ru
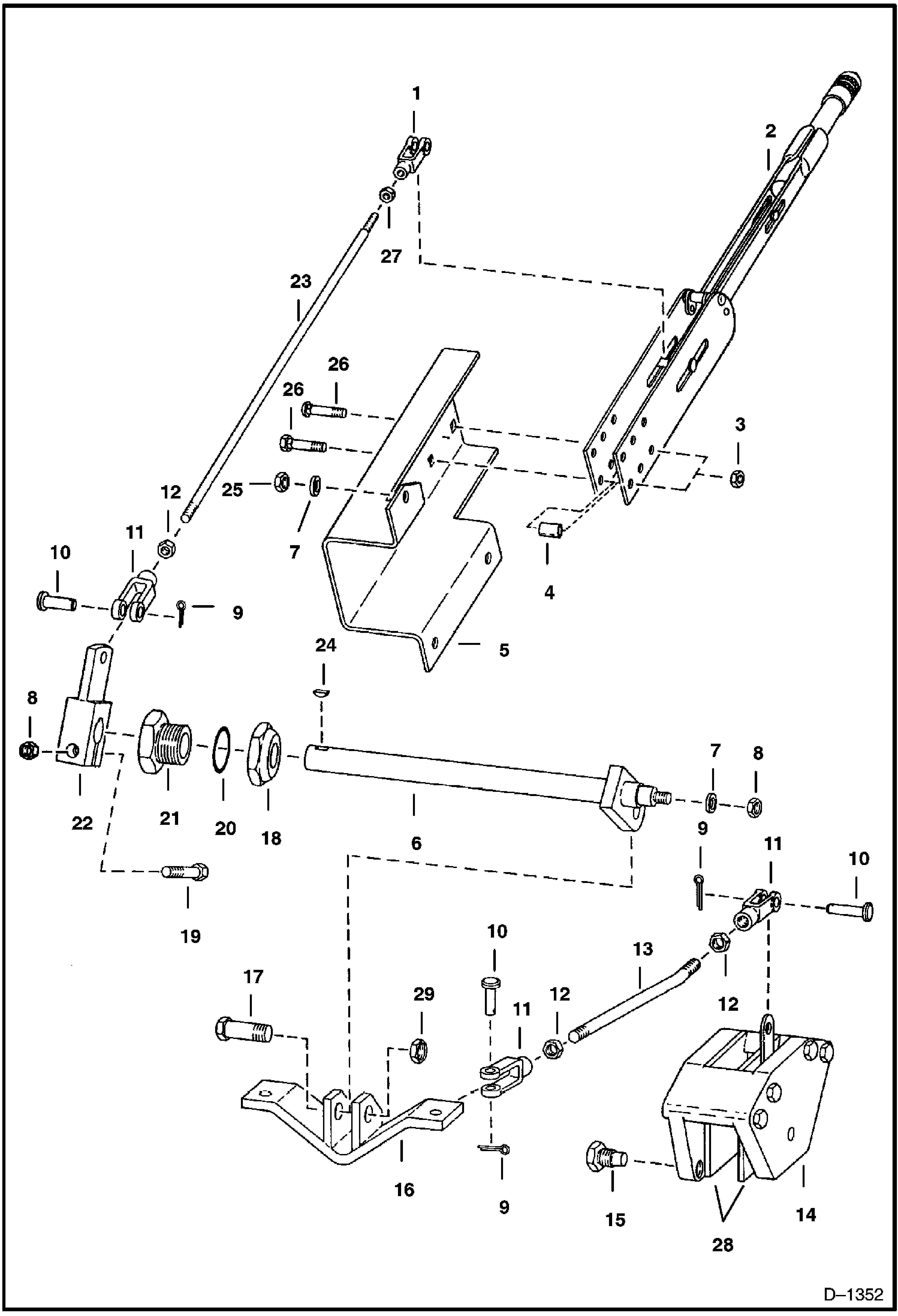
BRAKES
№
Артикул
Название
Примечание
Количество
1
2J5204
YOKE
2
6519000
LEVER
6512806
3
91D5
NUT 5 Was 81D000005B - A
4
SPACER NLA - Was 6591010 - A
5
6554528
BRACKET
6
6554511
SHAFT
7
25E18
WASHER
8
82D6
NUT
9
1F316
PIN
10
4F6106
11
2J6208
12
8D6
NUT 5
13
6554518
ROD
14
BRAKE NLA - Was 6511795 - A
15
6552212
BOLT
16
6554515
17
38C820
SCREW Was 661847B - A
18
NUT NLA - Was 6509809 - A
19
17C632
BOLT 5
20
25K40028
O RING 10
21
6543547
ADAPTER
22
6554512
23
6554508
ROD NLA - Was 6591092 - A
24
5J808
KEY
25
81D6
26
7C528
27
8D5
28
6513603
PAD brake
29
59D6
Выбрано товаров: 0