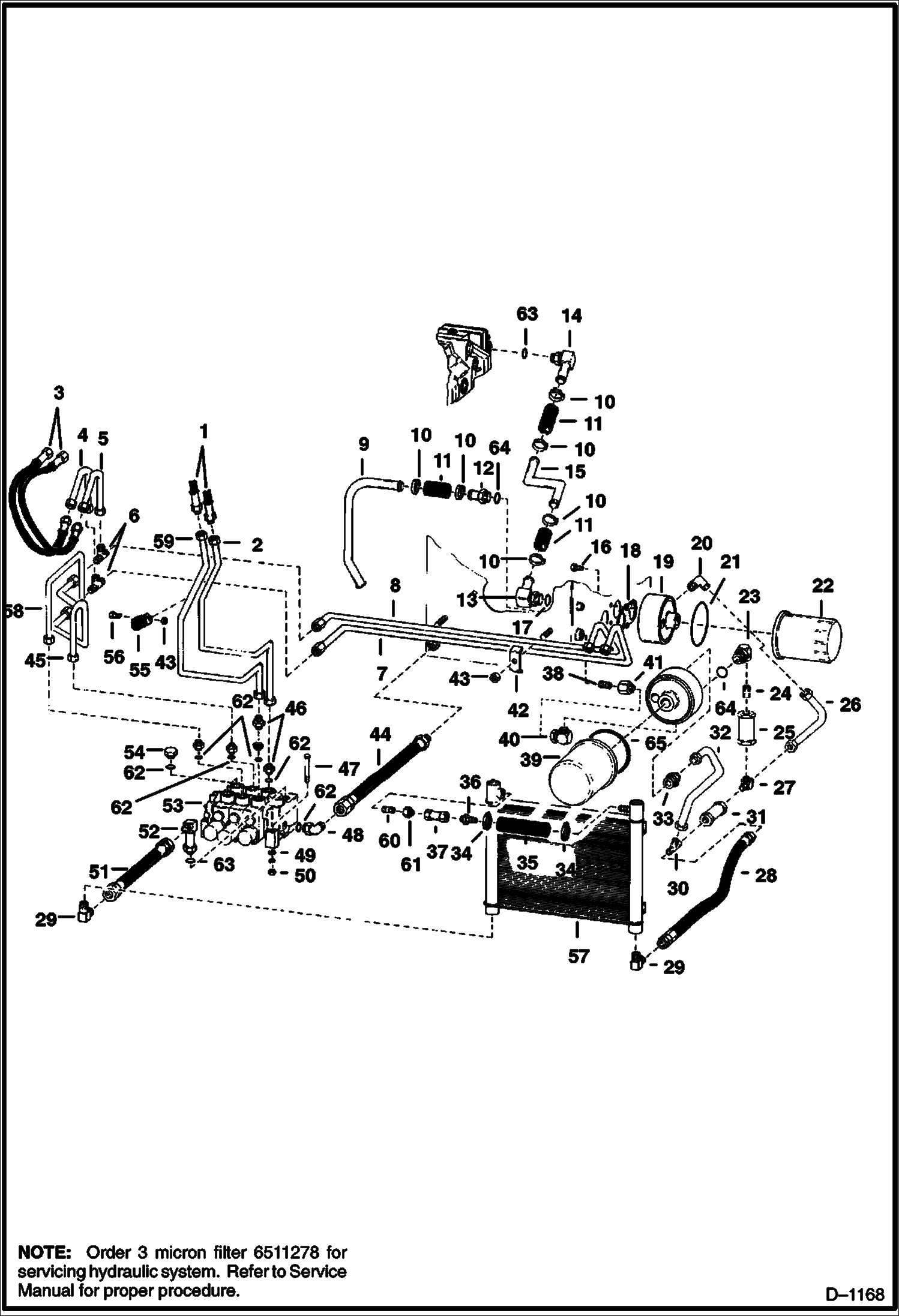
Запчасти Bobcat 800s HYDRAULIC CIRCUITRY HYDRAULIC SYSTEM

Схема запчастей Bobcat 800s - HYDRAULIC CIRCUITRY HYDRAULIC SYSTEM
FIT
1:1
100%

Артикул

Название

Примечание

Количество

1

1321719

HOSE

2

6543004

TUBE

3

6543063

HOSE

4

6543007

TUBE

5

6543006

TUBE

6

10K7

TEE

7

6543009

TUBE

8

6543008

TUBE

9

6543205

TUBE

10

44H20

CLAMP Was 6666864 - A

11

HOSE NLA - Was 6591130 - A

12

FITTING NLA - W/Ref. 64 - Was 1309823 - A

13

1316119

ELBOW W/Ref. 65

14

1321499

FITTING W/Ref. 63

15

6543279

TUBE

16

BOLT NLA - Was 32C000616B - A

17

79K20

O RING 10 Was 91F000011B

18

GASKET NLA - Was 6543573 - A

19

6543470

FILTER HEAD filter

20

83F8

ELBOW 90 degree

21

6519904

O-RING See BTI117

22

6552507

ELEMENT filter - 25 micron

23

ADAPTER NLA - W/Ref. 64 - Was 6510251 - A

24

5K611

NIPPLE tee

25

VALVE NLA - check - Was 6519638 - A

26

6543628

TUBE

27

ADAPTER NLA - tee - Was 6510250 - A

28

HOSE ASY NLA - Was 1544927 - A

29

PIPE NLA - Was 1303617 - A

30

42K8

ADAPTOR tee

31

VALVE NLA - check - Was 6511992 - A

32

6543629

TUBE

33

15KB1216

FITTING, HYD CONNECTOR straight - Was 712555B - A

34

42H12

CLAMP 10 hose

35

HOSE NLA - Was 6591285 - A

36

6516296

ADAPTER

37

6501781

VALVE check

38

NIPPLE NLA - pipe - Was 5K412 - A

39

6591038

ELEMENT See BTI117 filter - 10 micron

40

ELBOW NLA - Was 6510249 - A

41

CONNECTOR NLA - Was 656610 - A

42

6502203

CLAMP tube

43

85D6

NUT, 5

44

546407

HOSE

45

6543002

TUBE

46

15K7

FITTING W/Ref. 62

47

17C540

BOLT

47

BOLT NLA - carriage - Was 7C544 - A

48

17KB1210

FITTING, HYD ELBOW W/Ref. 62 - Was 6714901 - A

49

25E16

WSHR flat

50

85D5

NUT 5

51

6519653

HOSE

52

6519187

ELBOW W/Ref. 63

53

VALVE See Illustration HYDRAULIC CONTROL VALVE/ A1961 See Illustration HYDRAULIC CONTROL VALVE/ B21095 CONTROL

54

24K7

PLUG W/Ref. 62

55

31H42

CLIP

56

17C616

BOLT 5

57

OIL COOLER NLA - Was 6519270 - A

58

6543003

TUBE

59

6543005

TUBE

60

5K409

NIPPLE

61

19F9

BUSHING

62

79K10

O RING 10 Was 91F000007B - A

63

79K12

O RING 10 Was 91F000008B - A

64

79K16

O RING 10 Was 91F000010B - A

65

6519904

O-RING See BTI117

65

SEAL See BTI117 NLA - Was 6568879 - A

Выбрано товаров: 67