Качественные детали и логистика
Оригинальные и аналоговые запчасти с доставкой по России, Казахстану и Беларуси
©2022 PartSell ООО "Система" ИНН 2463123282 ОГРН 1212400004838
Центральный офис: г. Красноярск, Академика Киренского, д.87, пом.4
Телефон: 8 (800) 777-65-74 Email: zakaz@partsell.ru
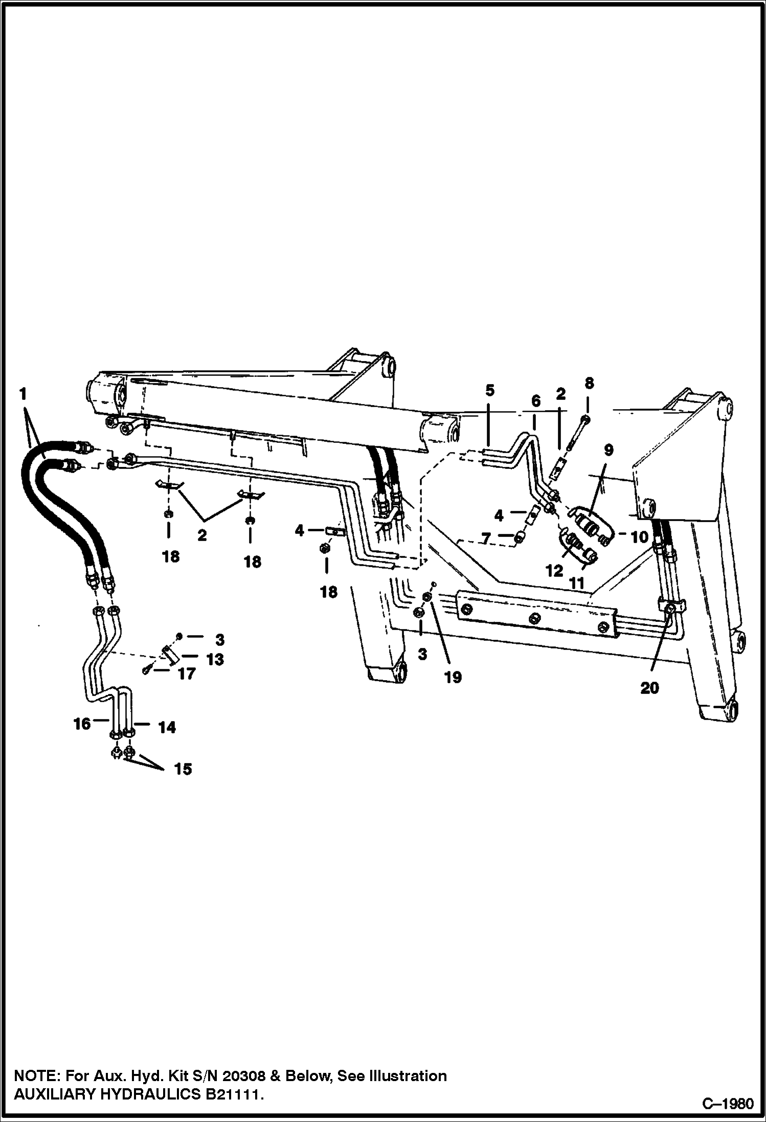
AUXILIARY HYDRAULICS (S/N 20309 & Above)
№
Артикул
Название
Примечание
Количество
1
1321719
HOSE
2
6543344
CLAMP tube
3
81D6
NUT
4
6543345
5
6553436
TUBE
6
6553435
7
6553496
SPACER
8
17C680
BOLT
9
6598756
QUICK COUPLER Female
25K40026
O RING 10
10
6515167
PLUG dust
11
6515168
CAP dust
12
6598755
QUICK COUPLER Male
13
31H42
CLIP tube
14
6543000
15
15K7
FITTING
16
6543001
17
17C616
BOLT 5
18
91D5
NUT 5 Was 81D-5 - A
19
SPACER NLA - Was 6591452 - A
20
6513709
CAP PLUG W/plug assy. - Rubber
Выбрано товаров: 0