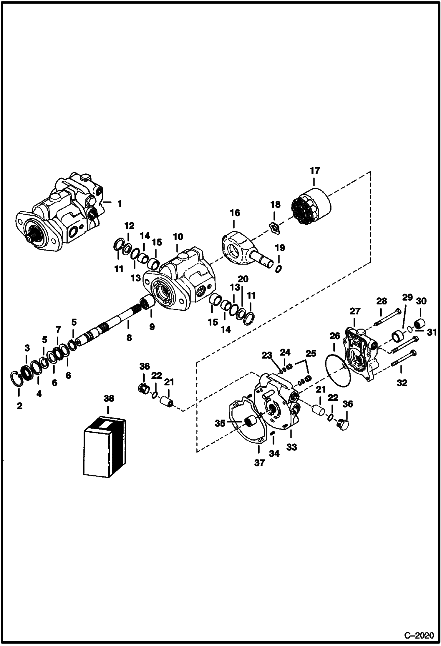
Запчасти Bobcat 800s HYDROSTATIC PUMP (Rear - RAA - Old) HYDROSTATIC SYSTEM

Схема запчастей Bobcat 800s - HYDROSTATIC PUMP (Rear - RAA - Old) HYDROSTATIC SYSTEM
FIT
1:1
100%

Артикул

Название

Примечание

Количество

1

PUMP NLA - rear

2

RING NSS - retaining

3

SEAL NSS - shaft

4

6510586

WASHER

5

RING NSS - retaining

6

5208601

WASHER thrust

7

5200262

BRG thrust

8

SHAFT NLA - drive - Was 6510507 - A

9

6519737

BEARING

10

HOUSING NLA - W/Ref. 9 - Was 6512252 - A

11

RING NSS - retaining

12

6519740

COVER

13

SEAL NSS

14

6510590

RACE

15

896539

BRG

16

PLATE NLA - yoke

17

GROUP NLA - rotating - Order Ref. 38

18

WASHER NSS - wave

19

O-RING NSS

20

COVER NLA - Was 6510501 - A

21

6650611

VALVE relief - Was 6512032 - A

22

O-RING NSS

23

O-RING NSS

24

WASHER NSS - back-up

25

6510498

VALVE check - W/Ref. 23 & 24

26

O-RING NSS

27

ADAPTER NLA - W/Ref. 29 - Was 6510505 - A

28

21C664

BOLT

29

6510587

BEARING

30

6510503

CONNECTOR

31

RING NSS

32

BOLT NLA - Was 21C000656B - A

33

COVER NLA - W/Ref. 34 & 36 - Was 6512258 - A

34

ROLL PIN NSS

35

301209

BEARING

36

6513479

PLUG W/Ref. 22

37

6554758

KIT gasket - W/Ref. 18

38

6512647

KIT conversion from RAA to RCA - Rotating group, yoke & pins

38

6512348

SEAL KIT Ref. 2, 3, 5, 11, 13, 19, 22-24, 26, 31 & 37

Выбрано товаров: 39