Запчасти Bobcat 800s CYLINDER HEAD POWER UNIT

Схема запчастей Bobcat 800s - CYLINDER HEAD POWER UNIT
FIT
1:1
100%

Артикул

Название

Примечание

Количество

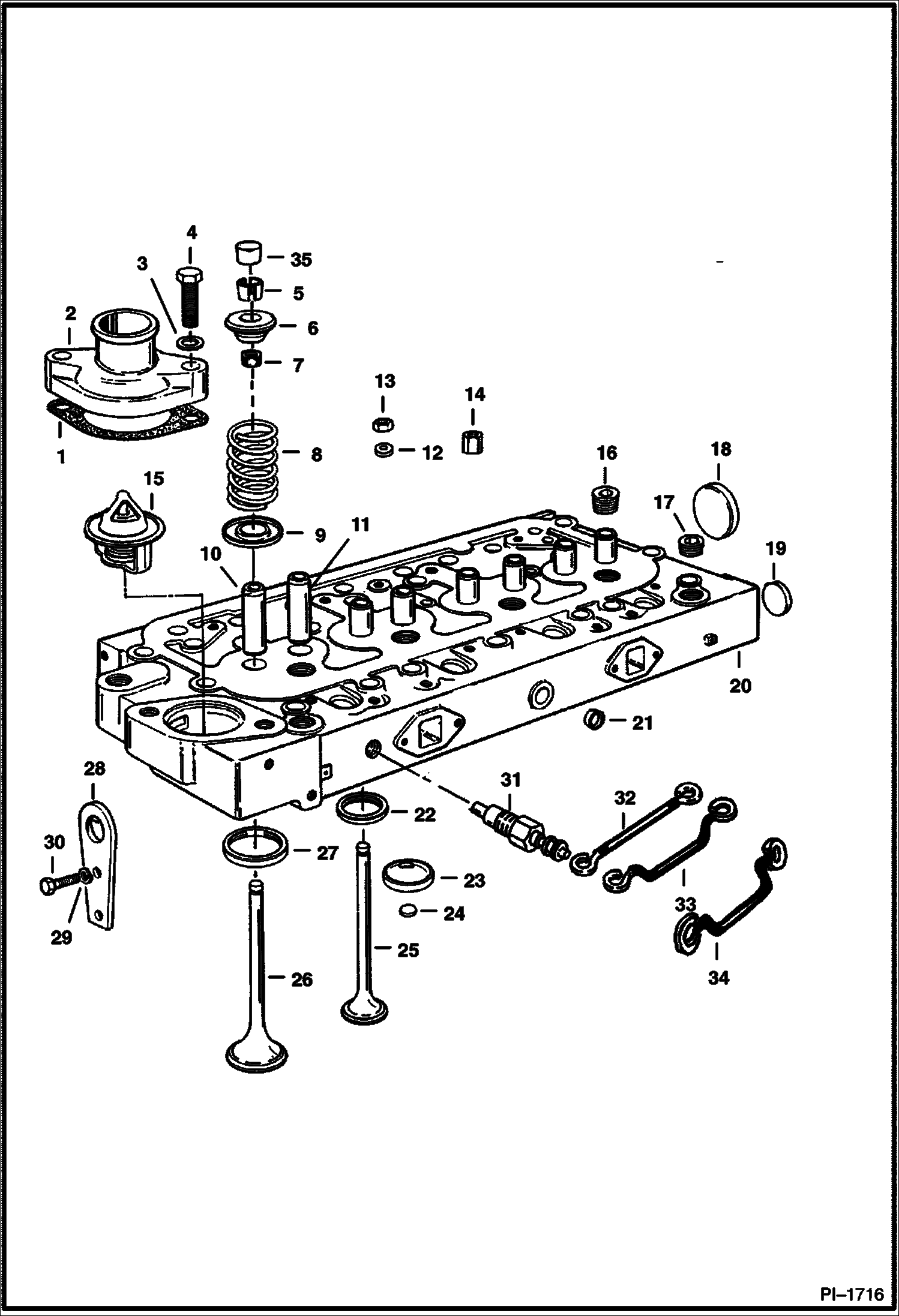
1

6668031

GASKET Was 3725791B - A

2

3679233

CONNECTOR

3

3490721

WASHER

4

BOLT NLA - Was 18C000646B - A

5

3490711

INSERT

6

6510336

CAP

7

SEAL NLA - Use W/Ref. 26 (NLA/ 6510333 valve) - Was 6510607 - A

7

SEAL NLA - Use W/Ref. 26 (NLA/ 6677205 valve) - Was 6677206 - A

8

6510334

SPRING

9

SEAT NLA - Was 6510335 - A

10

6510293

GUIDE

11

3490279

GUIDE

12

WASHER NLA - Was 6510291 - A

13

62D7

NUT

14

NUT NLA - Was 6510289 - A

15

3480303

THERMOSTA

16

16F6

PLUG

17

16F8

PLUG

18

3726064

PLUG Was 3725064 - D

19

PLUG NLA - Was 6510545 - A

20

HEAD NLA - cylinder - bare - Was 3734807 - A

20

HEAD NLA - Cylinder - Glow Plug - W/Ref. 10,11,16-19, 23 & 24 - Was 6598296 - A

20

6598296REM

HEAD, PERKINS 4.108

21

PLUG NLA - water jacket - Was 6510546 - A

22

INSERT NLA - exhaust valve - Optional - Was 6510337 - A

23

INSERT combustion chamber NLA - combustion chamber - Was 6510286 - A

24

6510287

WASHER

25

6510332

VALVE Exhaust

26

VALVE NLA - Inlet - Order 6677205 & 6677206 - Was 6510333 - A

26

INLET VALVE NLA - Was 6677205 - A

27

INSERT NLA - intake valve - Optional - Was 6510338 - A

28

PLATE NLA - lifting - Was 6510340 - A

29

18C618

BOLT

30

4E6

WASHER

31

3736961

GLOW PLUG See Illustration MANIFOLDS/ PI1719 FOR S/N & BELOW

32

BAR NLA - Order Ref. 34 - Was 3736963B - A

33

BAR NLA - Order Ref. 34 - Was 3736962B - A

34

BAR NLA - Was 6669264 - A

35

CAP NLA - Was 6599271 - A

Выбрано товаров: 39