Качественные детали и логистика
Оригинальные и аналоговые запчасти с доставкой по России, Казахстану и Беларуси
©2022 PartSell ООО "Система" ИНН 2463123282 ОГРН 1212400004838
Центральный офис: г. Красноярск, Академика Киренского, д.87, пом.4
Телефон: 8 (800) 777-65-74 Email: zakaz@partsell.ru
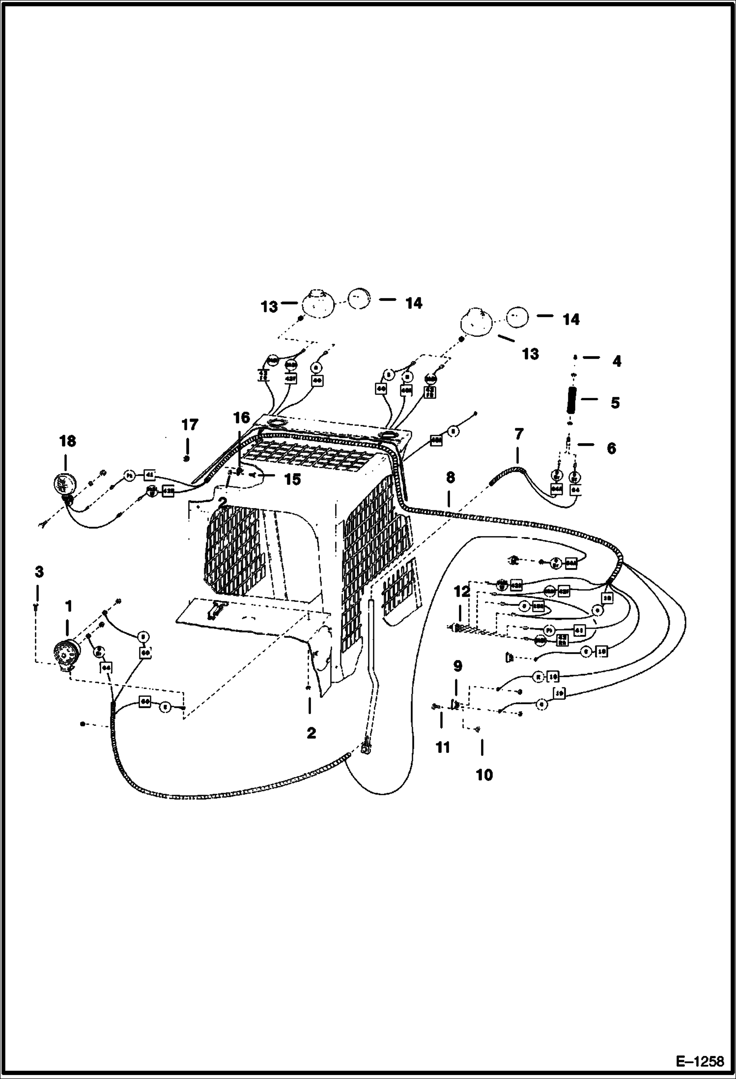
EUROPEAN ACCESSORIES (Horn & Light)
№
Артикул
Название
Примечание
Количество
1
6559478
HORN
2
61D6
NUT 5
3
6555533
BOLT
4
6660205
SEAL Was 6513483 - A
5
6513963
GRIP Was 6555808 - A
6
6513482
SWITCH
7
HARNESS NLA - Was 6558855 - A
8
6558856
HARNESS
9
6519746
BREAKER
10
14D10
NUT
11
86G1008
SCREW
12
6515522
13
6558142
HOUSING
14
6557486
LAMP
15
37C616
BOLT Was 6514537 - A
16
30H27
CLAMP
17
6557493
GROMMET
18
6519340
LIGHT
877752
4411 BULB
6655055
BULB Was 506475B - A
Выбрано товаров: 0