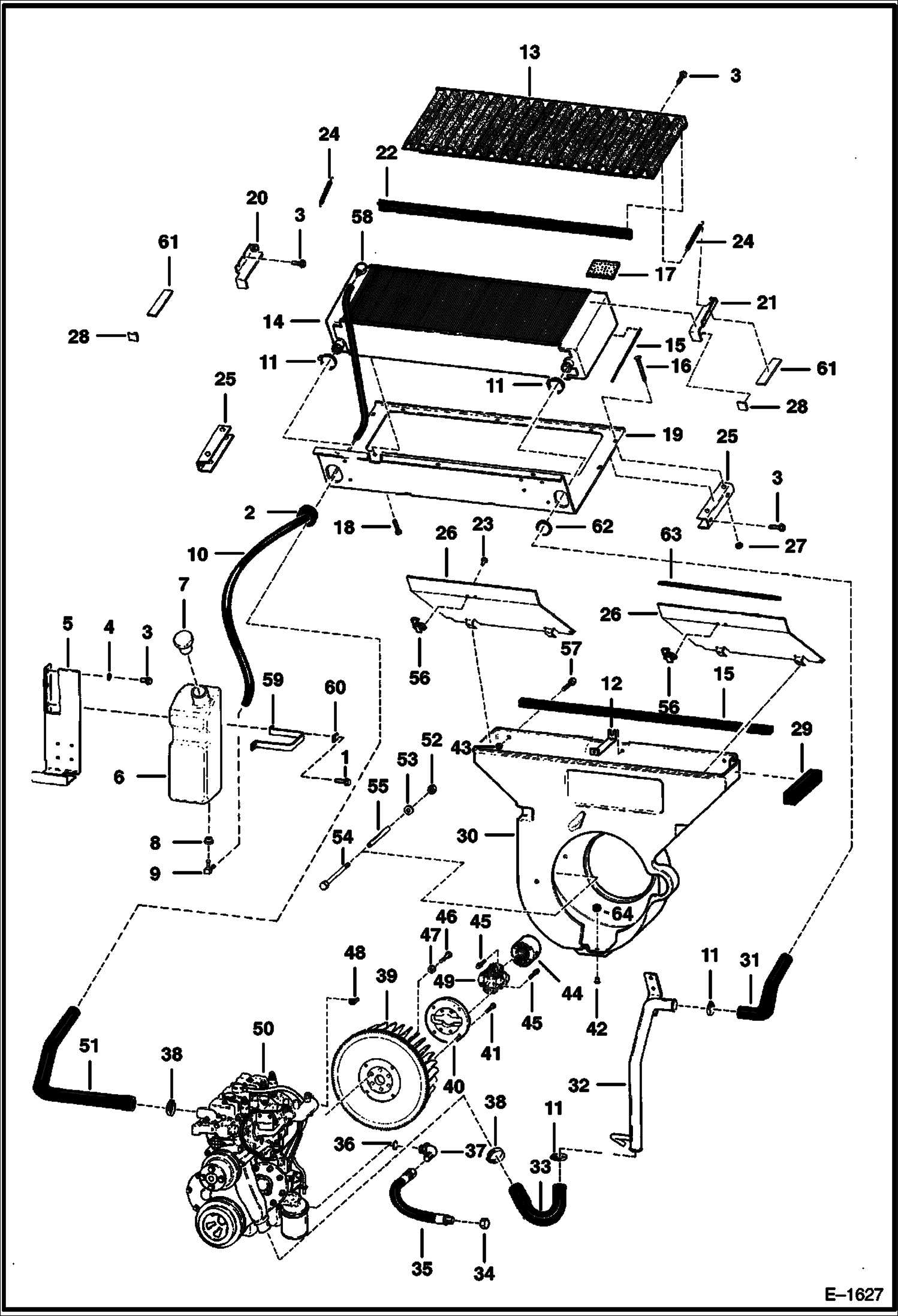
Запчасти Bobcat 800s ENGINE & ATTACHING PARTS (S/N 16489 & Above) POWER UNIT

Схема запчастей Bobcat 800s - ENGINE & ATTACHING PARTS (S/N 16489 & Above) POWER UNIT
FIT
1:1
100%

Артикул

Название

Примечание

Количество

1

84G3716

SCREW 5

2

6512067

GROMMET

3

84G3712

BOLT 5

4

6E6

WASHER

5

6567509

MOUNT

6

6567508

TANK

7

6702797

CAP Was 6558658 - A

8

6553411

BUSHING

9

6553412

ELBOW

10

6562603

HOSE

11

42H32

HS CLAMP5

12

6568898

BRACE

13

6567714

GRILL

14

6630558

RADIATOR

15

6511855

SEAL self adhesive - bulk - sold per foot

16

7C536

BOLT

17

6554274

INSULATION foam - bulk - Sold Per Foot

18

1C506

BOLT Was 17C000506B - A

19

6567715

SHIELD

20

6567893

RETAINER retainer - W/Ref. 61 & 62

21

6567892

RETAINER retainer - W/Ref. 61 & 62

22

4126590

MOULDING bulk - sold per foot

23

6631024

RIVET

24

6630533

SPRING

25

6567719

CHANNEL channel

26

6567718

COVER

27

57D5

NUT

28

6567895

STRIP rubber

29

6560690

STRIP foam

30

6562211

BLOWER SHROUD blower

31

6564494

HOSE

32

TUBE Was 6564499 - A

33

6564495

HOSE

34

36K6

CAP

35

6805079

HOSE Was 6564639 - C

36

79K8

O RING 10

37

17K6

ELBOW

38

42H32

HS CLAMP5 Was 42H000024B - A

39

6563110

BLOWER wheel - W/Ring Gear

39

6513662

RING GEAR

40

6562882

ADAPTER

41

17C624

BOLT 5

42

RIVET NLA - Order 35C000620B & 59D000006B - Was 1316539B - A

42

35C620

BOLT 5

43

83D6

NUT 5

44

6562879

YOKE, POWER TRANSFER See Illustration UNIVERSAL JOINT/ B8970

45

94G524

BOLT 5

46

18C822

SCREW

47

6557929

WASHER

48

6513679

VALVE

49

U-JOINT See Illustration UNIVERSAL JOINT/ B8970

50

6564576

ENGINE See Illustration ENGINE/ E1686

51

6564220

HOSE

52

85D6

NUT, 5

53

25E18

WASHER

54

6565333

BOLT

55

6563592

BUSHING

56

6598955

LATCH

57

84G3720

BOLT

58

6666606

RADIATOR CAP radiator - Was 6665383 - A

59

6567510

BAND

60

6567511

WASHER

61

6567894

STRIP rubber

62

6512686

MOULDING bulk - Sold Per Foot

63

6578062

SEAL bulk - Sold Per Foot

64

59D6

NUT

Выбрано товаров: 66