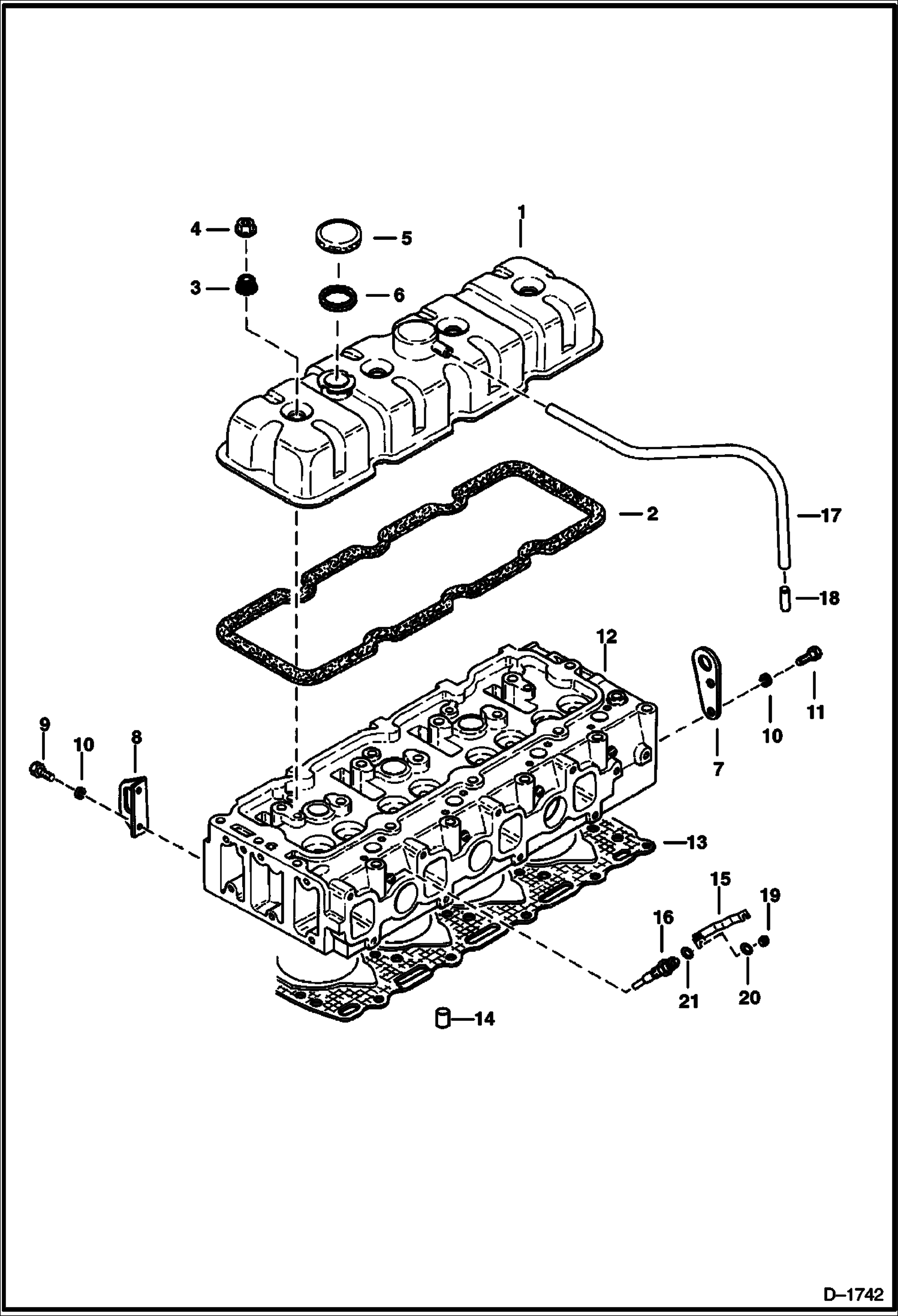
Запчасти Bobcat 800s VALVE COVER POWER UNIT

Схема запчастей Bobcat 800s - VALVE COVER POWER UNIT
FIT
1:1
100%

Артикул

Название

Примечание

Количество

1

COVER NLA - Order (1) 6662856 cover, (1) 6662857 gasket, (4) 6662858 washer, (1) 6662859 cap, (2) 6662860 nut, (2) 6662861 bolt, (2) 6662862 stud, (1) 6662863 hose & (2) 6599690 bolt - Was 6599269 - A

2

6599184

GASKET

3

6599183

SEAL

4

NUT NLA - Was 6599195 - A

5

CAP NLA - Was 6599256 - A

6

6599200

GASKET

7

6599257

BRACKET

8

BRACKET NLA - Was 6599289 - A

9

18C510

BOLT

10

23E5

L WASHER Was 2E000005B - A

11

18C508

BOLT

12

HEAD ASSY See Illustration TAPPET ASSEMBLY & CAMSHAFT/ D1613

13

GASKET NLA - Was 998057 - A

14

PLUG, HEAD CYL ENG NLA - Was 6598743 - A

15

6599294

CONNECTOR

16

6599285

GLOW PLUG

17

6662863

HOSE Was 6599202 - A

18

PIPE NLA - Was 6599201 - A

19

6660927

NUT

20

WASHER NLA - Was 6660928 - A

21

WASHER NLA - Was 6660929 - A

Выбрано товаров: 21