Запчасти Bobcat 800s CAB ENCLOSURE (S/N 19999 & Below) ACCESSORIES & OPTIONS

Схема запчастей Bobcat 800s - CAB ENCLOSURE (S/N 19999 & Below) ACCESSORIES & OPTIONS
FIT
1:1
100%

Артикул

Название

Примечание

Количество

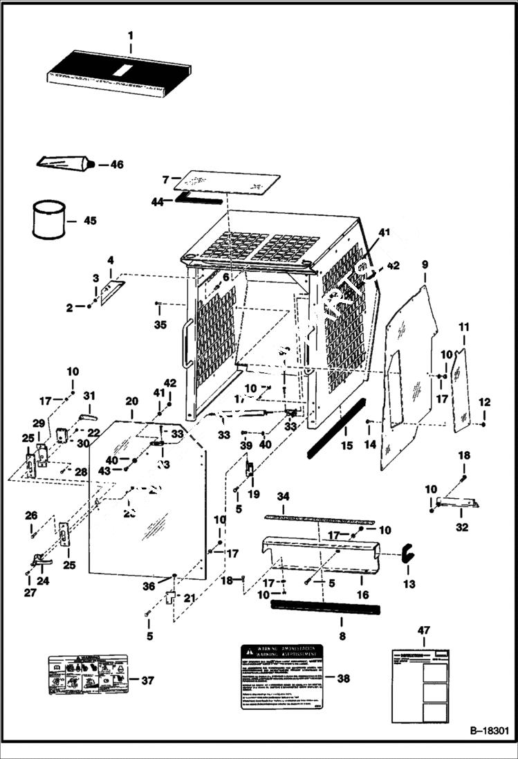
1

KIT NLA - cab enclosure - Order components - Ref. 2-45 - Was 6565757 - A

2

61D6

NUT 5

3

25E18

WASHER

4

6555434

CHANNEL

5

10C512

BOLT carriage - Was 6553808 - A

6

17C612

BOLT 5

7

6701986

WINDOW top - not Use W/Ref. 44 - Was 6563391 - A

7

6705735

WINDOW top - Use W/Ref. 44

8

SEAL NLA - Purchase Locally

9

6565755

WINDOW

10

85D5

NUT 5

11

6555108

DOOR

12

CLAMP NLA - Was 6555869 - A

13

SEAL NLA - Purchase Locally

14

14G1008

SCREW

15

SEAL NLA - Purchase Locally

16

6563392

SHIELD

17

25E15

WASHER

18

17C512

BOLT 5

19

6565970

HINGE

20

6555062

DOOR

21

6555057

HINGE

22

12D10

NUT

23

25E10

WASHER

24

1550695

HANDLE outside - W/Key

25

6555054

PLATE

26

17C516

BOLT

27

75G1016

BOLT

28

45G1008

BOLT

29

6555059

BRACKET

30

6598475

DOOR LATCH

31

6515600

HANDLE

32

6563446

BRACKET Use on 843 Only

33

6564858

CLOSER door - European Cab Enclosure

34

6564833

SAFETY TREAD European Cab Enclosure

35

25G510

BOLT

36

85D4

NUT 5

37

6579510

DECAL Was 6568691 - A

38

6563410

DECAL

39

85G1208

BOLT

40

12E12

WASHER

41

25E12

WSHR

42

12D12

NUT

43

85G1212

BOLT

44

6664351

SEAL Use W/cab headliner & Ref. 7 (6705735 window)

44

6665012

SEAL Use W/O cab headliner & Ref. 7 (6705735 window)

45

6633583

SEALANT, POLYURETHANE 300 ML

46

6555350

ADHESIVE

47

6566606

INSTRUCTIONS

Выбрано товаров: 49