Запчасти Bobcat 800s CAB ENCLOSURE (Special Applications) ACCESSORIES & OPTIONS

Схема запчастей Bobcat 800s - CAB ENCLOSURE (Special Applications) ACCESSORIES & OPTIONS
FIT
1:1
100%

Артикул

Название

Примечание

Количество

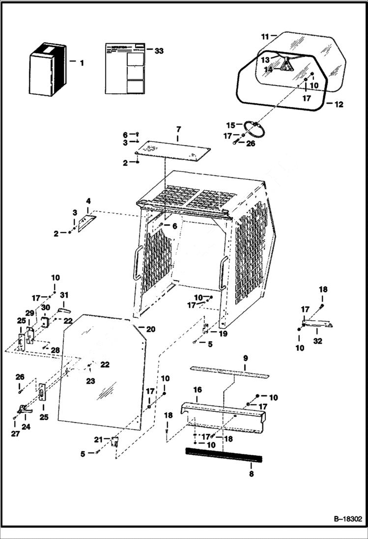
1

KIT SALES - cab enclosure - Ref. 2-33

2

83D6

NUT 5 Was 85D000006B - B

3

25E18

WASHER

4

6555434

CHANNEL

5

10C512

BOLT carriage - Was 6553808 - A

6

35C616

BOLT 5 Was 17C000612B - B

7

6705216

WINDOW top - Was 6564829 - A

8

SEAL NLA - Purchase Locally

9

6564833

SAFETY TREAD

10

85D5

NUT 5

11

6564830

WINDOW rear

12

6658352

MOULDING bulk - sold per foot - Was 6554221 - A

13

6554149

CORD, BULK/FT bulk - sold per foot - Also Order Ref. 14 (6731478 exit tag) - Was 6554223 - A

14

6731478

EXIT TAG Was 6559515 - A

15

6555331

WIRE ROPE

16

6563392

SHIELD

16

6568164

SHIELD

17

25E15

WASHER

18

17C512

BOLT 5

19

6564831

HINGE

20

6564069

DOOR

21

6564832

HINGE

22

12D10

NUT

23

25E10

WASHER

24

1550695

HANDLE outside - W/Key

24

6665409

KEY

25

6555054

PLATE

26

17C516

BOLT

27

75G1020

SCREW

28

45G1008

BOLT

29

6555059

BRACKET

30

6598475

DOOR LATCH

31

6515600

HANDLE

32

6563446

BRACKET Use on 843 Only

33

6566403

INSTRUCTIONS

Выбрано товаров: 35