Запчасти Bobcat 800s MAIN FRAME MAIN FRAME

Схема запчастей Bobcat 800s - MAIN FRAME MAIN FRAME
FIT
1:1
100%

Артикул

Название

Примечание

Количество

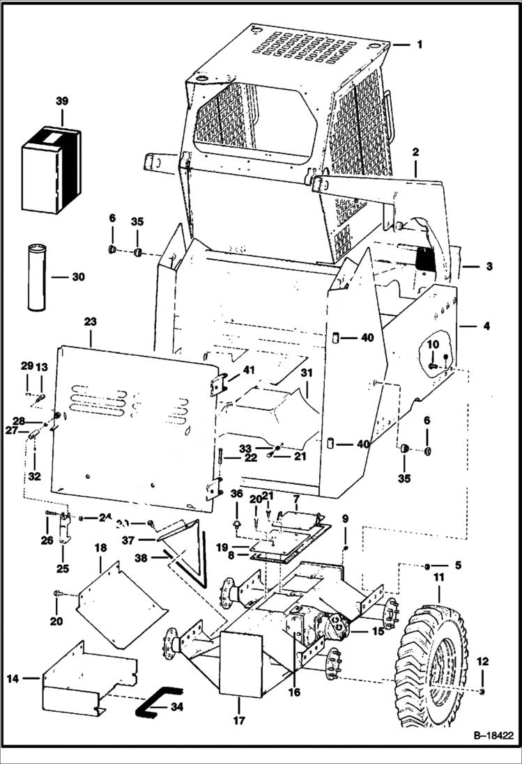
1

CAB See Illustration OPERATOR CAB/ B18428

2

LIFT ARM See Illustration LIFT ARMS & BOBTACH/ B18232

3

BOB-TACH See Illustration BOB-TACH/ B18371

4

6576709

MAIN FRAME Was 6569374 - A

5

85D12

NUT, 5

6

6555989

BUSHING Weld On

7

COVER See Illustration DISC BRAKES/ D1553

8

6703117

GASKET, TRANSMISSION Was 6553833 - A

9

40K12

PLUG

10

31C1228

BOLT flange head

11

TIRE See Illustration TIRES & RIMS/ TS1086 See Illustration TIRES & RIMS/ B18324

12

6564669

NUT, 10 wheel - Was 6519169 - A

13

6565629

SCREW

14

6565076

COVER R.H.

14

6565077

COVER L.H.

15

MOTOR See Illustration HYDROSTATIC MOTOR/ D1526

16

GEARCASE See Illustration GEARCASE/ B18246

17

CHAINCASE See Illustration DRIVE TRAIN/ B18440

18

6576557

COVER

19

COVER See Illustration DISC BRAKES/ D1553

20

84G3712

BOLT 5

21

84G3716

SCREW 5

22

6564340

PIN

23

6704328

REAR DOOR Was 6565073 - A

24

85D5

NUT 5

25

6563681

HANDLE

26

38C624

BOLT 5 Was 6564599 - B

27

6565628

NUT

28

6565627

NUT

29

6599361

PIN

30

6632501

SEALANT Use to fill seam on top of chaincase

31

6563677

COVER dust

31

6576745

COVER dust

32

33G404

SET SCRW5

33

25E17

WASHER 5

34

6599653

MOULDING bulk - Sold Per Foot - Order 24'' (609,6 mm) Per Side

35

6555987

BUSHING weld on

36

6632601

BREATHER

37

6577810

SHIELD

38

6513152

SEAL bulk - Sold Per Foot - Order 20'' (508 mm) Per Side

39

6579448

LATCH KIT kit - Ref. 13, 24-29 & 32

40

6562224

BUSHING

41

6562225

HINGE

Выбрано товаров: 43